P-0317-001 - 第27页
Key No. P AR T No. P AR T NAME Q’ty REMARKS NOTE 405 23D10016 ACCESSORY_SV 15 1091603K00-005 406 225B0572 AIR LINE EQPT 30 1091603K00-006 41 1 222H0163 CAM FOLLOWER 15 1091603K00-01 1 421 226A0279 SEAL 30 1091603K00-021 …

1007-001
495
496
494
495
496
488
495
496
490
450
431
447
430
A
486
486
486
474
425
411
439
406
433
426
405
432
411
B
C
DETAIL C
DETAIL B
421
466
421
428
444
4A2
476
445
DETAIL A
4A1
0916 3 K0K
See Fig. A1-1
Key No.51
See Fig. A1-6
Key No.501
429
476
Fig. A1-5
ノズルシャフト、真空フィルタ
Nozzle Shaft, Vaccum Filter
Fig. A1
高速ヘッド
(35K)
HIGH SPEED HEAD(35K)

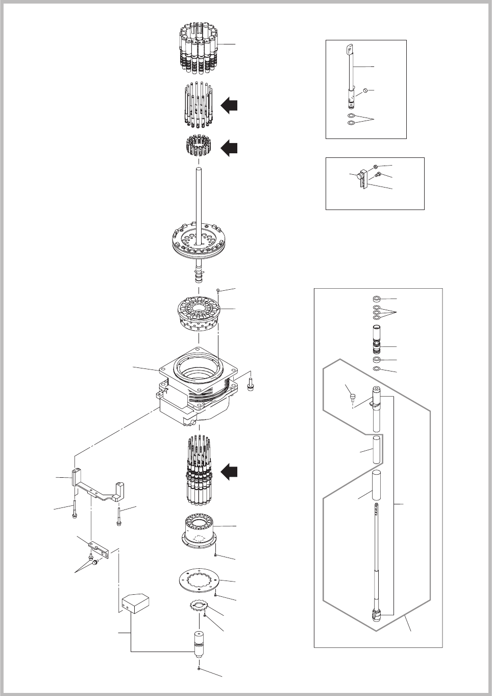
Key No. PART No. PART NAME Q’ty
REMARKS
NOTE
405 23D10016 ACCESSORY_SV 15 1091603K00-005
406 225B0572 AIR LINE EQPT 30
1091603K00-006
411 222H0163 CAM FOLLOWER 15
1091603K00-011
421 226A0279 SEAL 30
1091603K00-021
425 221AA330 ROHS_HEX-SCT 30
1091603K00-025
426 226A0276 SEAL 30
1091603K00-026
428 226A0286 SEAL 15
1091603K00-028
429 0916DK13 ROTOR_UPPER 1
1091603K00-029
430 0916DK14 ROTOR_LOWER 1
1091603K00-030
431 211FE200 BRACKET 1
1091603K00-031
432 0916D31G DISK 1
1091603K00-032
433 216B1811 HOLDER 15
1091603K00-033
439 211G6373 BLOCK 15
1091603K00-039
444 0916DK1D SPRING_COMP 15
1091603K00-044
445 0916D31E DISK 45
1091603K00-045
447 0916D31F DISK 1
1091603K00-047
450 211G5985 BLOCK 1
1091603K00-050
466 0916DK2D HOLDER 15
1091603K00-066
474 221AA332 ROHS_HEX-SCT 2
1091603K00-074
476 221AA121 ROHS_HEX-SCT 18
1091603K00-076
486 221A0332 BOLT_HEX-SCT 8
1091603K00-086
488 221AA205 BOLT_HEX-SCT(BLACK) 1
1091603K00-088
490 221AA202 BOLT_HEX-SCT 4
1091603K00-090
494 221AA206 BOLT_HEX-SCT 2
1091603K00-094
495 221HA281 WASHER SPR 3 7
1091603K00-095
496 221HA290 WASHER V 3X7X0.5 7
1091603K00-096
4A1 0916DK2U BALL_SPLINE 1
3091603K0K-001
4A2 216B1861 HOLDER 1
3091603K0K-002
Fig. A1
1007-001
Fig. A1-5
GS-HH150

1007-001
517
5A7
5A8
587
5A2
5A3
583
See Fig. A1-5
Key No.450
591
597
598
589
5A2
5A3
582
5B8
5B9
5B3
5B4
5B5
5B6
5C2
5C3
5B4
5D0
5B2
5B7
5C7
5C8
5C0
5C1
5C4
5C5
5C6
507
5A2
5A3
583
5A2
5A3
584
See Fig. A1-4
Key No.343
See Fig. A1-4
Key No.314
B
DETAIL”B”
557
584
See Fig. A1-5
Key No.430
501
See Fig. A1-5
Key No.429
560
535
561
559
558
518
5B1
523
510
577
577
522
564
567
568
556
569
519
546
536
504
520
520
524
551
508
548
537
549
549
563
562
575
575
597
598
5A5
Fig. A1-6 DD
モータ
DD Motor
Fig. A1
高速ヘッド
(35K)
HIGH SPEED HEAD(35K)