N7201A588C - 第495页
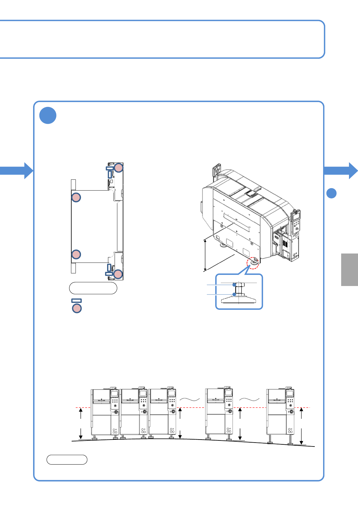
NPM-D3 EJM6DC-MB-13M-02 13-3 -4 顺序 5 设 置 保持水平 设置后,建议半年进行一次水平确认 。 注意 水平测量器的设置位置 调整螺栓的位置 前侧 ■有关基板搬送高度 ● NPM-D3 的标准基板搬送高度是 900 ~ 920mm 。 ●根据客户工厂的地面状态,生产线的基板搬送高度 如下图可能会有变化,下图 #3 和 #18 ,交换 台车会有不能正常连接的可能性。 ●一条生产线中所有的 NPM-D3 的 …

NPM-D3 EJM6DC-MB-13M-02
13-3-3
卸下固定固定用支架
●必须保管拆卸下来的固定支架。
●支架 6个
●2吸嘴头配备了专用挡块(橡胶材质),取下之
后请妥善保管。
X轴固定托架
Y轴固定托架
■ 2吸嘴头的情形
2吸嘴贴装头专用搬送挡块
Y轴随动侧固定用托架
3
设置 2
维修保养篇
13-3

NPM-D3 EJM6DC-MB-13M-02
13-3-4
顺序
5
设
置
保持水平
设置后,建议半年进行一次水平确认。
注意
水平测量器的设置位置
调整螺栓的位置
前侧
■有关基板搬送高度
●NPM-D3 的标准基板搬送高度是900~920mm。
●根据客户工厂的地面状态,生产线的基板搬送高度如下图可能会有变化,下图#3和#18 ,交换
台车会有不能正常连接的可能性。
●一条生产线中所有的NPM-D3 的基板搬送高度如果不是 900~920mm的情况,请事先联络销售
担当或者服务部门。
①按下图位置设置水平测量器。
●水平测量器:4个
③用螺母固定。②通过调整螺栓进行水平调整。
●调节到1个单位(0.02 mm/m)以下。
●调整螺栓:4个
4
基板搬送高度
900~920 mm
螺母
调整螺栓
床面
基板
搬送高度
NG
900 mm
#10
#1 #2 #3 #18
885 mm 920 mm
NG
940 mm
OKOK

NPM-D3 EJM6DC-MB-13M-02
13-3-5
调整角度,拧紧调整用螺栓
建议拧紧扭矩为3.0 N・m
5
调整信号塔的角度
用六角扳手(3 mm)
拧松调整用螺栓
调整用螺栓
1
2
通知
在出厂时,信号塔为
横放方式。
设置 3
维修保养篇
13-3