DECAN_S2_TRM(Ver2.1_CS17.02) - 第177页
Page +$1:+$ 175 DECAN S2 Harness Wiring Diagram (6/9) Belt CB#3 J90831430B SINGLE CONV (OPTION) - SM41_MD015 Belt CB#4 J90831431B - SM41_MD016 Belt WB#1 J90831432B - SM41_MD017 Belt CB#1 J90831439B - SM41_MD013 Belt CB#2…

Page
+$1:+$
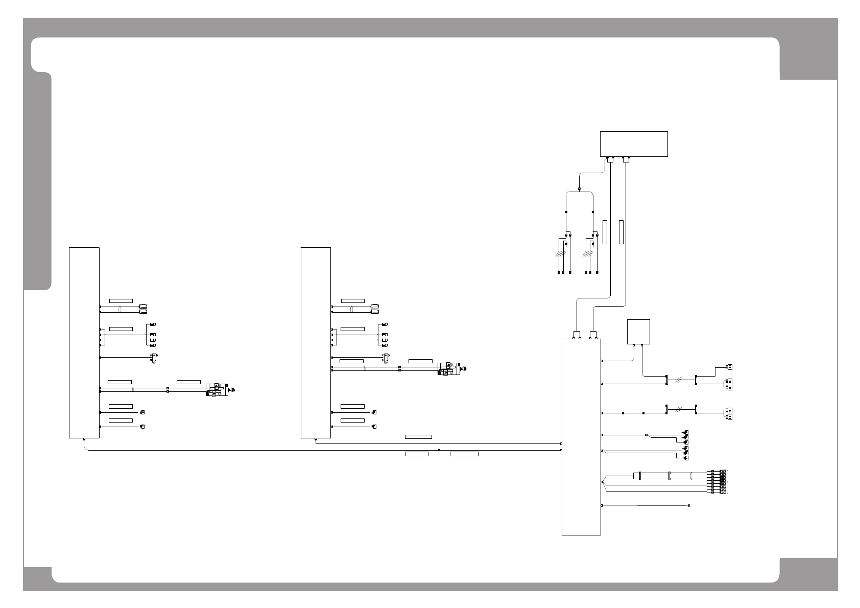
174
DECAN
S2
Harness Wiring Diagram (5/9)
CN5
CN3
CN2
CN11
BOARD
SM411P AXIS SENSOR
F FEEDER UNLOCK
RY1 ML
AM03-010782B
SM511_AX104
AM03-010810B
CN8
CN12
CN5
CN4
AM03-010812B
CN6
CN7
[AX]
CN7
CN9 CN10
CN9
CN13
AM03-010799B
CN6
RY1 HM
RY1 PL
FY1 HM
FY1 ML
FY1 PL
AM03-010811B
R FEEDER UNLOCK
SM33_CS034-2
AM03-010813B
SM511_FL002-4
AM03-010856B
CRASH SENSOR
J90831151C
SM511_FL002-4
AM03-007246B
AM03-010962B
AM03-010783A
J3R-3
J3R-4
J8L-3
J8L-4
J5R-1 J10L-1
AM03-010963B
AM03-010964B
#1F-FL-11
AXIO#2-CN5
SM471_VI006
#2F-FL-11
HD-CN5
HD-CN4
AXIO#3-CN5
SM471_VI006
HD-CN5
HD-CN4
HD-SOL-EXT
F-HD-SOL
R-HD-SOL
F-HD-SOL
H7H10-VAC
R-HD-SOL
H7H10-VAC
H1H6-VAC
H1H6-VAC
#1R-FL-11
#2R-FL-11
J90831285A
AM03-010798A
AM03-010800A
AM03-010801B
Y11.Y12,Y21.Y22.X1.X2 HOM SNS
W STP UP/DN
W BUT
F-X-SEN
CRASH-SEN
R-X-SEN X_SEN
AM03-007246B
X_SEN
X2 MOTOR SENSOR
HOME
ML
X1 MOTOR SENSOR
HOME
ML
FY-AX-EXT
J5R J10L
J3R
AM03-010794A
J8L
AM03-010814A
AM03-010858A
SM511_CS142-1
[CV]
CN14 CN19
CON1
CON1
SENSOR,SOL DATUM
CN1
PWR
SACO-CN23
AM03-011671A
CN15
CN17
CN18
CN19
F SHUTTLE STOPPER SOL
F WORK STOPPER SOL
F BUT SOL
F EDGE PUSHER SOL
CN15
CN17
CN18
CN19
R SHUTTLE STOPPER SOL
R WORK STOPPER SOL
R BUT SOL
R EDGE PUSHER SOL
CN4
CN5
PCB WORK 1-1
AM03-010796A
PCB WORK 2-1
CN4
CN5
PCB WORK 1-2
AM03-010796A
PCB WORK 2-2
F BUT UP
OMRON
EE-1001
+
L
OUT
-
F-BUT
J90831196C
R BUT UP
OMRON
EE-1001
+
L
OUT
-
R-BUT
J90831196C
CN9 CN9
WIDTH WORK 2 HOME
OMRON
EE-1001
+
L
OUT
-
WW2H
AM03-010797A
CN8
WIDTH WORK 1 HOME
OMRON
EE-1001
+
L
OUT
-
WW1H
AM03-010797A
CN8
AM03-011137B
F WORK STOPPER UP
F WORK STOPPER DOWN
F-STP-UP
F-STP-DN
AM03-011144B
[L] [R]
(DC BRK)
(DC BRK)
AM03-010802A
AX-CN4-EXT
[AXIO#1]
JST 30
L/R CN11
L/R CN12
CN10CN10
AM03-011145B
FRONT DUMP BOX CHECK SWITCH
AM03-011145B
REAR DUMP BOX CHECK SWITCH
F_DM_BOX R_DM_BOX
SENSOR
F CONVEYOR
IF BOARD
SENSOR
R CONVEYOR
IF BOARD
R WORK STOPPER UP
R WORK STOPPER DOWN
R-STP-UP
R-STP-DN
L/R CN13
L/R CN14
AM03-011144B
E3S-LS3N
E3S-LS3N
E3S-LS3N
E3S-LS3N
AM03-011137B
AM03-011607A
AM03-011607A
SM511_CS136
SM511-CS051
SM511_CS001 SM511_CS001
SM33_CS007SM33_CS007
SM511_CS009 SM511_CS009
SM511_CS006SM511_CS039
SM511-CS051-1
SM511_CS143 SM511_CS144
SM511_CS039 SM511_CS006
SM511_CS111-4 SM511_CS111-4
SM511_VI104
SM511_VI104-1
SM511_VI104-2
SM511_CS035
SM511_CS050
AM03-005703A
AM03-005703A
SM511_CS135
SM511_CS041
SM511_CV131
SM33_CV030
SM471_AX002
SM471_AX002
SM511_CS142
SM511_CV201
SM511_CS142-1
SM511_AX103SM511_AX103-1
SM511_CS134
SM511_CS134-1
SM511_CA201
SM511_AX001
J90831286C
SM33_CS034-1

Page
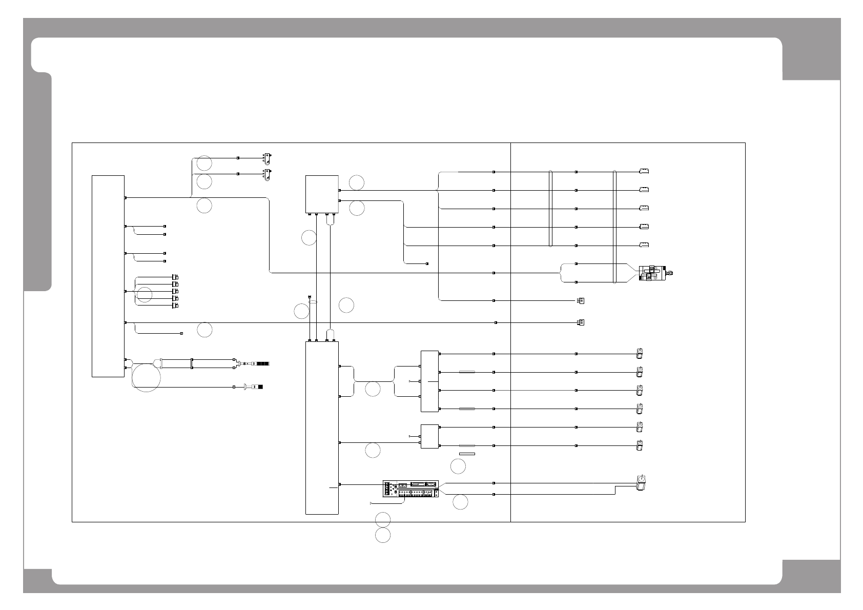
+$1:+$
175
DECAN
S2
Harness Wiring Diagram (6/9)
Belt CB#3
J90831430B
SINGLE CONV (OPTION)
-
SM41_MD015
Belt CB#4
J90831431B
-
SM41_MD016
Belt WB#1
J90831432B
-
SM41_MD017
Belt CB#1
J90831439B
-
SM41_MD013
Belt CB#2
J90831440B
-
SM41_MD014
Belt WB#2
J90831441B
-
SM41_MD018
AM03-003868A
SM421-CV112
PCB-OUT
SECOND
PCB-WORK
PCB-WAIT
PCB-IN
P-UP
P-DN
J90831401C
SM41_CV007
PCB IN(OUT) SENSOR
PCB WAIT(SECOND PLACE) SENSOR
PCB WORK SENSOR
PLACE STOPPER UP/DOWN SENSOR
SECOND PLACE(PCB WAIT) SENSOR
PCB OUT(IN) SENSOR
BUT
BUT HOME
OMRON
EE-1001
+
L
OUT
-
AM03-012630A
SM511_CS051-2
PCB-OUT
SECOND
PCB-WAIT
PCB-IN
PCB-WORK
AM03-003578B
SM421_MD108
CB1
AM03-003582B
SM421_MD110
WB1
AM03-003580B
SM421_MD109
CB3
AM03-003872A
SM421_CV151-1
AM03-003870B
SM421_CV150-1
WD-HOME
WD HOME
OMRON
EE-1001
+
L
OUT
-
AM03-003577B
SM421_AX104-1
AM03-003904B
SM421_MD208
CB2
AM03-003908B
SM421_MD210
WB2
AM03-003906B
SM421_MD209
CB4
WD-HOME-EXT
P-SEN-EXT
WD SERVO MOTOR
-
Ạ⬘䖼
AM03-012631A
SM511_CS111-7
PLACE_SOL
BUT_SOL
EDGE_SOL
ANC1_SOL
CB2-EXT
AM03-012619A
SM511_MD208-1
BUT-SEN-EXT
AM03-012629A
SM511_CS050-1
PUMP-ALARM
CB1-EXT
AM03-012616A
SM511_MD108-1
CB3-EXT
AM03-012617A
SM511_MD109-1
CB4-EXT
AM03-012620A
SM511_MD209-1
WB1-EXT
AM03-012618A
SM511_MD110-1
WB2-EXT
AM03-012621A
SM511_MD210-1
CB12
4 AXIS
CB34
BW12
[AX]
Panasonic AC servo
SET
MODE
WD_PW
AM03-012614A
SM511-MD022-1
WD_EN
AM03-012615A
SM51-MD023-1
X6
AM03-012622A
SM511_PW018
AM03-012623A
SM511_VM005-1
501189-3010
2 AXIS
[AXIO#1]
AM03-012624A
SM511_VM008
AM03-012625A
SM511_VM009
TB1-14A
TB1-16A
TB1-18A
TB1-22A
AM03-012632A
SM511_CS135-1
[CV]
CN21
AM03-012634A
SM511_CV115-2
FAREA-R
SC-J5R-2
CN22
AM03-012635A
SM511_CV115-3
SC-J6R-1
RAREA-E
ANC2_SOL
CN5
CN14
CN15
CN4
CN7
IN SHUTTEL HOME
Y1.2,X1.2 SENSOR
CN17
CN18
CN19
CN23
CN7 CN9 CN10
CN5 CN6 CN7 CN8
AM03-012628A
SM511_CS035-1
PCB IN,WAIT,PCB OUT,SECOND.WORK
BUT,WORK STP,EDGE PUSHER,VAC,BLOW
HD-SOL-EXT
F DUMP BOX
F_DM_BOX
R DUMP BOX
R_DM_BOX
AM03-012636A
SM511_PW147-2
DC24V
DC24V
CN2
CN3
CN2
CN3
CN2
CN3
CN4
CN4
CN1
CN1
CN4
CN5
AM03-012633A
SM511_CS136-1
R-CN10
L-CN10
SM511_CS143(ḩ㟝)
SM511_CS144(ḩ㟝)
SINGLE CONV 㐐 㻈ᴴ
ROBOT CABLE
E3S-LS3N(OMRON)
E3S-LS3N(OMRON)
E3S-LS3N(OMRON)
E3S-LS3N(OMRON)
E3S-LS3N(OMRON)
WTSA10X40-1004WS
2S56Q-01842SR2(새한)
2S56Q-01842SR2(새한)
2S56Q-01842SR2(새한)
2S56Q-01842SR2(새한)
2S56Q-01842SR2(새한)
2S56Q-01842SR2(새한)
PCB-OUT(RL)
CN7
CN13
TOWER LAMP
J4R-3
J4R-4
J9L-3
J9L-4
TW-LP
TW-BZ
J9LJ4R
㵸ⶼ䚔ᶷ
SM511_CV104-2
R ERROR LAMP
R-OW-LAMP
SM511_CV104-1
(ḩ㟝)
SM511_CA202
(ḩ㟝)
2500
1300
1600
1900
2850
1500
1500
1000
1000
1400
PE:700
2550
2550
350
2750
2900
CN21
AXIO#1 B/D 스위치 바꿔야됨
<주의>
(Z상 인텍터 에러발생시)

Page
+$1:+$
176
DECAN
S2
Harness Wiring Diagram (7/9)
In REAR Belt #4
In REAR Belt #3
F PCB In
F PCB Wait
In Front Belt #2
In Front Belt #1
IN-BELT1
IN-BELT2
IN-BELT4
IN-F-IN
IN-F-WT
IN-BELT3
IN CONV (Full Dual Mode)
R PCB In
R PCB Wait
IN-R-IN
IN-R-WT
Exit Rear Belt #4
Exit Rear Belt #3
Exit Front Belt #2
Exit F PCB Out#1
Exit F PCB Out#2
Exit F BOARD Out
Exit Front Belt #1
EX-BELT1
EX-BELT2
EX-BELT3
EXIT CONV(Full Dual Mode)
Exit R PCB OUT#1
Exit R PCB OUT#2
Exit R BOARD OUT
SM511_CS205-1
SM511_CS205-3
SM511_CS205-4
EX-F-OUT1
EX-F-OUT2
EX-F-BD-OUT
EX-R-OUT1
EX-R-OUT2
EX-R-BD-OUT
SM511_CS207-1
SM511_CS207-1
SM511_CS208-1
SM511_CS207-3
SM511_CS208-1
EX-BELT4
SM511_CS208-1
SM511_CS208-1
SM511_CS206-1
SM511_CS206-1
SM511_CS206-1
SM511_CS205-4
SM511_CS209
LONG 㢰⚀ 㻈ᴴ
IN-F-IN
IN-R-IN
IN-R-WT
SM511_CS209
LONG 㢰⚀ 㻈ᴴ
EX-F-OUT2
EX-F-BD-OUT
EX-R-OUT1
EX-R-OUT2
EX-R-BD-OUT
SM511_CS205-1
L-FDU-32P
SM511_CS207-1
R-FDU-32P
SM511_CS206-1
L-FDU-30P
SM511_CS208-1
R-FDU-30P
1
Driver PWR
2
3
4
6
4
3
1
BELT
Motor PWR
/B
B
/A
A
4
3
1
2
컨벡스 회로도
EX-F-OUT1
2
5
1
2
1
Driver PWR
2
3
4
6
4
3
1
BELT
Motor PWR
/B
B
/A
A
4
3
1
2
컨벡스 회로도
2
5
1
2
BS1-CN3
BS1-CN2
MS1-CN3
WS1-CN3
L-CN1
L-CN2
CV-CN15-IN
BS2-CN2
BS2-CN3
MS2-CN3
WS2-CN3
R-CN2
CV-CN15-EXIT
R-CN1
R-CN3
CONV Full Dual (OPTION)
역방향으로 돌기에 컨벡스 Driver 에서 역스위치 변경함
주)
역방향으로 돌기에 컨벡스 Driver 에서 역스위치 변경함
주)
L-CN3
IN-F-BD-OUT
IN-R-BD-OUT
SM511_CS205-1
SM511_CS206-1