DECAN_S2_TRM(Ver2.1_CS17.02) - 第241页
Page +$1:+$ 239 DECAN S2 Conveyor IF Board (2/10) NO. P ART NO. P ART NAME Q'TY Old No. Supply Supply L T Reference 1 AM03-010844B CABLE ASSY -INLINE_IN-OUT_CVIF 1 2 AM03-010847A CABLE ASSY -ANC_SENSOR_FRONT _EXT 1 …

Page
+$1:+$
238
DECAN
S2
Conveyor IF Board (2/10)
1
2
3
4 5 6
7
CN16
SM511_CV106-1
1
3
5
+24V
IN 3.0
GND
AM03-010844B
CV-CN16
1
2
3
4
F-LOOF-FAN
CONVEYOR I/ BD
1
2
3
4
+24V
SIG
GND
-
V1_BASE_150
F LOOF FAN
2
4
6
+24V
IN 3.1
GND
7
9
11
8
+24V
IN 3.2
GND
+24V
10
12
IN 3.3
GND
13
15
17
+24V
IN 3.4
GND
14
16
18
19
+24V
SIG 0X
GND
+24V
21
23
SIG X0
GND
20+24V
22
24
IN 3.7
GND
DF1B-24DS-2.5RC
1
3
5
2
4
6
7
9
11
8
10
12
13
15
17
14
16
18
19
21
23
20
22
24
1
2
3
4
43020-0400
R-LOOF-FAN
1
2
3
4
A1
A2
A3
B1
FANC-EXT
B2
B3
J21DF-06V-KX-L J21DPM-06V-KX
A1
A2
A3
B1
B2
B3
A1
A2
A3
B1
B2
B3
J21DF-06V-KX-L J21DPM-06V-KX
A1
A2
A3
B1
B2
B3
RANC-EXT
+24V
SIG
GND
-
R LOOF FAN
SM511_CV109
AM03-010847A J90831135A
1
2
3
FA-CL
1
2
3
DF1B-3EP-2.5RC
1
2
3
FA-OP
1
2
3
DF1B-3EP-2.5RC
SM511_CV109-2
AM03-010849A
1
2
3
RA-CL
1
2
3
DF1B-3EP-2.5RC
1
2
3
RA-OP
1
2
3
DF1B-3EP-2.5RC
F-ANC
F-ANC
R-ANC
R-ANC
SM33_CV010
CN19
SM511_CV131
1
3
5
+24V
SIGNAL
GND
AM03-010856B
CV-CN19
1
2
3
CRASH-SEN
1
2
3
1
2
3
CRASH-SEN
2
4
6
N.C
N.C
N.C
DF1B-6DS-2.5RC
1
3
5
2
4
6
DF1B-3EP-2.5RC DF1B-3ES-2.5RC
SM511_FL002(4)
AM03-010516A
DF1B-3ES-2.5RC
1
2
3
DF1B-3EP-2.5RC
SM33_CV030
J90831151C
+
L
SIG
-
EE-1001
CRASH SNS
RED
WHITE
BLACK

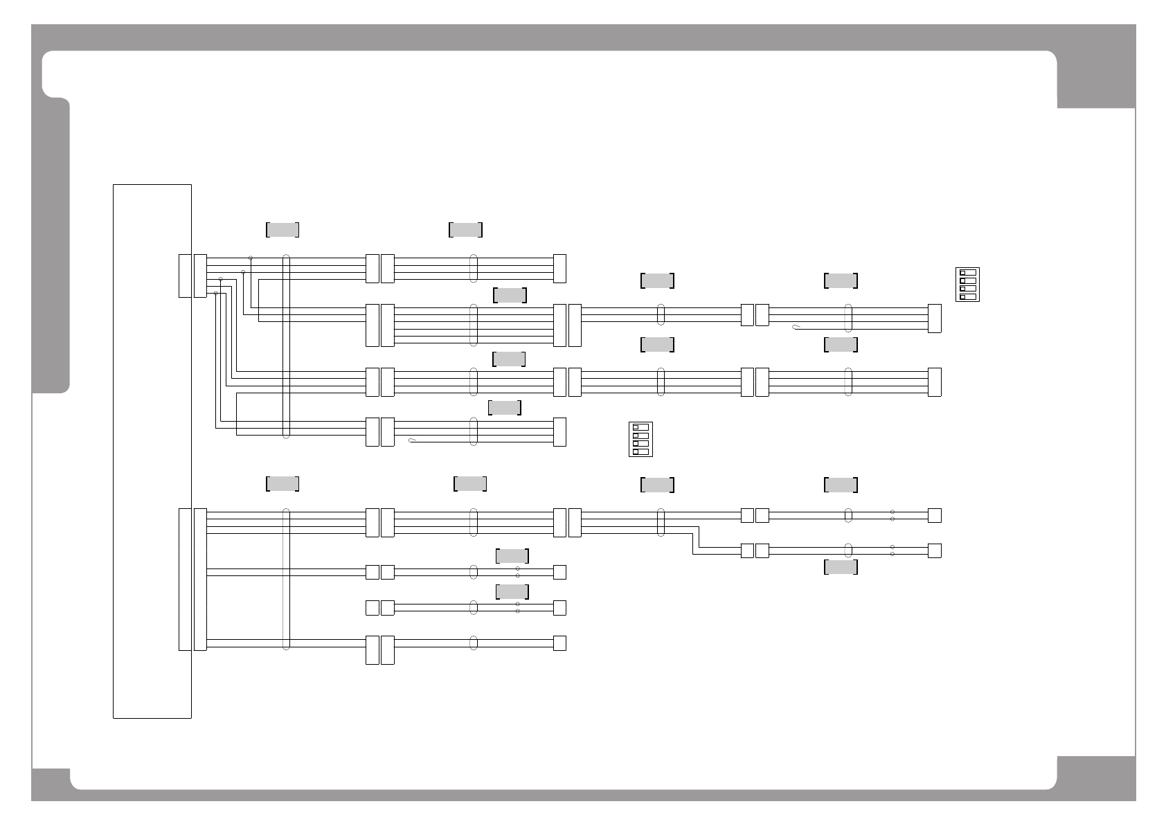
Page
+$1:+$
239
DECAN
S2
Conveyor IF Board (2/10)
NO. PART NO. PART NAME Q'TY Old No. Supply Supply LT Reference
1 AM03-010844B CABLE ASSY-INLINE_IN-OUT_CVIF 1
2 AM03-010847A CABLE ASSY-ANC_SENSOR_FRONT_EXT 1
3 AM03-010849B CABLE ASSY-ANC_SENSOR_REAR_EXT 1 AM03-010849A
4 AM03-010856B CABLE ASSY-CRASH_SENSOR_I-F 1
5 AM03-013439A CABLE ASSY-SM511 FLAT 2 1 AM03-010516C
6 J90831151C CRASH_SENSOR_CABLE_ASSY 1
7 J90831135A ANC_SENSOR_CABLE_ASSY SM33-CV010 1

Page
+$1:+$
240
DECAN
S2
Conveyor IF Board (3/10)
1 3
4
5
6
72
8
9
10
11
13
14
12 15
16
CN21
SM511_CV115
1
3
5
+24V
FASEN
GND
AM03-010851B
CV-CN21
1
2
3
4
FAREA-R
CONVEYOR I/ BD
1
2
3
4
A1
B1
A2
B2
J25MF-06V-K
SC-J5R-2
SC-J10L
2
4
6
+24V
RASEN
GND
1
3
5
2
4
6
DF1B-6DS-2.5RC
DF1BA-4EP-2.5RC
A1
B1
A2
B2
J25MF-04V-K
SC-J6R-1
1
2
3
RAREA-E
1
2
3
A3
B3
A6
B6
A7
B7
A8
B8
A1
B1
A2
B2
SM511_CV202
AM03-010859A
J25DPM-20V-K
A1
B1
A2
B2
J25DPM-20V-K
SC-J11L
A1
B1
A2
B2
J25MF-04V-K
SC-J6R
SM511_CV117-1
AM03-010853B
1
2
3
4
SC-J11L-1 RAREA-R
DF1BA-4EP-2.5RC
1
2
3
4
DF1B-4S-2.5R
SM33_CV018
J90831141A
RAREA_R R_REV
BWP20-12
BROWN
BLACK
BLUE
WHITE
R_REV_AREA SENSOR
4
DF1BA-4EP-2.5RC
4
DF1B-4S-2.5R
SM33_CV018
J90831141A
RAREA_L R_TRN
BWP20-12
BROWN
BLUE
WHITE
BLACK
R_TRN_AREA SENSOR
DIP S/W SETTING
0N
4
3
1
2
REAR AREA SENSOR
REAR AREA SENSOR
J25DPM-20V-K
A6
B6
A7
B7
A8
B8
J25DPM-20V-K
SM511_CV201
AM03-010858A
SC-J5R
A6
B6
A7
B7
A8
B8
SC-J10L-2
J25MF-06V-K
SM511_CV115-1
AM03-010852B
1
2
3
FAREA-E
DF1BA-3EP-2.5RC
DF1B-4S-2.5R
SM33_CV016
J90831139A
F_REV
BWP20-12
BROWN
BLACK
BLUE
WHITE
F_REV_AREA SENSOR
FRONT AREA SENSOR
SM33_CV016
J90831139A
F_TRN
BWP20-12
BROWN
BLUE
WHITE
BLACK
F_TRN_AREA SENSOR
FRONT AREA SENSOR
1
2
3
DF1B-3S-2.5R
DIP S/W SETTING
0N
4
3
1
2
CN5
SM511_CS111
2
4
8
+24V
F ANC SOL
+24V
AM03-010805B
A1
B1
A2
B2
SC-J5R-3
10IN STOP SOL2
J25MF-04V-K J25DPM-20V-K
CV-CN5
7+24V
9
13
15
R ANC SOL
+24V
EXIT STOP SOL2
24-
20
22
+24V
REAR ERROR LAMP
DF1B-24DS-2.5RC
A7
B7
A8
B8
1
2
RANC-SOL
5559-02P
1
2
1
2
EXIT-STP-SOL2
5559-02P 5557-02R
1
2
1
2
3
4
R-OW-LAMP
43020-0400
1
2
3
4
2
4
8
10
7
9
13
15
24
20
22
J25DPM-20V-K
A7
B7
A8
B8
SC-J5R
SM511_CA201
AM03-010794A
SC-J10L
A1
B1
A2
B2
J25MF-04V-K
SM511_CS111-2
AM03-010806B
1
2
SC-J10L-3 FANC-SOL
5559-02P
1
2
IN-STOP-SOL2
5559-02P
SM511_CS111-1
AM03-011605A
1
2
F-ANC-SOL
SY100-30-4A
1
2
5557-02R
RED
BLACK
1
2
IN-STP-SOL2
SY100-30-4A
1
2
5557-02R
RED
BLACK
SM511_CS111-5
AM03-010807B
1
2
R-ANC-SOL
SY100-30-4A5557-02R
RED
BLACK
SM511_CS111-3
AM03-011606A
1
2
EXIT-STP-SOL2
SY100-30-4A
RED
BLACK
SM511_CS111-6
AM03-010808B
R ERROR LAMP
V1+_BASE_343