DECAN_S2_TRM(Ver2.1_CS17.02) - 第254页
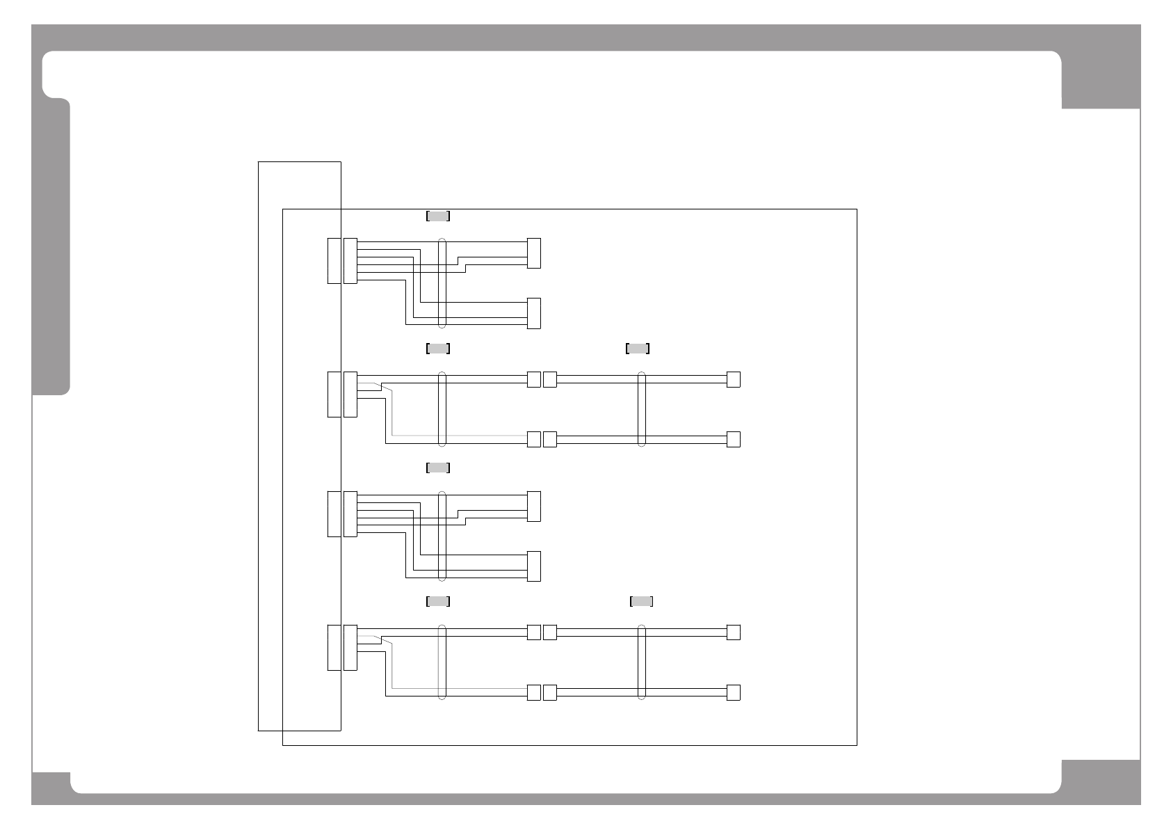
Page +$1:+$ 252 DECAN S2 Conveyor IF Board (9/10) CONVEYOR I/F BD OPTION- DOCKING CART CN23 SM51 1_CV019 1 2 3 AM03-01 1608A + L FDOCK1 4 CV -CN23 5 6 DF1B-6DS-2.5RC 1 2 3 4 5 6 GND FDOCK1 OUT - EE-1001 +24V +24V FRONT D…

Page
+$1:+$
251
DECAN
S2
Conveyor IF Board (8/10)
NO. PART NO. PART NAME Q'TY Old No. Supply Supply LT Reference
1 AM03-012636A CABLE ASSY-PUMP_ALARM_BUT_SENSOR 1
2 AM03-003870B CABLE ASSY-BUT SENSOR EXT 1 AM03-003870A
3 AM03-013055A CABLE ASSY-TOWER_LAMP_J4R 1

Page
+$1:+$
252
DECAN
S2
Conveyor IF Board (9/10)
CONVEYOR I/F BD
OPTION- DOCKING CART
CN23
SM511_CV019
1
2
3
AM03-011608A
+
L
FDOCK1
4
CV-CN23
5
6
DF1B-6DS-2.5RC
1
2
3
4
5
6
GND
FDOCK1
OUT
-
EE-1001
+24V
+24V
FRONT DOCKING CART SENSOR1(전면에서 왼쪽)
+
L
FDOCK2
OUT
-
EE-1001
FRONT DOCKINF CART SENSOR2(전면에서 오른쪽)
FDOCK2
GND
CN10
SM511_CV028
1
2
3
AM03-011610A
1
2
F/D_SOL1
4
CV-CN10
5
6
DF1B-6DS-2.5RC
1
2
3
4
5
6
GND
F/D_CART SOL1
172233-1
+24V
F/D_CART SOL2
1
2
F/D_SOL2
172233-1
1
2
1
2
1
2
K180-4E1-21-DC24V
SM511_CV028
AM03-011610A
172165-1
172165-1
F DOCKING SOL1
1
2
K180-4E1-21-DC24V
F DOCKING SOL2
CN24
SM511_CV020
1
2
3
AM03-011609A
+
L
RDOCK1
4
CV-CN24
5
6
DF1B-6DS-2.5RC
1
2
3
4
5
6
GND
RDOCK1
OUT
-
EE-1001
+24V
+24V
REAR DOCKING CART SENSOR1(전면에서 왼쪽)
+
L
RDOCK2
OUT
-
EE-1001
REAR DOCKINF CART SENSOR2(전면에서 오른쪽)
RDOCK2
GND
CN11
SM511_CV029
1
2
3
AM03-011611A
1
2
R/D_SOL1
4
CV-CN11
5
6
DF1B-6DS-2.5RC
1
2
3
4
5
6
GND
R/D_CART SOL1
172233-1
+24V
R/D_CART SOL2
1
2
R/D_SOL2
172233-1
1
2
1
2
1
2
K180-4E1-21-DC24V
SM511_CV029
AM03-011611A
172165-1
172165-1
R DOCKING SOL1
1
2
K180-4E1-21-DC24V
R DOCKING SOL2
1
2 2
3
4 4

Page
+$1:+$
253
DECAN
S2
Conveyor IF Board (9/10)
NO. PART NO. PART NAME Q'TY Old No. Supply Supply LT Reference
1 AM03-011608B CABLE ASSY-F_DOCKING_CART_SNS 1 AM03-011608A
2 AM03-011610A CABLE ASSY-FRONT_D-CART_SOL 1
3 AM03-011609B CABLE ASSY-R_DOCKING_CART_SNS 1 AM03-011609A
4 AM03-011611B CABLE ASSY-REAR_D-CART_SOL 1 AM03-011611A