P-0213-001.pdf - 第111页
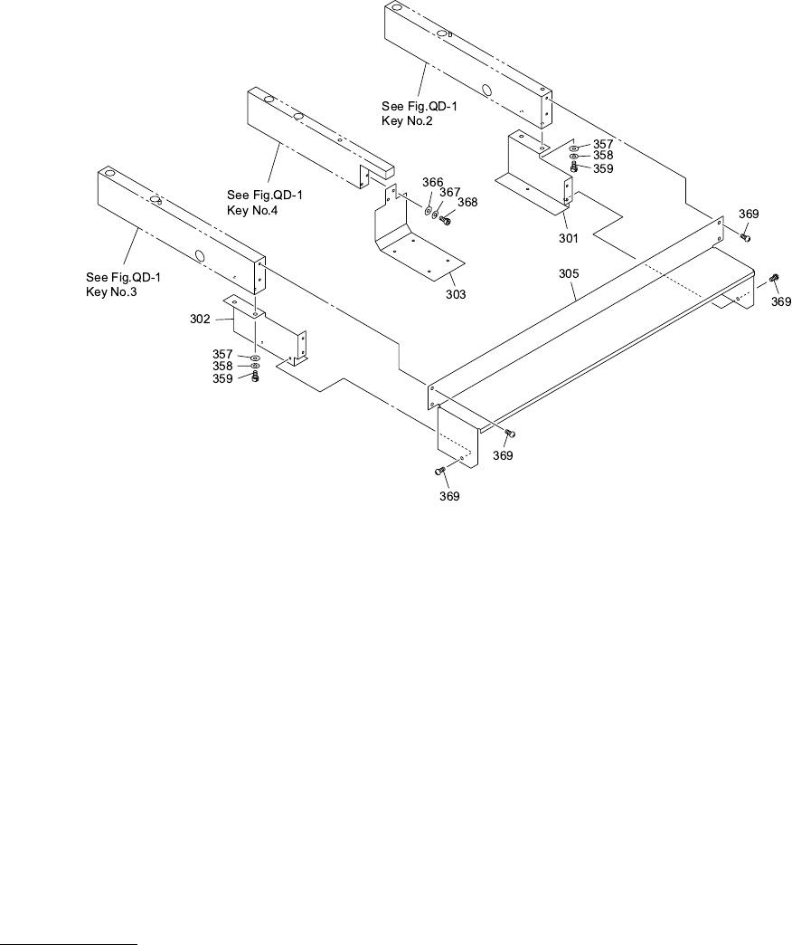
MODEL TIM-5100 0008-001 Key No . P AR T No. P AR T NAME Q’ty REMARKS NOTE QD-4 2 unit/1 machine 30 1 630 083 6486 BRACKET(R) 1 741QD-1 1B-301 30 2 630 083 6493 BRACKET(L) 1 741QD-1 1B-302 30 3 630 083 6509 BRACKET(C) 1 7…

MODEL TIM-5100
0008-001
フィ-ダ-ベ-ス部 FEEDER BASE SECTION
Fig. QD-4 ボックスカバー Box Cover

MODEL TIM-5100
0008-001
Key No. PART No. PART NAME Q’ty REMARKS
NOTE
QD-4 2 unit/1 machine
301 630 083 6486 BRACKET(R) 1 741QD-11B-301
302 630 083 6493 BRACKET(L) 1 741QD-11B-302
303 630 083 6509 BRACKET(C) 1 741QD-11B-303
305 630 087 1456 COVER 1 741QD-11B-305
357 411 141 4305 WASHER V 6X12.5X1.6 4 FW6
358 411 141 3001 WASHER SPR 6 4 SW6
359 630 000 7886 BOLT,HEX-SCT 4 M6X16
366 411 141 4107 WASHER V 5X10X1 2 FW5
367 411 141 6705 WASHER SPR 5 2 SW5
368 630 000 7763 BOLT,HEX-SCT 2 M5X16
369 411 140 8007 SCR TRS 5X6 6 M5X6 TRS

MODEL TIM-5100
0008-001
フィ-ダ-ベ-ス部 FEEDER BASE SECTION
Fig. QD-5 フィ-ダ-ベ-ス Feeder Base