OM-1755-001w_GS-F600.pdf - 第114页

OM-1755 3-18 [5] [ 返回 ] 按钮 返回到 “ 补正值数据 ” 界面。 [6] [ 适用 ] 按钮 适用输入的数据。 [取 消]按 钮 取消输入的数据,返回到保存的数据。 1305-001 2.1 补正 ( 补正值 ) 数据

100%1 / 184
OM-1755
3-171305-001
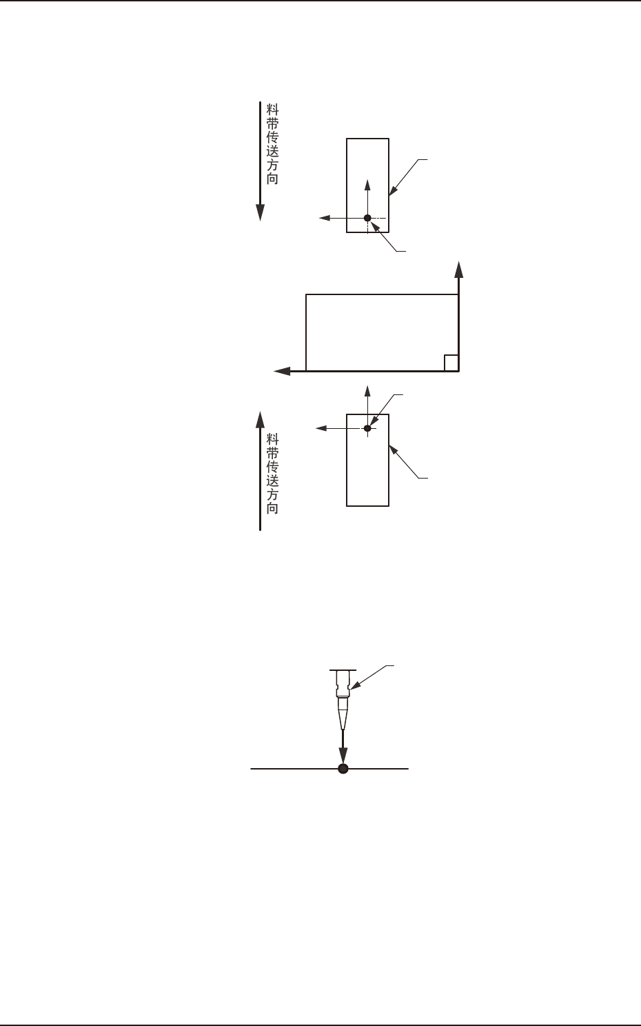
[2] X( )、Y( )[mm]
是调整对于各送料器编号的送料器吸取位置设计尺寸的位置偏差的补
正值数据。
F211
F111
背面送料器
正面送料器
装置前侧
Y(+)
X(+)
吸取位置
吸取位置
FC17
[3] L( )[mm]
吸取基准水准
吸嘴
L(+)
FC18
在补正值设定
+
值时,吸取高度作用于吸嘴下降冲程量增加的方向。
[4] 模块选择
选择设置有多段供料器的模块。
2.1 补正 ( 补正值 ) 数据
OM-1755
3-18
[5] [ 返回 ] 按钮
返回到
补正值数据
界面。
[6] [ 适用 ] 按钮
适用输入的数据。
[取消]按
取消输入的数据,返回到保存的数据。
1305-001
2.1 补正 ( 补正值 ) 数据
OM-1755
3-19
2.1.2 单元补正 ( 补正值 )
补正值数据
选项卡中,按
单元补正
Tab,再按
多段供料器
Tab,
便显示以下选项卡。
[1]
[2]
[3]
[4]
多段供料器
选项卡 ( 使用多段供料器 1) FC19
Note
界面显示根据所选的选项而不同。
[1] 料盘拉钩取出位置
是根据料盘拉钩轴调整托盘拉出位置的数据。
料盘拉钩 [mm]
拉出托盘时,料盘拉钩轴将加进此补正值移动。
X( )[mm]
加算到吸取元件时的横梁移动量。
Y( )[mm]
加算到吸取元件时的横梁移动量。
[2] 料盘拉钩滑道水准
L( )[mm]
是调整托盘拉出滑道高度的补正值数据。设置的高度低于设计高度时,
输入的补正值符号为
+
[3] 料盘拉钩爪 Chuck(吸盘)位置
料盘拉钩爪轴 [mm]
是调整吸盘位置的补正值数据。
1305-001
界面展开
2.1 补正 ( 补正值 ) 数据