OM-1755-001w_GS-F600.pdf - 第168页
OM-1755 5-16 G5S 多段供料器 料盘拉钩 M 1305-001-(1015WB---1001) G5S 多段供料器 料盘拉钩 M 1 2 3 4 5 6 7 8 A B C D E F 1 2 CN1 X0101 X30 L1 10 :1 A module (12Pins) X30A :2 4 5 CN2 X0102 2 1 3 CAN H CAN L GND 24V SD A3 A2 B2 A1 B1 W V (BK) …

5OM-1755
5-151305-001-(1015WA---1002)
G5S 多段供料器安全电路模块图
G5S 多段供料器 安全电路模块图
1 2 3 4 5 6 7 8 9 10 11 12
A
B
C
D
E
F
G
H
51
52
A1
A2
11
42
21
22
51
52
A1
A2
31
32
1241
K301
CN1
A03
CN3
CN5
M03
3
M
51
52
A1
A2
T11
T12
T21
T22
K201
CN1
A02
CN3
CN5
M02
3
M
CN1
A01
CN3
CN5
M01
3
M
K002
T31
T32
2423
K508
K509
K507
1413
A1
T11
T12
T21
T22
K001
T31
T32
2423
1413
A1
A2
K503
K502
K3
44
43
T31
T32
K22
24A2
A2
10A
445
CN7
CN7
CN7
Machine Side
Tray Side
K101
11
42
21
22
31
32
1241
11
42
21
22
31
32
1241
K512
K513
K513
K513
K512
K508
K507
K504
Q101
UB95-1
UB95-4
P-ON0
421
S0502(Upper)
Power To Lock
Safety Switch
Rock Contact
Open/Close Contact
Open/Close Contact
Open/Close Contact
Rock Contact
S0503(Magazine)
Power To Lock
Safety Switch
Rock Contact
Open/Close Contact
Open/Close Contact
Open/Close Contact
Rock Contact
S0503(Lower)
Power To Lock
Safety Switch
Rock Contact
Open/Close Contact
Open/Close Contact
Open/Close Contact
Rock Contact
Safety Relay
Check the Solvent
The welding check for TV or EV is
performed on the multi-layer tray side.
Emergency Stop Detection
Safety Relay
Check the Solvent
I/O PCB
Input
Input
Input
Input
Input
Input
Input
Input
Input
Output
Output
Output
Safety Relay
Check the Solvent
EV2 Main Power ON
EV2(Upper)
EV1 Main Power ON
EV1(Lower)
TV
TV Main Power ON
For Check the Solvent
For Check the Solvent
AC200V(Single-Phase)

OM-1755
5-16
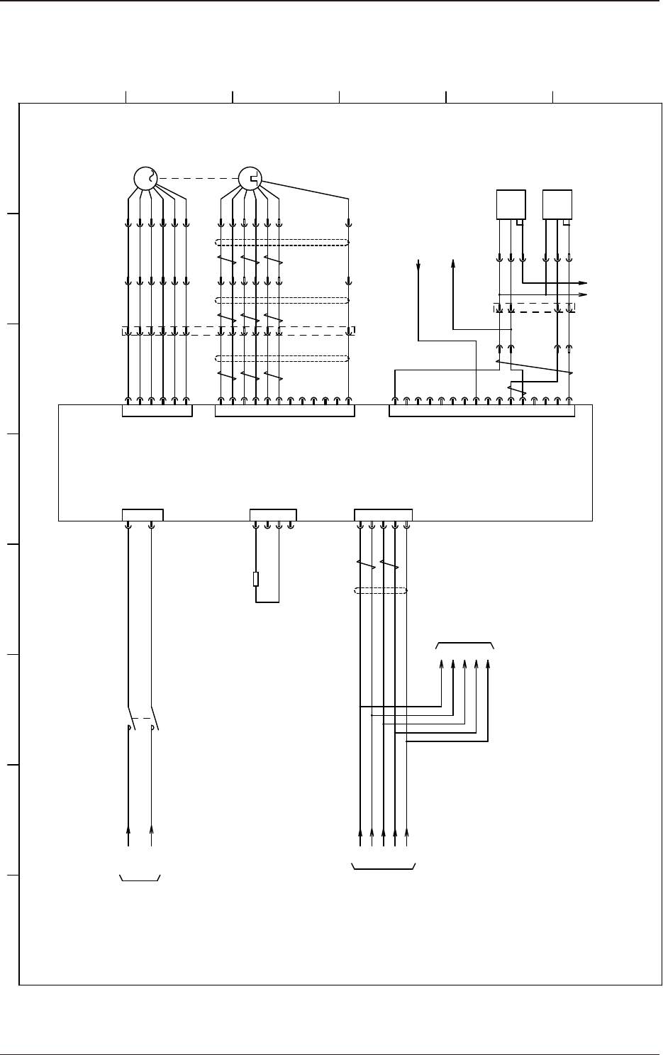
G5S 多段供料器 料盘拉钩 M
1305-001-(1015WB---1001)
G5S 多段供料器 料盘拉钩 M
1 2 3 4 5 6 7 8
A
B
C
D
E
F
1
2
CN1
X0101
X30
L110
:1
A module
(12Pins)
X30A
:2
4
5
CN2
X0102
2
1
3
CAN H
CAN L
GND
24V
SD
A3
A2
B2
A1
B1
W
V
(BK)
U
FG
CN3
X0103
B3(BK)
M01
TV-Axis
SSG
A2
B1
A3
A1
B2
S1
S4
R1
S2
S3
CN5
X0105
B3R2
A6
B5
NC
NC
B6
GND(SD)
M01
:A1
:A2
:A3
:B1
M01P
:A1
:B1
:A2
:B2
:A3
:B3
(MOTOR)
:B2
:B3
A5
B4
A4NC
NC
NC
:B6
3
2
5
1
4
AIN
F-PLS+
GND(COM-)
R-PLS-
CN7
X0107
6F-PLS-
8
7
AUX
GND
9
C-RST
10
12
11
F-LMT
R-LMT
13
SV-ON
15
14
ALM
INP
16
+24V(COM+)
R-PLS+
RST
(I/O)
3
M
(MAIN PWR)
(SV-NET)
A01
Servo Motor Driver
TV
Q206
AC200V
[B-/07/3C] or
L210
L151
AC200V
A02:EL1
[B-/02/2B]
K201
X0202
A02:EL1
[B-/02/2D]
:2
:5
:4
:1
:3
L110
L210
L351
AC200V
A03:EL2
[B-/03/2B]
K301
X15012(CN12):1
[B-/08/3C]
B0102
:3
:2
:1
+
OUT
-
青
黒
茶
X10107
:1
:2
:3
K101
2
4
Q101
L310
L150
L350
1
3
[B-/07/3C] or
[B-/08/3C]
D module
(12Pins)
X30D
:10
:12
:11
SV-NET
24G
[B-/13/4D]
10
CAN H
CAN L
SD
XSV
U150(STLT ILB TV)
B0102
Elevator Rear Magazine Section
Senser Laod poewr
Limit(-)
EV Side
Emergency Stopka(TV)

5OM-1755
5-171305-001-(1015WB---1002)
G5S 多段供料器 升降机 1( 下 )M
G5S 多段供料器 升降机 1( 下 )M
1 2 3 4 5 6 7 8
A
B
C
D
E
F
1
2
CN1
X0201
L150
2
5
CN2
X0202
CAN H
CAN L
SD
24G
10
4
1
3
CAN L
CAN H
SD
24V
GND
A3
A2
B2
A1
B1
W
V
(BK)
U
FG
CN3
X0203
B3(BK)
M02
EV1-Axis
SSG
A2
B1
A3
A1
B2
S1
S4
R1
S2
S3
CN5
X0205
B3R2
A6
B5
NC
NC
B6
GND(SD)
M02
M02P
:A1
:B1
:A2
:B2
:A3
:B3
(MOTOR)
A5
B4
A4NC
NC
NC
:B6
3
2
5
1
4
AIN
F-PLS+
GND(COM-)
R-PLS-
CN7
X0207
6F-PLS-
8
7
AUX
GND
9
C-RST
10
12
11
F-LMT
R-LMT
13
SV-ON
15
14
ALM
INP
16
+24V(COM+)
R-PLS+
RST
(I/O)
3
M
(MAIN PWR)
(SV-NET)
A02
Servo Motor Driver
EL1
L350
X0302
A03:EL2
[B-/03/3D]
:2
:5
:4
:1
:3
1
4
CN6
X0206
2
3
RG1
DB1
RG2
DB2
:2
:5
:4
:1
:3
X0102
A01:TV
[B-/01/4D]
80W 30Ω
AC200V
[B-/01/4B]
L152
K201
1 2
3 4
L352
:A1
:A2
:A3
:B1
:B2
:B3
X35
:1
:2
:3
:4
:5
:6
:13
:14
:15
:16
:17
:18
:25
XM02
:A1
:A2
:A3
:A4
:A5
:A6
XM02
:B1
:B2
:B3
:B4
:B5
:B6
:B7
A03
X10307:3ヘ
[B-/03/7F]
U150(STLT ILB TV)
X15013(CN13):1 [B-/07/2A]
X35
:61
:65
:63
:62
:3
X10207
:2
:4
OUT
-
L
+
:2
XB0202
:3
:1
B0202
OUT
-
L
+
:2
XB0201
:3
:1
B0201
:3:1XB0302
[B-/03/7E]
X10207
:1
Regenerative Resistor
Limit(+)
Magazine Up/Down
Access Check
EL1 Emergency Stop