OM-1755-001w_GS-F600.pdf - 第171页

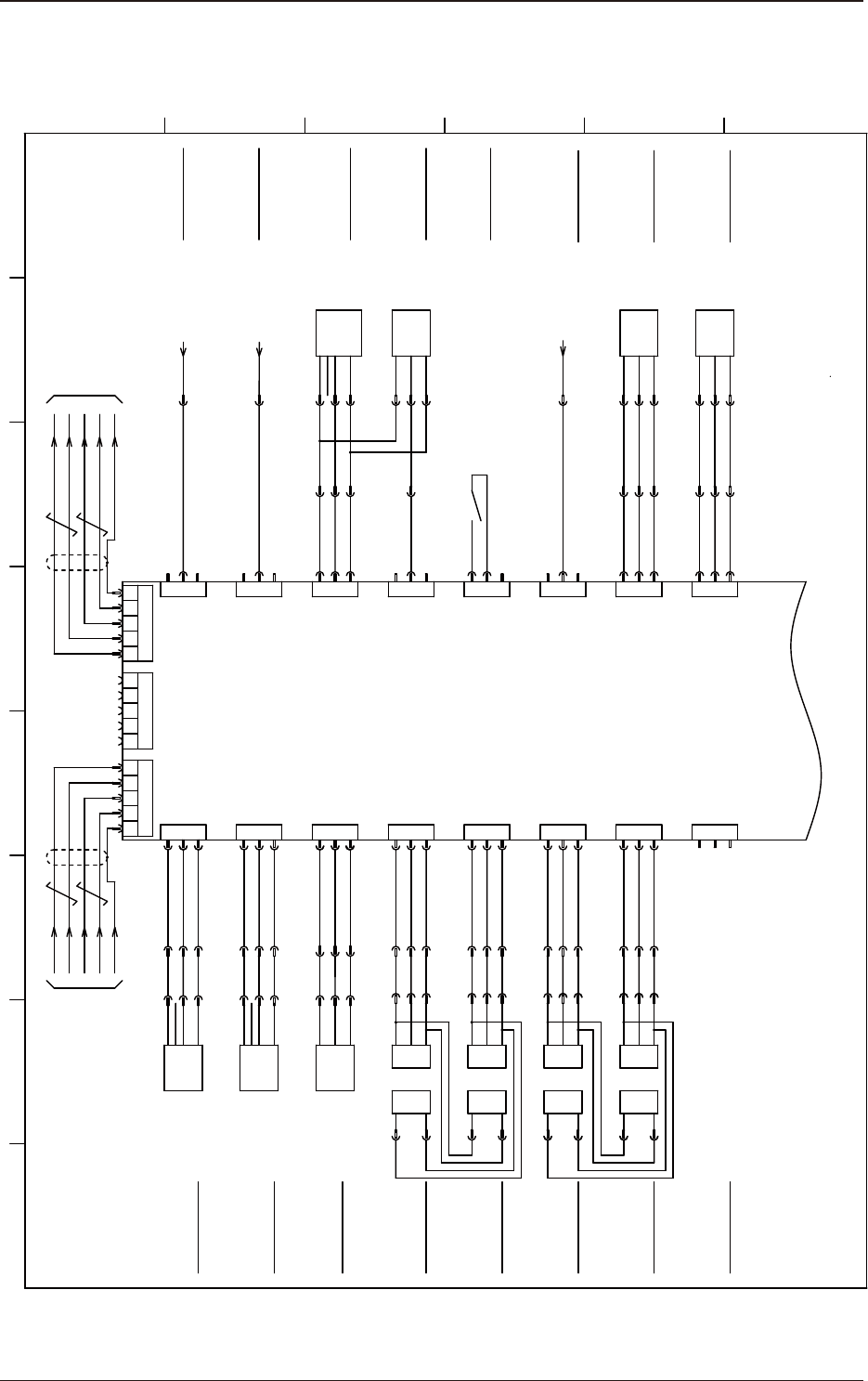
5OM-1755 5-19 1305-001-(1015WB---1004) G5S 多段供料器 电源部 G5S 多段供料器 电源部 1 2 3 4 5 6 7 8 9 10 11 12 A B C D E F G H X30 A module (12Pins) :3 :4 24 13 23 T32 T31 T22 T12 T 11 T21 A1 14 A2 :5 S0501 41 42 S0503 11 12 21 22 K201 A…

100%1 / 184
OM-1755
5-181305-001-(1015WB---1003)
G5S 多段供料器 升降机 2( )M
G5S 多段供料器 升降机 2( )M
1 2 3 4 5 6 7 8
A
B
C
D
E
F
1
2
CN1
X0301
L150
2
5
CN2
4
1
3
CAN L
CAN H
SD
24V
GND
A3
A2
B2
A1
B1
W
V
(BK)
U
FG
CN3
B3(BK)
A2
B1
A3
A1
B2
S1
S4
R1
S2
S3
CN5
B3R2
A6
B5
NC
NC
B6GND(SD)
(MOTOR)
A5
B4
A4NC
NC
NC
3
2
5
1
4
AIN
F-PLS+
GND(COM-)
R-PLS-
CN7
6F-PLS-
8
7
AUX
GND
9C-RST
10
12
11
F-LMT
R-LMT
13SV-ON
15
14
ALM
INP
16
+24V(COM+)
R-PLS+
RST
(I/O)
(MAIN PWR)
(SV-NET)
A03
Servo Motor Driver
EL2
L250
1
4
CN6
X0306
2
3
RG1
DB1
RG2
DB2
80W 30Ω
AC200V
[B-/01/4C]
L153
K201
1 2
3 4
L353
X0302
:2
:5
:4
:1
:3
X0202
A02:EL1
[B-/02/4E]
R03
120Ω
X0303
M03
EV2-Axis
SSG
X0305
M03
M03P
:A1
:B1
:A2
:B2
:A3
:B3
:B6
X0307
3
M
A02
[B-/02/7E]
X15014(CN14):1 [B-/07/2B]
:A1
:A2
:A3
:B1
:B2
:B3
X35
:7
:8
:9
:10
:11
:12
:19
:20
:21
:22
:23
:24
:36
XM03
:A1
:A2
:A3
:A4
:A5
:A6
XM03
:B1
:B2
:B3
:B4
:B5
:B6
:B7
X10307
:2
X35
:64
:3
OUT
-
L
+
:2
XB0302
:3
:1
B0302
+24V GND
[B-/02/7F]
U150(STLT ILB TV)
CAN H
CAN L
SD
24G
10
Emergency Stop(EL2)
Regenerative Resistor
Terminal Resistor
X10207:from 3
Limit-
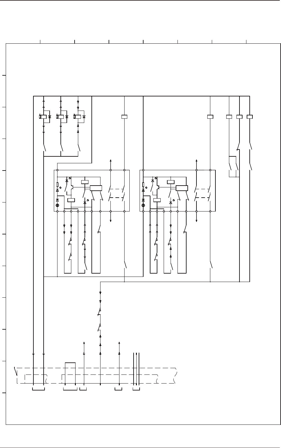
5OM-1755
5-191305-001-(1015WB---1004)
G5S 多段供料器 电源部
G5S 多段供料器 电源部
1 2 3 4 5 6 7 8 9 10 11 12
A
B
C
D
E
F
G
H
X30
A module
(12Pins)
:3
:4
24
13
23
T32
T31
T22
T12
T11
T21
A1
14
A2
:5
S0501
41 42
S0503
11 12
21 22
K201
A1 A2
K503
2 6
K301
A1 A2
K504
3 7
K201
21 22
K301
21 22
K101
A1 A2
K502
1 5
S0501
S0502
S0503
24
13
23
T32
T31
T22
T12
T11
T21
A1
14
A2
U151 U151
U151 U151
:6
U150(ILB TV)
X15043(CN43):2
[B-/05/2B]
PWRTH
K1 K2
Circuit
Control
K2
K2
K1
K1
K2
K1
K001
K002
10A
24A2
(12Pins)
[B-/06/2C] [B-/06/2C]
[B-/06/2D] [B-/06/2D]
10B
10B
S0503
41 42
K509
3 4
K508
3 4
K507
3 4
:1
:3
[D-/22/4F]:(2)
K513
6 5
K101
21 22
K512
8 1
K513
3 4
K513
8 1
K512
3 4
[D-/12/4E]:(1)
[D-/22/4E]:(2)
[D-/12/4F]:(1)
[D-/22/8E]:(2)
[D-/12/8E]:(1)
S0501
11 12
K507
S0501
5 6
A1 A2
A1 A2
A1 A2
S0502
41 42
S0502
11 12
21 22
K508
S0502
5 6
PWRTH
K1 K2
Circuit
Control
K2
K2
K1
K1
K2
K1
X35
:55
X35
:56
X35
:39
:40
:42
X35
:41
X35
:49
:50
:52
X35
:51
X35
:37
X35
:38
:43 :44
:53 :54
U150(ILB TV1)
X15011(CN11):1
[B-/07/2C]
:4
[D-/22/8E]:(2)
[D-/12/8E]:(1)
:4
:2
XTB1
:1
:3
XTB1
:5
X1S05
:B7
X1S05
:B8
X1S05
:A3
:A4
:A6
X1S05
:A5
X1S05
:B1
:B2
:B4
X1S05
:B3
X1S05
:A1
X1S05
:A2
:A7 :A8
:B5 :B6
D module
XTB1
XTB1
XTB1
P-ON
P-ON3 P-ON4
P-ON2
P-ON1
P-ONEL1
P-ONEL2
P-ON0
450
450
:7
:8
:9
:9
:2
:3
XACV
(SG)
(SD)
(RD)
ACV IDCtrOPRS-232C
Insert the noise cancellation circuit in the input section.
Input Delay Time: 300µs to 450µs
EV2 Main Circuit Power Supply ON
TV Main Circuit Power Supply ON
X15137For1
X15136For1
External Unit Connecting Bundled Connector
DC Load Power
Full-layer Tray
Connection Check
Feeder Base Interlock
Multi-layer Tray Power Supply
Emergency Stop Detection
ACV Tag Antenna (OP)
(Magazine)
Safety Door Switch
Safety Door Switch (Lower)
X151236 : For 2
X15137For 2
Safety Door Switch (Upper)
Safety Door Lock : Lower
Safety Door Lock : Upper
Safety Door Lock : Magazine
EV1 Main Circuit Power Supply ON
OM-1755
5-201305-001-(1015WB---1005)
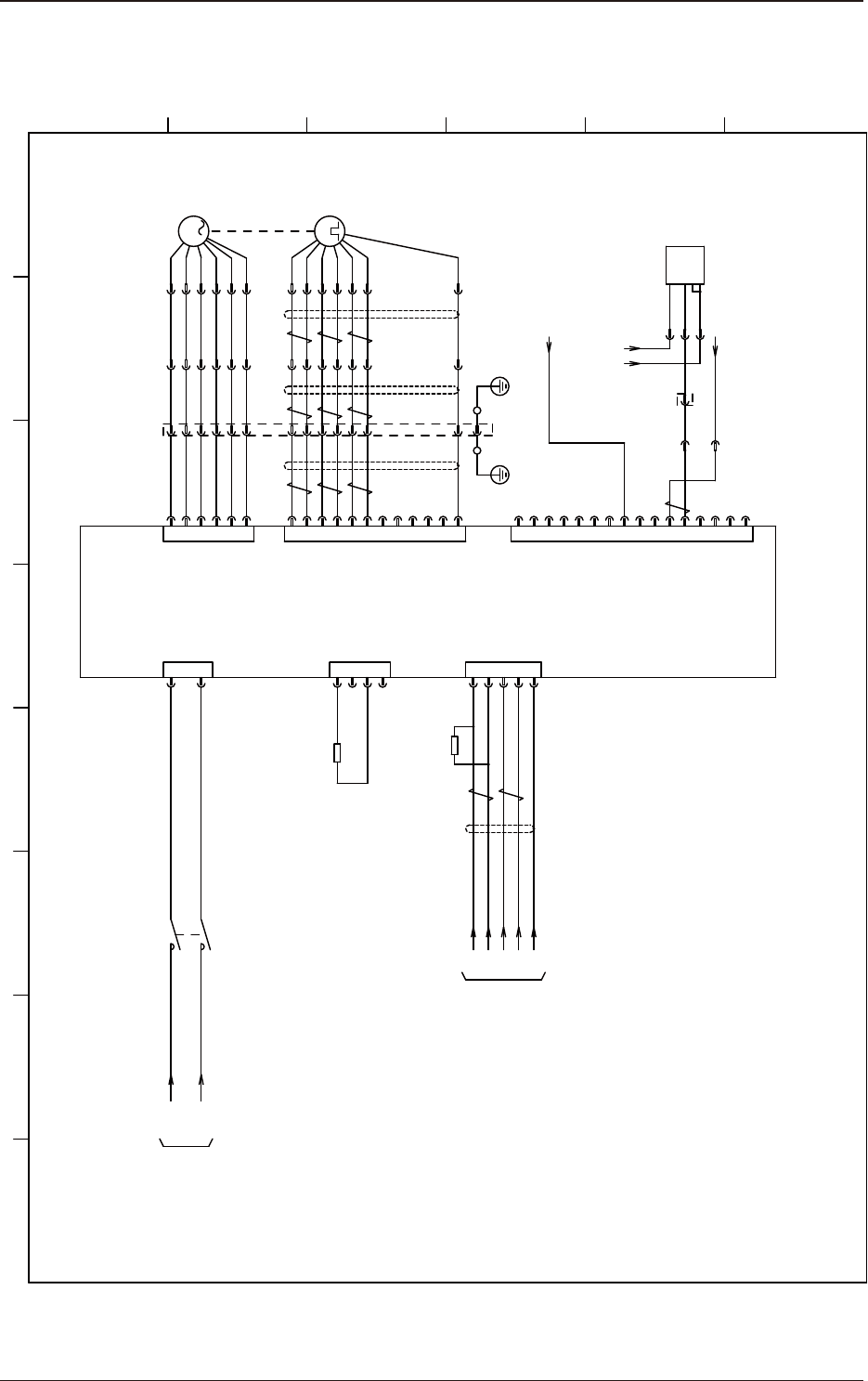
G5S 多段供料器 料盘拉钩 ILB IN1
G5S 多段供料器 料盘拉钩 ILB IN1
1 2 3 4 5 6 7 8
A
B
C
D
E
F
RX
RX
TX
TX
SG
CN30
CN31
CN32
CN33
CN34
CN35
CN36
CN37
4
SG
TX
TX
RX
RX
1
2
3
3
2
1
3
2
1
3
2
1
1
2
3
1
2
3
1
2
3
3
2
1
CN45
CN44
CN43
CN42
CN41
CN40
CN39
CN38
1
2
3
3
2
1
3
2
1
3
2
1
1
2
3
1
2
3
1
2
3
3
2
1
Shielded Shielded
X15032
X15030
X15031
X15041
:1
:2
:3
:6
:4
X30C
U69 Feeder IO
[B-/13/4D]
ILB_TV1
U150
10
24G
10
24G
10
24G
B15032
-
OUT1
+
B15032
:1
:2
:3
B15030
-
OUT1
+
B15030
:1
:2
:3
OUT2
B15031
-
OUT1
+
OUT2
[B-/08/3A]
X35
:66
:67
:68
:4
:1
:2
:3
:6
X15101(CN1)
U151(ILB TV2)
B15041
:3
:2
:1
B15041
+
OUT1
-
4
6
3 2
1
1
2
3
6
X15001 X15002
RX
RX
TX
TX
SG
4
1
2
3
6
CN2(DN)CN3(T)
CN1(UP)
X15212
[B-/10/2B]
U152(ILB EL1)
X15213
[B-/10/2C]
U152(ILB EL1)
:48
:1
:1
X15038
X15039
X35
X15042
K101
5 6
X15033
X15034
:3
:2
:1
:3
:2
:1
+
OUT
-
:3
:2
:1
B15033
+
OUT
-
B15033
B15033T
-
+
-
+
:1
:2
:2
:1
B15033T
:2
:1
10
24G
10
24G
10
24G
X15035
X15036
B15034
B15034
B15034T
B15034T
B15035
B15035T
+
OUT
--
+
B15035
B15035T
:3
:2
:1
:2
:1
10
24G
B15036
B15036T
+
OUT
--
+
B15036
B15036T
Pass Line
10
24G
X15040
B15040
-
OUT2
+
B15040
:1
:2
:3
OUT1
X15043
-X30D:6
[B-/04/4C]
X15045
10
24G
B15045
-
OUT
+
B15045
:1
:2
:3
X15044
10
24G
B15044
-
OUT
+
B15044
:1
:2
:3
OP
B15031
:1
:2
:3
TV-TOP
:1
:2
:3
TV-TOP
:4
:5
:6
TV-TOP-L
:7
:8
:9
TV-TOP-R2
:1
:2
:3
TV-TOPL
:10
:11
:12
TV-TOP-R2
:4
:5
:6
:47
X35
:5
XTB1
TV-TOPR1
:1
:2
:3
:4
TV-BACK
:A9
:A10
:A11
TV-BACK
:A1
:A2
:A3
Tray Interlock Detection L
Ejected Pallet Detection
Pick-up Error Component
Detection Down (12mm)
Pick-up Error Component
Detection Down (20mm)
Pick-up Error Component
Detection Down (24mm)
Pick-up Error Component
Detection Down (30mm)
Pick-up Error Component
Detection Down (35mm)
Main Machine/TV Bundled Connector
EV1(Lower)Inter Lock Signsl
BL
BK
W
BW
BL
BK
BW
BL
BW
Tray Interlock Detection R
BL
BW
BL
BW
BL
BW
BL
BK
BW
BL
BK
BW
BL
BK
BW
BL
BK
BL
BK
W
BW
BW
BL
BK
BW
BL
BK
BW
BL
BK
OR
BW
BL
BK
BW
EV1(Upper)Inter Lock Signsl
Feeder Pick-up Error
Component Detection
Feeder Disangaged
Latch Detection
TV Main Power
Detection
Main Emergency Stop
Detection
EV Unit Clamp Cylinder L
( Cylinder Side)
EV Unit Clamp Cylinder R
( Cylinder Side)