P-0186-003 - 第154页
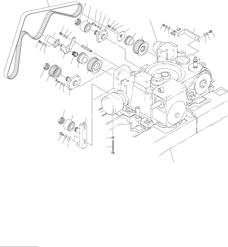
MODEL TCM-X1 10 0507-002 152 ヘッド駆動部 HEAD DRIVING SECTION Fig. K-1 メイン駆動部 Main Driver 26 33 32 31 20 19 17 16 18 8 9 7 6 12 1 1 10 47 22 17 46 45 44 17 16 21 See Fig.B-1 Key No.1 See Fig.L-1 Key No.12 25 24 23 43 28 5 3 2…

Key No. PART No. PART NAME Q’ty REMARKS
NOTE
MODEL TCM-X110
0306-001
151
JE-6
551 630 110 3778 ASSY,CORD (X100J10) 1 XNC184,185,188,182,183-
809JE-010-551
552 630 091 3576 ASSY,CORD X200J11 1 XNC183- 809JE-010-552
553 630 091 3583 ASSY,CORD X200J12 1 XNC182- 809JE-010-553
554 630 110 3785 ASSY,CORD (X100J14) 1 XNC184- 809JE-010-554
555 630 110 3792 ASSY,CORD (X100J19) 1 XNC188- 809JE-010-555
559 630 091 3682 ASSY,CORD X200J20-1 1 XNC181- 809JE-010-559
560 630 110 3808 ASSY,CORD (X100J20-3) 1 XNC181-MPM14 809JE-010-560
562 630 091 3712 ASSY,CORD X200J20-4 1 XNC180- 809JE-010-562
563 630 091 3729 ASSY,CORD X200J20-5 1 XNC180-MPM18 809JE-010-563
564 630 091 3736 ASSY,CORD X200J20-6 1 XNC186- 809JE-010-564
565 630 110 3808 ASSY,CORD (X100J20-3) 1 XNC186-MPM19 809JE-010-565
568 630 091 3798 ASSY,CORD X200J23 1 XCN121- 809JE-010-568
569 630 091 3811 ASSY,CORD X200J25 1 XNC187-XCN163 809JE-010-569
570 630 091 3804 ASSY,CORD X200J24 1 XNC187- 809JE-010-570
571 630 086 8197 CORD 1 XCN123-XCN122 809JE-010-571
572 630 092 4381 ASSY,CORD (X200PG XYTR) 1 XCN165-XCN164 809JE-010-572
574 630 092 4152 ASSY,CORD (X200MOT X) 1 809JE-010-574
575 630 086 8203 CORD 1 -XCN126 809JE-010-575

MODEL TCM-X110
0507-002
152
ヘッド駆動部
HEAD DRIVING SECTION
Fig. K-1
メイン駆動部
Main Driver
26
33
32
31
20
19
17
16
18
8
9
7
6
12
11
10
47
22
17
46
45
44
17
16
21
See Fig.B-1
Key No.1
See Fig.L-1
Key No.12
25
24
23
43
28
5
3
2
1
4
15
30
14
13
39
38
37
35
36
40
41
34
42

Key No. PART No. PART NAME Q’ty REMARKS
NOTE
MODEL TCM-X110
0306-001
153
1 630 097 9725 PULLEY,TIMING 1 809K--010-001
2 630 049 0053 MECH PARTS(MECHA LOCK) 1 809K--010-002
3 630 090 9746 COUPLING 1 809K--010-003
4 630 092 5654 HOLDER 4 809K--010-004
5 630 092 5661 PLATE 1 809K--010-005
6 411 141 4305 WASHER V 6X12.5X1.6 4 809K--010-006
7 411 141 3001 WASHER SPR 6 4 809K--010-007
8 630 000 7886 BOLT,HEX-SCT 4 809K--010-008
9 630 006 1130 UNIT,I/O 1 3F88L-RS-17 809K--010-009
10 411 141 4008 WASHER V 4X9X0.8 4 809K--010-010
11 411 141 2905 WASHER SPR 4 4 809K--010-011
12 630 000 7633 BOLT,HEX-SCT 4 809K--010-012
13 630 097 9732 PULLEY,TIMING 1 809K--010-013
14 630 049 0060 MECH PARTS(MECHA LOCK) 1 809K--010-014
15 630 092 5678 SHAFT 1 809K--010-015
16 630 048 9293 BEARING,UNIT 2 809K--010-016
17 630 049 0138 NUT 3 809K--010-017
18 411 141 4305 WASHER V 6X12.5X1.6 6 809K--010-018
19 411 141 3001 WASHER SPR 6 6 809K--010-019
20 630 000 7886 BOLT,HEX-SCT 6 809K--010-020
21 630 092 5685 SHAFT 1 809K--010-021
22 630 097 9794 PULLEY,TIMING 1 809K--010-022
23 630 001 0251 WASHER 2 809K--010-023
24 411 141 3209 WASHER SPR 10 2 809K--010-024
25 630 000 8135 BOLT,HEX-SCT 2 809K--010-025
26 630 119 8095 BELT,TIMING 1 809K--010-026
28 630 093 1419 BOLT,HEX-SCT 1 809K--010-028
30 630 093 9217 DISK 1 809K--010-030
31 411 141 4008 WASHER V 4X9X0.8 1 809K--010-031
32 411 141 2905 WASHER SPR 4 1 809K--010-032
33 630 000 7619 BOLT,HEX-SCT 1 809K--010-033
34 630 092 5708 BRACKET 1 809K--010-034
35 630 032 5287 SENSOR,PHOTO 1 BPH54,EE-SX672 809K--010-035
36 630 000 0269 SENSOR,PHOTO(CONNECTOR) 1 EE-1001 809K--010-036
37 411 119 1909 WASHER V 3X7X0.5 2 809K--010-037
38 411 086 4408 WASHER SPR 3 2 809K--010-038
39 411 042 0703 SCR PAN 3X8 2 809K--010-039
40 411 141 4107 WASHER V 5X10X1 2 809K--010-040
41 411 141 6705 WASHER SPR 5 2 809K--010-041
42 630 000 7763 BOLT,HEX-SCT 2 809K--010-042
43 411 141 1106 NUT HEX 10 1 809K--010-043
44 630 092 6194 SHAFT 1 809K--010-044
45 411 141 4305 WASHER V 6X12.5X1.6 6 809K--010-045
46 411 141 3001 WASHER SPR 6 6 809K--010-046
47 630 000 7886 BOLT,HEX-SCT 6 809K--010-047
K-1