Detailed Circuit Diagram Folder SIPLACE F5 - 第26页
1 Detailed Circuit Diagr ams 26 I IC-Z Pick&Place head / Z- axis 8 1 X4am Track B 8 10 Track N X1am 9 16 19 22 +15V -15V 31 33 29 17 18 3 2 Track A Track B Track N X5am 3 4 6 5 M T wh bl rd swrt (Cab le) F452 -W 2 M-…

1 Detailed Circuit Diagrams 25
I
IC-DR Pick&Place head / DR-axis
nom
+ 15 V
12c
14a
V
Ia-Monitor16a
4
3
IC-dr-axis servo amplifier
9 13
00320854-xx
00322265-xx
(Cable)
16
31
10
16
31
10
GND
T
T
GND
X20aa
Gantry
00321190-xx
conversion board
(aa)
(ac)
20
23
26
X1am
8
X3am
4
+5V
gr
wh
nom. values
IC-dr axis
14
13
12
11
10
9
8
7
6
5
4
3
2
X4uc
1
2
9
8
6
5
3
X3uc
IC-dr axis,
axis tracks
Axis rear panel A29 (uc)
00321336-xx
Control unit
00341851-xx
Cable 00321896-xx
rd
Tacho (-)2a
Tacho (+)2c
+ 15 V4a
- 15 V4c
GND Servo6a
Sensor stop8a
Servo ready8c
Force12a
Servo Enable14c
I²t16c
M-18a,c
M-20a,c
Power (+Vb)22a,c
Power (+Vb)24a,c
Power (0V)26a,c
Power (0V)28a,c
M+30a,c
M+32a,c
X1 plug assignment / servo amplifier
10c Analog GND
Servo unit
00334638-xx
1
7
5
4
2
8
9
3
6
T+
T-
M+
M- wh
br
wh
br
(W1-Cable)
00321797-xx
(Cable)
00321439-xx
(Cable)
00321900-xx
X1
X1vg
00344771-xx
Power supply
Control unit
00341851-xx
+5V
-15V
+15V
+24V
+5V
4321X4vg
+30V
GND
-15V
+15V
13
X2vg
11
10
9
8
7
6
12
14
2
1
3
4
5
screen
Force
Tacho-std or f/V
Analog GND
GND Servo
V nom
screen
Ia monitor
Sensor control stop
I²t
Servo ready
Servo Enable -
Servo Enable + (+15V from Servo)
screen
IC-dr-axis
backplane
A18 (vg)
Servo unit
A6
TRS 120 / 2 S
00314164-xx
X1sa
X11su
X7su
X1tq
SMP bus A32 (su)
X2tq
X24
X7uc
X3tq
Axis board
A8 (tq)
Machine controller M44 A1 (sa)
25
28
13
22
5
27
23
24
4
26
29
30
33
32
X8aa
-15V
+15V
+5V
8
9
6
5
2
3
Track B
Track B
Track A
Track A
Track N
Track N
8
1
2
7
4
2
1
3
X32aa
X12aa
1
2
3
4
5
6
7
8
9
-15V
+15V
+5V
+24V
+5V
X3vg
X18
Track N
IC-dr-axis
T
IC-head board
00321523-xx (am)
00321797-xx
bl
br
ye
gr
wh
gn
rd
pk
(W2-Cable)
+24V
1919+24V
1
30
34
+5V
1
34
30
5
4
14
15
5
1
3
7
F450-W2
(Cable)
(Cable)
F450-W1
X6am
9 gnwh
GND
21
24
21
24
27 27
7 br
6
5
rd
pk
2 ye
1 gr
bk
MT
wh
bl
rd
bk
123X12
R
R
R
Track A
Track B
5
4
14
15
20
23
X11ac
26
5
3
2
4
24
23
X6ac
33
Track N
Track N
Track A
Track A
Track B
Track B
32
30
29
26
27
28
25
13
22
Tacho +
Tacho -
dp motor +
dp motor -
+15V
-15V
+5V
00330647-xx
SP6-12 head board, digital
CAD-Datei : IC-DR.DWG
Stromlaufplan/Circuit diagram
PL EA
Mat.-Nr. :
Hi
18.12.2000
SIEMENS
SMD Placement System SIPLACE F5
1
1
Pick&Place-head / dr axis
SIPLACE F5
Incremental
shaft encoder
3
F451-W1
(Cable)
GND
0+
0-
-90°
+90°
RI+
RI-
+5V
Orig./Creat. f./Creat.by
Date
Author
Check.
Stand.NameDateModifiedStatus
Sh.
Sh.
See page 65
See page 65
See page 29
See page 76
See page 82
See page 113
See page 110
See page 108
See page 129

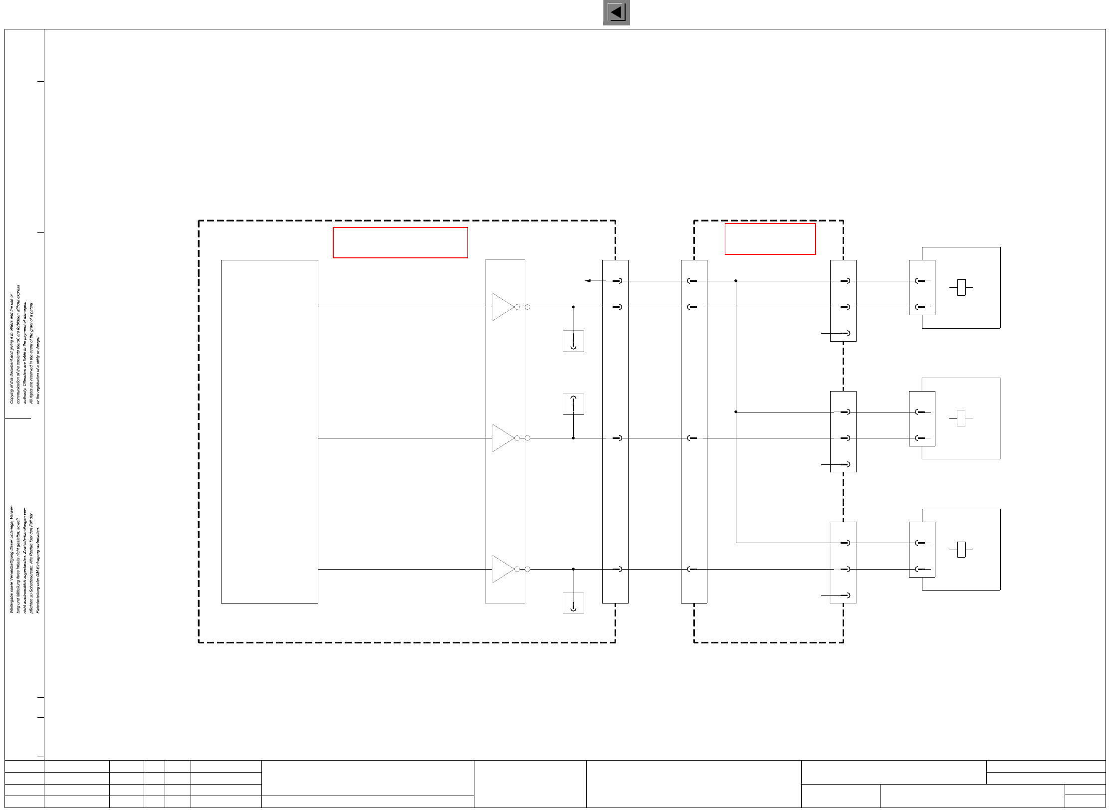
1 Detailed Circuit Diagrams 26
I
IC-Z Pick&Place head / Z-axis
8
1
X4am
Track B
8
10
Track N
X1am
9
16
19
22
+15V
-15V
31
33
29
17
18
3
2
Track A
Track B
Track N
X5am
3
4
6
5
MT
wh
bl
rd
swrt
(Cable)
F452-W2
M-
M+
T-
T+
Track A
Track B
Zero pulse
(Track N)
X11ac
3
2
18
17
29
31
33
22
19
16
9
IC-Z.DWG
Stromlaufplan/Circuit diagram
PL EA
Hi
18.12.2000
SIEMENS
SMD Placement System SIPLACE F5
1
1
Pick&Place-head / Z-axis
SIPLACE F5
Incremental shaft encoder
7
X5am
1
T+
T-
M+
M- wh
br
wh
br
(W1-Cable)
00321796-xx
(Cable)
00321439-xx
(Cable)
00321899-xx
X1
X1vk
00324488-xx
Power supply
Control unit
00331294-xx
+5V
-15V
+15V
+24V
+5V
4321X4vk
+30V
GND
-15V
+15V
13
X2vk
11
10
9
8
7
6
12
14
2
1
3
4
5
screen
Force
Tacho-std or f/V
Analog GND
GND Servo
V nom
screen
Ia monitor
Sensor stop
I²t
Servo ready
Servo Enable -
Servo Enable + (+15V from Servo)
screen
IC-z axis
backplane
A19 (vk)
Servo unit
TDS 120 / A2 Z
00334646-xx
X1sa
X11su
X7su
X1tq
SMP bus A32 (su)
X2tq
X24
X7uc
X3tq
Axis board
A8 (tq)
Machine controller M44 A1 (sa)
IC-z axis
Nominal values
14
13
12
11
10
3
IC-z-axis A7
X11am 1332 91
R
R
R
Ia monitor
nom
V
Force
Sensor stop
Power (0V)
Power (0V)
Power (+Vb)
Power (+Vb)
(ac)(aa)
9
8
2
4
5
1
3
7
6
bl
br
ye
gr
wh
gn
rd
pk
Servo amplifier
00321796-xx
(W2-Cable)
13
8 8
Sensor stop
Reference bero
Sensor stop
Reference bero
3232
25 25
Track A
F452-W1
(Cable)
19
10
31
1616
31
19
10
9
8
7
6
5
4
3
2
X2uc
1
11
9
8
6
5
3
2
13
X1uc
Axis tracks
IC-z axis
Axis rear panel A29 (uc)
00321336-xx
Control unit
00341851-xx
Cable 00321895-xx
rd
Tacho (-)2a
Tacho (+)2c
+ 15 V4a
- 15 V4c
GND Servo6a
8a
Servo ready8c
12a
Servo Enable14c
I²t16c
M-18a,c
M-20a,c
22a,c
24a,c
26a,c
28a,c
M+30a,c
M+32a,c
X1 Plug assignment/servo amplifier
10c Analog GND
Servo unit
00334638-xx
+ 15 V
12c
14a
16a
4
+24V+24V
GNDGND
+24V+24V +24V
IC-head board
00321523-xx
br
bk
bl
6
3
9
7
2
GND
+5V
30
+5V
30
+5V
T
-
+
A1
bero
Z-axis
bl
br
bk
F452-W3
(Cable)
F452-W4
(Cable)
9
6
(am)
Status Modified Date Name Stand.
Check.
Author
Date
Orig./Creat. f./Creat.by
CAD file:
Mat. no.:
00320854-xx
Sh.
Sh.
25
28
13
22
7
15
12
11
8
14
17
18
21
20
X8aa
-15V
+15V
+5V
00322265-xx
(Cable)
8
9
6
5
2
3
Track B
Track B
Track A
Track A
Track N
Track N
7
1
2
8
4
2
1
3
X33aa
X12aa
1
2
3
4
5
6
7
8
9
-15V
+15V
+5V
+24V
+5V
X3vk
X18
7
8
11
12
X6ac
21
X2ac
9
-15V
+15V
+5V
+5V
+5V
Track N
Track N
Track A
Track A
Track B
Track B
20
18
17
14
15
28
25
13
22
Tacho +
Tacho -
z motor +
z motor -
+15V
-15V
+5V
00330647-xx
Head board
SP 6-12, digital
(Cable)
00322257-xx
9
X2aa
11
X21aa
00321190-xx
gantry
Conversion board
See page 65
See page 65
See page 29
See page 76
See page 82
See page 113
See page 108
See page 129
See page 110

1 Detailed Circuit Diagrams 27
I
IC-Ventil Pick&Place head / valves
MP6_16
MP6_16
MP6_16
Status Modified Date Name Stand.
Check.
Author
Date
Mat. no.:
CAD file:
Orig./Creat. f./Creat.by
I31
14
12
13
Controller
80C535A
PORT P5
AVENT_KL_IC 5
AVENT_BL_IC 7
6AVENT_VAC_IC
valves
+
X53
-
-
X52
+
-
X54
+
Magnetic valve,
DR-axis clamping device
Magnetic valve,
forced air
Magnetic valve,
vacuum
3
X8am
1
X9am
X7am
key
key
key
6
1
3
4
1
3
5
rd
bk
rd
bk
bk
bk
(cable)
F539-W1
F540-W1
(cable)
F455-W1
(cable)
7
X1am
9
8
6
+24V
+24V
+24V
00321523 (am)
IC head board
6
8
7
X11ac
9
00330647-xx (ac)
Head board, SP 6-12, digital
+24V
4
5
3
IC-VENTIL.DWG
Stromlaufplan/Circuit diagram
PL EA
Hi
18.12.2000
SIEMENS
Sh.
Sh.
SMD Placement System SIPLACE F5
1
1
Pick&place head
See page 113
See page 129