Detailed Circuit Diagram Folder SIPLACE F5 - 第65页
2 Circuit Diagr ams 65 I 0034185 1-040 101LD3 F5 co ntrol un it (Sh . 1 of 2 ) X4sd X3s d A7 (sn) X23 X7ta X1t a 8 dp dp X8s d 12 X12su X1sd X3su X1sg A5 ( sg ) X4su 34567 X2sg X3sg X4sg X5sg X22 X7sz X1sz X X2sz X3sz X4…

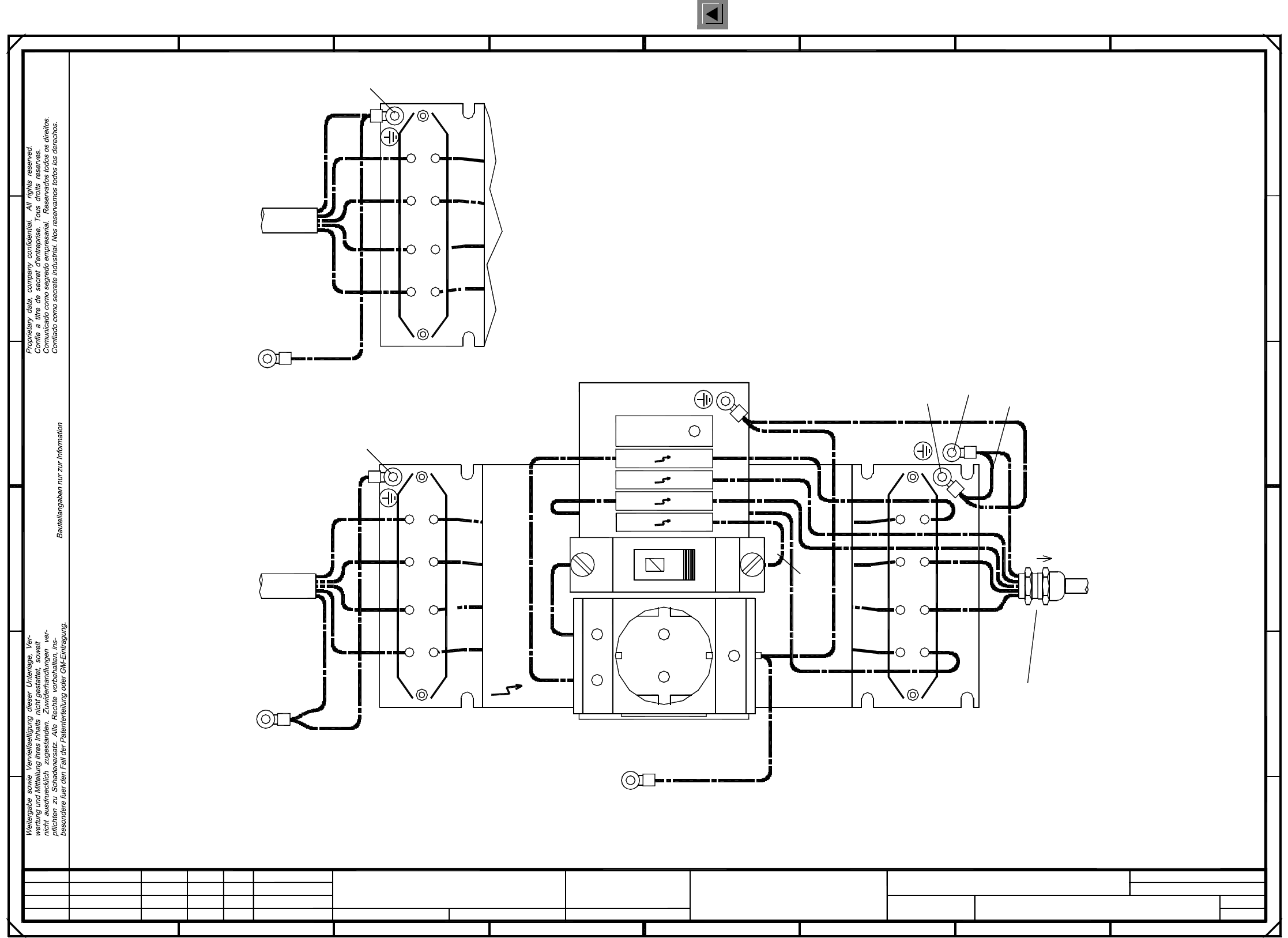
2 Circuit Diagrams 64
I
00300272-050101TD3 Service socket
=
Datum
Gepr.
Norm
Bearb.
Blatt
Urspr. Ers. f. Ers. d.NameDatumAenderungZustand
SIEMENS AG
Bl.
+
gnye
bl
gnye
(00315975-xx)
S15/F3/G2
(00321086-xx/00336812-xx)
S20/S23/F4
Ground
main power
filter
Ground
main power
filter
PG
00342916-01
Ground
filter
main power
frame
machine
1
2
Ground
machine
frame
00321112-xx
(W1)
To
main switch
in
power supply
(W1)
00342917-01
frame
machine
Ground
gnye
bl
bk
br
bk
gnye
(W2)
00342917-01
A1
Service socket
PE
NL
F20
F
E
unit
12 3N
00321112-xx
(W2)
gnye
bk
br
bk
8
1
2
1
X216
NN11
NN11
N32
Warning......
1x2.5mm²
B
C
SMD Placement System SIPLACE 80S
1
N321
unit
power supply
in
main switch
To
1
1x2.5mm²
bl
br
gnye
00342916-01 (W5)
profile
U
Ground
bk
bk
4
1
3
2
bk
bk
(W1)
4567
E
F
567
carrying
Ground
1x2.5mm² each br
1x2.5mm²
bl
gnye
(W4)00342916-01
(W3)
00342916-01
(W2)
00342916-01
gnye
gnye
main power plug
To
screw fitting
DD
234
A
23 8
Product status
Function status
01
01
05
Leh
Leh
Leh
C
B
A
Ground
bracket
PL EA1 E
00300272-050101TD3
Service socket
#
Haas
20.07.98
17.07.98
17.07.98
17.07.98
Document status

2 Circuit Diagrams 65
I
00341851-040101LD3 F5 control unit (Sh. 1 of 2)
X4sd X3sd
A7 (sn)
X23
X7ta
X1ta
8
dp
dp
X8sd
12
X12su
X1sd
X3su
X1sg
A5
( sg )
X4su
34567
X2sg X3sg X4sg X5sg
X22
X7sz
X1sz
X
X2sz
X3sz
X4sz
X5sz
X6sz
A27 (sz)
X7sd X6sd X5sd
X5sf
X2su
X2sd
A13
( sd )
X1rz
A36
X2ta
X3ta
X4ta
X5ta
X6ta
A28 (ta)
Z
Z
X1sa
A1
( sa )
X9saX8sa
A11
( th )
C0938-W1/W2
X11su
X1th
X10su
X1sp
X9su
A14
( sp )
A10
X5su
X1sm
X3sm
X2sm
A6 (sm)
00324196
X2se X3se X4se X5se
X1su
X1se
A3
( se )
X2sf X3sf X4sf
X1sf
A4
( sf )
( rz )
X3sa X4sa X5sa X6sa X7sa
X2sa
X92
HS3L
V24-4
V24-3
V24-2
V24-1
COM 1
COM 2
X2sp
X2sp
X1ry
X1ry
A23
( ry )
X2ry
LAN
B
C
D
E
FF
E
D
C
B
A
X3sn
00321036
00321037
=
SIEMENS AG
+
Y
Y
X
( su )
A32
X7su
X1tq
X3tq
X2tq
A8 (tq)
X8su
X24
12345678
A
X7uc
X1uc
X2sn
X2uc
X3uc
X4uc
X5uc
X6uc
A29 (uc)
Z-IC
Z-IC
D-IC
D-IC
01.
01.
04.
Tek
Tek
Tek
2
00321336
X1sn
X6su
Stern
Stern
1
PL EA1 E
00341851-040101LD3
#
Tekin
05.06.1996
11.11.99
11.11.99
11.11.99
Function status
Product status
Document status
SMD Placement System SIPLACE 80 F5
Sheet
Sh.
Orig. Creat. f. Creat. by
Date
Author
Check.
Stand.NameDateModifiedStatus
A27 – A29 axes rear panels are supplied with the cable harness !
F5B control unit
SMP bus
( 12-pole )
(Gantry 1)
Star axis Axis controller
(Gantry 1)
Axis controllerI/O boardI/O board I/O board
Transceiver
cable
TCP/IP
Interface
Transceiver
Communications assembly
(5-pole)
AMS bus M44 machine controller
Data lines
Floppy
Winchester /
Inputs
Inputs
Inputs
Inputs
Outputs
Outputs
Inputs
Inputs
Outputs
Outputs
Outputs
Outputs
Axis rear panel
Nominal values
Axes tracks
Axis service
Nominal values
Axis rear panel
Axes tracks
Axis service
Nominal values
Axis rear panel
Axes tracks
Axis service
Serial
Interface
Printer
Monitor
Serial
Interface
Keyboard
Interface
Interface
Interface
CAN bus
CAN bus
Interface
Interface
Interface
Interface
Spare

2 Circuit Diagrams 66
I
00341851-040101LD3 F5 control unit (Sh. 2 of 2)
X2
X10sv
X4sc X6sc X7sc
X1sc X2sc
X1sv X2sv
X11sv
X8sc X9sc
HS3L
AUX
( tb )
X4rz
A36
( rz )
- 12V
+ 12V
+ 5V
0V
+ 5V
0V
X5sc
X3 X4 X5 X6
(sc)
A2
A33
(sv)
X1
( ue )
X1ue
12
+24VDC
GND
X1ss
X1ts
X3sb X4sb X5sb X6sb X7sb
X2sb
X1sb
A12
( sb )
X9sbX8sb
A17
( tc )
C0938-W1/W2
X1tc
A31
D
C
B
A
X1ts
A15
( ts )
X2ts
X1tt
A16
( tt )
X2tt
X1tb X2tb X4tb X5tbX3tb
LAN LAN
A35
12345678
X2ss X3ss
X2ts X3ts
X4ts
(ss)
A26
(ts)
A27
X3sc
12345678
A
Tek
Tek
04.
01.
01.
11.11.99
11.11.99
11.11.99
05.06.1996
Tekin
#
00341851-040101LD3
B
C
D
E
FF
E
PL EA1 E
2
2
Tek
Function status
Product status
Document status
SMD Placement System SIPLACE 80 F5
Sheet
Sh.
F5B control unit
Status Modified Date Name Stand.
Check.
Author
Date
Orig. Creat. f. Creat. by
MVS rear panel board
Vision module S23 power supply unit
Power supply backplane
Fan unit
(5-pole)
AMS bus M44 machine controller
GEM
Data lines
Winchester /
Floppy
Interface
TCP/IP TCP/IP
Interface
SMP bus
( 5-pole )
Applies to GEM option only !
S-Com 2
Camera 2/4
Camera 1/3
Display
S-Com 1
Printer
Serial
Serial
Interface
Interface
Monitor
Keyboard
COM 2
COM 1
=
SIEMENS AG
+