P221001e - 第251页
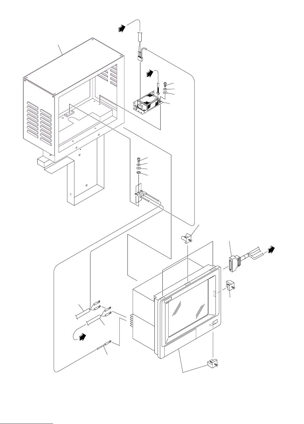
MODEL TPM-200F/R 0207-001 249 Fig. RC 制御ボックス部 CONTROL BOX SECTION

MEMO

MODEL TPM-200F/R
0207-001
249
Fig. RC 制御ボックス部 CONTROL BOX SECTION

MODEL TPM-200F/R
0207-001
250
制御ボックス部 CONTROL BOX SECTION
Fig. RC-1 制御ボックス Control Box
Fig.RC-1
TPM-200F/R
See Fig.K-4
Key No.302
1
4
5
6
1
2
1
63
3
62
61
66
67
65
64
A
B
A
B