P221001e - 第53页
MODEL TPM-200R 0207-001 Key No . P AR T No. P AR T NAME Q’ty REMARKS NOTE 51 E-1 1 630 108 1618 BALL SCREW 4 782E--1 10-001 2 630 108 4725 BEARING,RADIAL 8 782E--1 10-002 3 630 108 4732 NUT 4 782E--1 10-003 4 630 108 470…

MODEL TPM-200R
0207-001
50
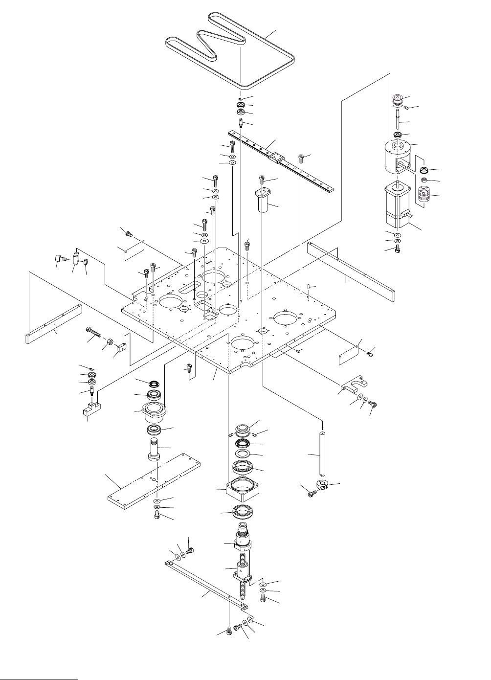
チャック部(奥基準) CHUCK SECTION(Rear Reference)
Fig. E-1 チャックベース Chuck Base
Fig.E-1
TPM-200R
69
70
71
10
13
38
37
13
35
20
1
21
22
2
2
23
64
11
3
64
28
65
69
70
71
68
71
70
69
4
6
5
25
5
24
61
62
63
63
62
77
18
61
8
7
67
66
9
19
34
78
27
26
32
61
62
63
16
73
62
65
73
30
31
75
74
29
12
13
14
62
72
61
71
36
12
13
14
30
15
33
76
33
65
17
See Fig.B-4
Key No.319
76
65
65
61
62
63

MODEL TPM-200R
0207-001
Key No. PART No. PART NAME Q’ty REMARKS
NOTE
51
E-1
1 630 108 1618 BALL SCREW 4 782E--110-001
2 630 108 4725 BEARING,RADIAL 8 782E--110-002
3 630 108 4732 NUT 4 782E--110-003
4 630 108 4701 PULLEY,TIMING 4 782E--110-004
5 630 001 1463 BEARING,RADIAL 2 782E--110-005
6 630 009 2820 NUT 1 782E--110-006
7 630 108 4756 BUSH,BALL 3 782E--110-007
8 630 108 4763 SHAFT,LINEAR 3 782E--110-008
9 630 108 4770 MECH PARTS(SLIT COLLAR) 1 782E--110-009
10 630 108 6637 MOTOR,STEPPING 1 MPM023,ASM69MA 782E--110-010
11 630 108 4695 PULLEY,TIMING 1 782E--110-011
12 630 001 1265 BEARING,RADIAL 2 782E--110-012
13 630 001 1418 BEARING,RADIAL 4 782E--110-013
14 411 016 6106 RING E 7 2 782E--110-014
15 630 108 4718 BELT,TIMING 1 782E--110-015
16 630 088 3886 PIN,LOCATE 1 782E--110-016
17 630 054 8624 PIN,LOCATE 2 782E--110-017
18 630 108 1724 GUIDE,LINEAR 2 782E--110-018
19 630 007 2501 CAM FOLLOWER 4 782E--110-019
20 630 107 5600 BASE 1 782E--110-020
21 630 107 5501 HOLDER 4 782E--110-021
22 630 107 5518 HOLDER 4 782E--110-022
23 630 107 5570 COLLAR 4 782E--110-023
24 630 107 5693 SHAFT 1 782E--110-024
25 630 107 5686 HOLDER 1 782E--110-025
26 630 107 5716 PLATE 2 782E--110-026
27 630 107 5587 PLATE 2 782E--110-027
28 630 107 5594 PLATE 2 782E--110-028
29 630 107 5525 BLOCK 1 782E--110-029
30 630 107 5358 SHAFT 2 782E--110-030
31 630 107 5532 BRACKET 1 782E--110-031
32 630 107 5709 HOLDER 1 782E--110-032
33 630 107 5969 COVER 4 782E--110-033
34 630 107 5679 PLATE 4 782E--110-034
35 630 107 6041 BRACKET 1 782E--110-035
36 630 107 6072 SHAFT 1 782E--110-036
37 630 109 1082 COUPLING 1 782E--110-037
38 630 108 4886 MECH PARTS(SET COLLAR) 1 782E--110-038
61 411 141 4107 WASHER V 5X10X1 25 782E--110-061
62 411 141 6705 WASHER SPR 5 26 782E--110-062
63 630 000 7770 BOLT,HEX-SCT 24 782E--110-063
64 630 000 8920 SET SCREW 10 782E--110-064
65 630 000 7763 BOLT,HEX-SCT 42 782E--110-065
66 630 000 7756 BOLT,HEX-SCT 1 782E--110-066
67 630 000 7626 BOLT,HEX-SCT 12 782E--110-067
68 630 000 7879 BOLT,HEX-SCT 2 782E--110-068
69 411 141 4008 WASHER V 4X9X0.8 8 782E--110-069
70 411 141 2905 WASHER SPR 4 8 782E--110-070
71 630 000 7657 BOLT,HEX-SCT 12 782E--110-071
72 630 001 0220 WASHER 1 782E--110-072

MODEL TPM-200R
0207-001
Key No. PART No. PART NAME Q’ty REMARKS
NOTE
52
E-1
73 630 000 7787 BOLT,HEX-SCT 2 782E--110-073
74 630 000 7794 BOLT,HEX-SCT 1 782E--110-074
75 411 141 0505 NUT HEX 5 1 782E--110-075
76 411 051 2804 SCR TRS 4X8 8 782E--110-076
77 630 000 7510 BOLT,HEX-SCT 30 782E--110-077
78 411 141 0901 NUT HEX 8 4 782E--110-078