RS-1 使用说明书 用户使用 Rev01.pdf - 第49页
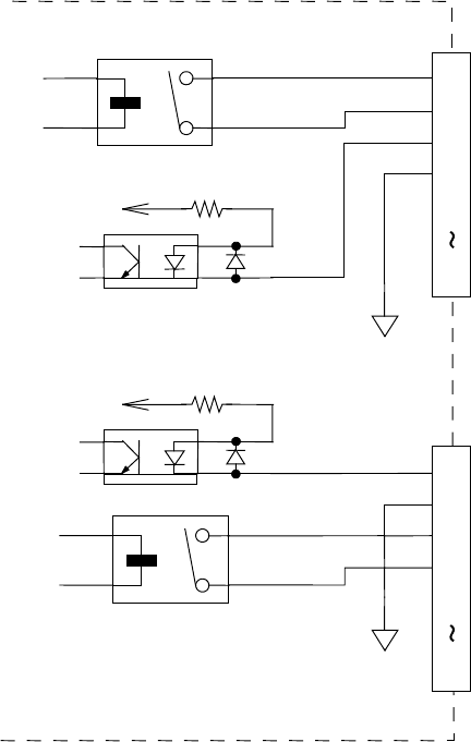
第 1 部 基本篇 第 1 章 装置概要 1- 33 ◇ READY OUT(IN) 及 BOA R D A V AILAB LE 信号的接口电路 ,参见下图。 依据 S MEMA 规 格。 GND ( 24V ) + + 24 V _ 3.3K 1/4W READY OUT + BOAR D A V AILABLE IN + READY OUT - BOAR D A V AILABLE IN - N.C. 1 2 3 4 5 14 R…

第 1 部 基本篇 第 1 章 装置概要
1-32
主机正面左侧的接口表
No.
信号名 传送方向 向右流向
信号名 传送方向 向左流向
使用的接口
1 READY OUT + READY IN +
2 READY OUT - READY IN - (GND) AMP
3 BOARD AVAILABLE IN + BOARD AVAILABLE OUT + 206043-1
4 BOARD AVAILABLE IN - (GND)
BOARD AVAILABLE OUT -
5 N.C. N.C.
6 N.C. N.C. 电缆侧
7 N.C. N.C. 连接插头
8 N.C. N.C. 206044-1
9 N.C. N.C.
10 N.C. N.C.
11 N.C. N.C.
12 N.C. N.C.
13 N.C. N.C.
14 N.C. N.C.
主机正面右侧的接口表
No.
信号名 传送方向 向右流向
信号名 传送方向 向左流向
使用的接口
1 READY IN + READY OUT +
2 READY IN - (GND) READY OUT - AMP
3 BOARD AVAILABLE OUT + BOARD AVAILABLE IN + 206043-1
4 BOARD AVAILABLE OUT - BOARD AVAILABLE IN -(GND)
5 N.C. N.C.
6 N.C. N.C. 电缆侧
7 N.C. N.C. 连接插头
8 N.C. N.C. 206044-1
9 N.C. N.C.
10 N.C. N.C.
11 N.C. N.C.
12 N.C. N.C.
13 N.C. N.C.
14 N.C. N.C.

第 1 部 基本篇 第 1 章 装置概要
1-33
◇ READY OUT(IN) 及 BOARD AVAILABLE 信号的接口电路,参见下图。
依据 SMEMA 规格。
GND(24V)
+
+
24V_
3.3K 1/4W
READY OUT +
BOARD AVAILABLE IN +
READY OUT -
BOARD AVAILABLE IN -
N.C.
1
2
3
4
5
14
READY IN +
BOARD AVAILABLE OUT +
READY IN
-
BOARD AVAILABLE OUT -
N.C.
1
2
3
4
5
14
+ 24V_
3.3K 1/4W
+
GND(
24V
)

第 1 部 基本篇 第 1 章 装置概要
1-34
1-5 对象元件及元件包装方式
(1)适用元件尺寸
RS-1
单位:mm
识别方法 适用尺寸 备注
×
激光识别 LNC120-8(注 4) 0402~□50
图像统一识别
(注 1)
54mm 视野摄像机
(注 2)
反射照明 □3.0~□50.0
塑封尺寸□1.7 mm 以上
透过照明 □3.0~□50.0
24 mm view camera
反射照明
1005~□24.0
透过照明
□3.0~□24
10 mm view camera
反射照明
0.25x0.125~□8
透过照明
□3~□8
图像分割识别
(注 1)
54mm 视野摄像机
反射照明
最大:50×150(1×3 分割时)
□74(2×2 分割时)
塑封尺寸□1.7 mm 以上
透过照明 最大:50×120(1×3 分割时)
塑封尺寸□1.7 mm 以上
短边应在 17mm 以上
24 mm view camera
反射照明
~24x72(1x3 分割)
~□48(2x2 分割)
10 mm view camera
反射照明
~□16(2x2 分割)
激光识别 LNC120-8
类别 1 0.05~1 参照“(2)激光识别元件的识别高度”
类别 6 0.05~6
类别 12 0.05~12
类别 20 0.05~20
类别 25 0.05~25
图像统一识别
54mm 视野摄像机 0.01~25
关于元件尺寸和高度的限制,
参 照“ (3)
图像识别元件的识别高度”
24 mm view camera
0.01~25
10 mm view camera
0.01~25
图像分割识别
54mm 视野摄像机
对角 86 不到 0.01~25
对角 86 以上 0.01~2.0 或 10.0
24 mm view camera
0.01~25
10 mm view camera
0.01~25
引脚间距
激光识别
LNC120-8
0.65 以上
如用激光识别,不能识别引脚间距、
球脚间距。
VCS 识别
(注 3)
54mm 视野摄像机 0.38 ~ 2.54
24 mm view camera
0.20~2.54
10 mm view camera
0.2~0.5
球间距
激光识别
LNC120-8
1.00~3.00
如用激光识别,不能识别引脚间距、
球脚间距。
VCS 识别
(注 3)
54mm 视野摄像机 0.50~3.00
24 mm view camera
0.25~2
10 mm view camera
0.1~0.5