YG200电气电路图 - 第18页
PAGE 16 YG200 (KGT) Power circuit T1 T2 T3 R S T L1 L2 L3 AWG12 (3.3sq) QF11 Set13A NN 1 6 2 34 5 1 3 5 2 4 6 QS11 MAX690V/40A U50 V50 W50 N TM11 240V 220V 208V 200V 190V 0V 240V 220V 208V 200V 190V 0V 240V 220V 208V 200…

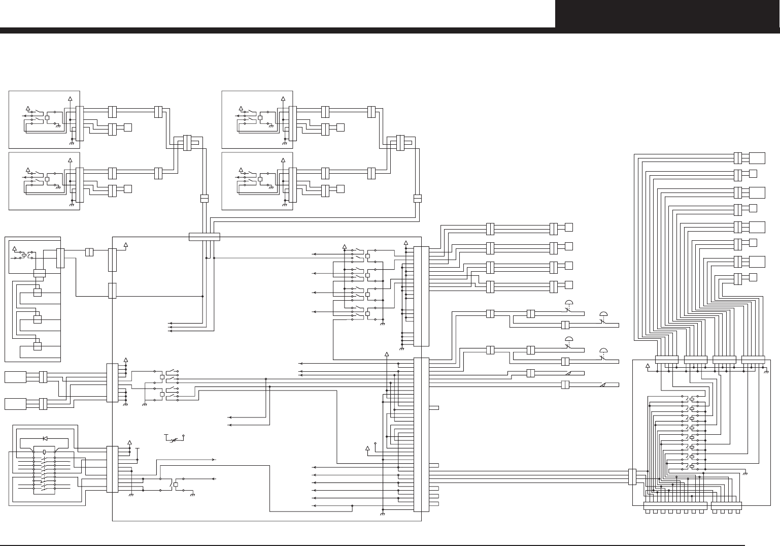
PAGE 15
YG200 (KGT)
Power transformer terminal
200V 208V 220V 240V 380V 400V 416V
100V
100V
0V
0V
N
W50
V50
U50
N
W50
V50
U50
200V 208V 220V 240V 380V 400V 416V
N
W50
V50
U50
N
W50
V50
U50
V10
U10
100V
100V
0V
0V
V10
U10
100V
100V
0V
0V
V10
U10
100V
100V
0V
0V
V10
U10
100V
100V
0V
0V
V10
U10
100V
100V
0V
0V
V10
U10
100V
100V
0V
0V
V10
U10
N
W50
V50
U50
N
W50
V50
U50
N
W50
V50
U50
TC11:The selection of POWER SOURCE 0.75KVA
240V
0V
190V
200V
208V
220V
240V
0V
190V
200V
208V
220V
0V
100V
TC11
0.75KVA
240V
0V
190V
200V
208V
220V
240V
0V
190V
200V
208V
220V
0V
100V
TC11
0.75KVA
240V
0V
190V
200V
208V
220V
240V
0V
190V
200V
208V
220V
0V
100V
TC11
0.75KVA
240V
0V
190V
200V
208V
220V
240V
0V
190V
200V
208V
220V
0V
100V
TC11
0.75KVA
240V
0V
190V
200V
208V
220V
240V
0V
190V
200V
208V
220V
0V
100V
TC11
0.75KVA
240V
0V
190V
200V
208V
220V
240V
0V
190V
200V
208V
220V
0V
100V
TC11
0.75KVA
240V
0V
190V
200V
208V
220V
240V
0V
190V
200V
208V
220V
0V
100V
TC11
0.75KVA
S1
R1
T1
S1
R1
T1
S1
R1
T1
S1
R1
T1
S1
R1
T1
S1
R1
T1
S1
R1
T1
S1
S1
S1
S1
S1
S1
S1
R1
R1
R1
R1
R1
R1
R1
TM11
240V
220V
208V
200V
190V
0V
240V
220V
208V
200V
190V
0V
240V
220V
208V
200V
190V
0V
240V
220V
208V
200V
190V
0V
240V
220V
208V
200V
190V
0V
240V
220V
208V
200V
190V
0V
220V
220V
200V
220V
200V
W
V
U
3.77KVA
TM11
240V
220V
208V
200V
190V
0V
240V
220V
208V
200V
190V
0V
240V
220V
208V
200V
190V
0V
240V
220V
208V
200V
190V
0V
240V
220V
208V
200V
190V
0V
240V
220V
208V
200V
190V
0V
220V
220V
200V
220V
200V
W
V
U
3.77KVA
TM11
240V
220V
208V
200V
190V
0V
240V
220V
208V
200V
190V
0V
240V
220V
208V
200V
190V
0V
240V
220V
208V
200V
190V
0V
240V
220V
208V
200V
190V
0V
240V
220V
208V
200V
190V
0V
220V
220V
200V
220V
200V
W
V
U
3.77KVA
TM11
240V
220V
208V
200V
190V
0V
240V
220V
208V
200V
190V
0V
240V
220V
208V
200V
190V
0V
240V
220V
208V
200V
190V
0V
240V
220V
208V
200V
190V
0V
240V
220V
208V
200V
190V
0V
220V
220V
200V
220V
200V
W
V
U
3.77KVA
TM11
240V
220V
208V
200V
190V
0V
240V
220V
208V
200V
190V
0V
240V
220V
208V
200V
190V
0V
240V
220V
208V
200V
190V
0V
240V
220V
208V
200V
190V
0V
240V
220V
208V
200V
190V
0V
220V
220V
200V
220V
200V
W
V
U
3.77KVA
TM11
240V
220V
208V
200V
190V
0V
240V
220V
208V
200V
190V
0V
240V
220V
208V
200V
190V
0V
240V
220V
208V
200V
190V
0V
240V
220V
208V
200V
190V
0V
240V
220V
208V
200V
190V
0V
220V
220V
200V
220V
200V
W
V
U
3.77KVA
TM11
240V
220V
208V
200V
190V
0V
240V
220V
208V
200V
190V
0V
240V
220V
208V
200V
190V
0V
240V
220V
208V
200V
190V
0V
240V
220V
208V
200V
190V
0V
240V
220V
208V
200V
190V
0V
220V
220V
200V
220V
200V
W
V
U
3.77KVA
TM11:The selection of POWER SOURCE 3.77KVA

PAGE 16
YG200 (KGT)
Power circuit
T1
T2
T3
R
S
T
L1
L2
L3
AWG12 (3.3sq)
QF11 Set13A
NN
1
6
2
34
5
1
3
5
2
4
6
QS11
MAX690V/40A
U50
V50
W50
N
TM11
240V
220V
208V
200V
190V
0V
240V
220V
208V
200V
190V
0V
240V
220V
208V
200V
190V
0V
240V
220V
208V
200V
190V
0V
240V
220V
208V
200V
190V
0V
240V
220V
208V
200V
190V
0V
220V
220V
200V
220V
200V
W
V
U
3.77KVA
S1
R1
T1
J4
J3
J3
J15
W52
V52
U52
W51
V51
U51
QF31 10A
EE
NF11
MAX250V/10A
J14
1
2
3
4
5
6
J18
6
4
21
3
5
W52
V52
U52
W54
V54
U54
KM10
MAX440V/12A
KM10A
W50
V50
U50
W51
V51
U51
100V
100V
0V
0V
240V
0V
190V
200V
208V
220V
240V
0V
190V
200V
208V
220V
0V
100V
TC11
R1
S1
V10
V10
V10
V10
V10
V10
XT21
MAX690V/15A
QF21 5A
U11A
U11A
U11B
U11B
FG
V10
0V
+24V
U11A
+24V
+24V
1
2
1
2
1
2
1
2
1
2
1
2
1
2
1
2
1
2
1
2
1
2
1
2
CONVEYOR
DRIVER
CONVEYOR
DRIVER
CONVEYOR
DRIVER
CONVEYOR
DRIVER
J123
J124
J30
J31
J36
J32
J33
J37
J38
J35
J34
J121
J122
J39
J40
J42
J125
83 84
J20
J126
1
2
3
4
1
2
3
4
+24V
+24V
J26
1
2
1
2
CN1
1
2
1
2
1
2
1
2
J53
171
1
2
1
2
1
2
1
2
1
2
1
2
FAN3
FAN2
FAN1
+24VA
+24VA
1
2
1
2
CN1
1
2
1
2
1
2
1
2
1
2
1
2
CN1
CN1
CN1
R RIGHT
F LEFT
R LEFT
F RIGHT
1
2
1
2
1
2
3
4
5
6
7
8
1
2
3
4
5
6
7
8
CN2
CN2
1.85A
0V
+24V
1
2
1
2
P21
I/O HEAD FRONT A
1.85A
0V
+24V
1
2
1
2
P22
I/O HEAD FRONT B
1
2
1
2
1
2
1
2
CN2
CN2
1
2
1
2
1
2
1
2
1.85A
0V
+24V
1
2
1
2
I/O HEAD REAR A
P23
1.85A
0V
+24V
1
2
1
2
I/O HEAD REAR B
P24
J54
J59
J61
J56
1
2
1
2
1
2
1
2
1
2
1
2
1
2
1
2
J53
J58
J60
J55
1
2
3
4
1
2
3
4
1
2
3
4
1
2
3
4
J52
J57
J51
1
2
3
4
5
6
1
2
3
4
5
6
1
2
3
4
5
6
7
8
1
2
3
4
5
6
7
8
1
2
3
4
5
6
7
8
9
10
11
12
1
2
3
4
5
6
7
8
9
10
11
12
J43
J28
J44
1
2
1
2
1
2
1
2
AREA SENSOR FRONT
AREA SENSOR REAR
A1
B1
A1
B1
A2
B2
A2
B2
A3
B3
A3
B3
A4
B4
A5
B5
A4
B4
A5
B5
J281
1
2
3
4
5
6
7
8
9
10
1
2
3
4
5
6
7
8
9
10
1
2
1
2
1
2
1
2
1
2
1
2
1
2
1
2
IONIZER FRONT
IONIZER REAR
J703
J704
1
2
3
4
5
6
7
1
2
3
4
5
6
7
1
2
3
1
2
3
1
2
3
1
2
3
COVER LIMIT
S/W FRONT
COVER LIMIT
S/W REAR
1
2
3
4
1
2
3
4
FLUORESCENT LIGHT
J702
J705
J279
J280
J22
M+24V
0V
0V
J27
DCN1
DCN1
DCN1
DCN1
1
2
1
2
1
2
1
2
1
2
1
2
1
2
1
2
J61
J62
J63
J64
QF22 1A
750VA
0V
+24V
FG
N
L
GS21
300W
73 74
+24VM
+24VH
+24VL
CN48
CN43
CN45
CN49
CN51
CN20
CN50
+24VE
+24VB
+24VC
+24VN
+24VD
A1
B1
A5
B5
B6
A6
A20
B20
CN41
1
2
3
4
5
6
7
8
9
10
CN47
+24VN
+24V
1
2
3
4
5
6
CN44
+24EA
P25
I/O CONVEYOR
BOARD ASSY
1
2
3
4
5
6
7
8
9
10
11
12
CN46
+24VD
+24VI
1.85A
2.5A
2.5A
2.5A
2.5A
2.5A
0.5A
2.5A
2.5A
1.1A
2.5A
2.5A
+24VL
+24VB
+24VC
+24VD
+24VE
+24VH
+24VI
+24VJ
+24VK
+24VM
+24VN
+24VA
+24VA
1
2
3
4
5
6
7
8
9
10
11
12
1
2
3
4
5
6
7
8
9
10
11
12
CN52
+24VJ
See EMERGENCY
CIRCUIT DIAGRAM
See EMERGENCY
CIRCUIT DIAGRAM
See EMERGENCY
CIRCUIT DIAGRAM
MAX690V/13A
See EMERGENCY
CIRCUIT DIAGRAM
UPS IN
UPS OUT
SIGNAL
GB1
100V
100V
0V
0V
240V
0V
190V
200V
208V
220V
240V
0V
190V
200V
208V
220V
0V
100V
TC11
R1
S1
J11
J124
J39
J40
1KVA
J4
V10B
U10B
V10A
U10A
UPS
CONTROL BOX (UPS)
See INTERCONNECTION
DIAGRAM
J41
U10
QF61 15A
J11
U10
V10
J751
J753
J752
When the UPS specification
V10
+24E
U10
V10
U10B
V10B
P11
P12
P13
P14
SB15
SB18
EL1
A20
A21
SQ44A
SQ43A
LED DRIVER BOARD
P80
LED DRIVER BOARD
P83
LED DRIVER BOARD
P81
LED DRIVER BOARD
P82
FES BOARD
P71
I/F BOARD
I/OA
FG
V10
U11B
J23
LCD1
FG
V10
U11B
J24
LCD2
STD.
OPTION
LCD1
LCD2
TOUCH
PANEL
TOUCH
PANEL
J301
J21
CONTROL BOX
AC220V:MOTOR DRIVER
POWER
AC100V:CONTROL
ACIN
1
2
3
4
5
6
A1A1
B1B1
A2A2
B2B2
A3A3
B3B3
A4A4
B4B4
A5A5
B5B5
A6A6
B6B6
A1
1
2
1
2
HA1
BUZZER
J301J302
EXT.PWR
+12V
+5V
2003.11

PAGE 17
YG200 (KGT)
Emergency circuit
1
2
3
4
5
6
7
8
9
1
2
3
4
5
6
7
8
9
INTERFACE
GOOD
1
2
3
1
2
3
1
2
1
2
+24V
+24V
1
2
3
4
5
6
7
8
9
1
2
3
4
5
6
7
8
9
+24V
+24V
3
4
5
6
3
4
5
6
1
2
1
2
E+24V
1
2
1
2
3
4
3
4
1
2
3
4
5
6
7
8
9
1
2
3
4
5
6
7
8
9
+24V
+24V
1
2
3
4
5
6
7
8
9
1
2
3
4
5
6
7
8
9
+24V
+24V
123456
1234 6578
78
12
12
EMGA
1
2
1
2
3
4
3
4
EMGA
1
2
1
2
33
1
2
1
2
33
EMG
EMG
1
2
1
2
3
4
3
4
EMGB
12
12
EMGB
1
2
1
2
33
1
2
1
2
33
EMG
EMG
1
2
1
2
33
EMG
1
2
1
2
33
EMG
1
2
1
2
33
EMG
1
2
1
2
33
EMG
CN8
CN8
CN8
CN8
1
2
1
2
33
X1OT
1
2
1
2
33
1
2
1
2
33
1
2
1
2
33
XOT
XOT
XOT
XOT
CONT.GOOD
A1
B1
A2
B2
A3
B3
A4
B4
A5
B5
A6
B6
A7
B7
A8
B8
A9
B9
A10
B10
A11
B11
A12
B12
A13
B13
A1
B1
A2
B2
A3
B3
A4
B4
A5
B5
A6
B6
A7
B7
A8
B8
A9
B9
A10
B10
A11
B11
A12
B12
A13
B13
A17
B17
A18
B18
A19
B19
A20
B20
A14
B14
A15
B15
B16
A16
A1
B1
A2
B2
A3
B3
A4
B4
A5
B5
A6
B6
A7
B7
A8
B8
A9
B9
A10
B10
A11
B11
A12
B12
A13
B13
A1
B1
A2
B2
A3
B3
A4
B4
A5
B5
A6
B6
A7
B7
A8
B8
A9
B9
A10
B10
A11
B11
A12
B12
A13
B13
A17
B17
A18
B18
A19
B19
A20
B20
A14
B14
A15
B15
B16
A16
1
2
1
2
33
1
2
1
2
33
1
2
1
2
33
1
2
1
2
33
1
2
1
2
33
1
2
1
2
33
1
2
1
2
33
1
2
1
2
33
Y1OT
Y2OT
YT1OT
YT2OT
Y1OT
Y2OT
YT1OT
YT2OT
EMG1
EMG2
EMG3
EMG4
EMG5
EMG6
EMG7
F.COVER
R.COVER
EMG8
EMG9
EMG10
EMG11
EMG12
EMG13
E12A
E11A
E13A
EMG15
EMG16
EMG17
EMG18
EMG19
EMG20
EMG14
TF EMG
EMG SPARE1
EMG SPARE2
EMG SPARE3
EMG SPARE4
EMG SPARE5
Y1OT
Y2OT
YT1OT
YT2OT
YTOT
YTOT
YOT
YOT
A1
B1
A2
B2
A3
B3
A4
B4
A5
B5
A1
B1
A2
B2
A3
B3
A4
B4
A5
B5
N006E0
N006E1
N006E2
N00610
N00611
N00612
N00613
N006E6
N006E7
N006F0
N006F1
N006F2
N006F3
N006F4
N006F5
KM10/KM10A
13
1
3
5
23
14
2
4
6
24
A1 A2
53 54
61 62
73 74
83 84
1
2
3
4
5
6
7
8
9
10
11
12
10
11
12
1
2
3
4
5
6
7
8
9
EMG21
EMG20
READY OUT
SERVO ON
EMG21
0V
+24V
EMG20
EMG21
+24E
+24V
N00686
N00686
T00264
1
2
3
1
2
3
1
2
3
1
2
3
FRONT AREA
SENSOR
REAR AREA
SENSOR
P25 I/O CONVEYOR BOARD
F AREA
R AREA
1
2
3
4
FES CN8
1
2
3
4
CN8
123456
1234 6578
78
9
10111213141516
10111213141516
9 123456
1234 6578
78
1
2
1
2
1
2
1
2
1
2
1
2
1
2
1
2
FRONT COVER SW
REAR COVER SW
1
2
1
2
1
2
1
2
1
2
1
2
1
2
1
2
FRONT EMG SW LEFT
REAR EMG SW
RIGHT
FRONT EMG SW RIGHT
REAR EMG SW LEFT
L EMG
R EMG
F COVER
R COVER
F EMG
R EMG
F EMG
R EMG
CN9 CN10
123456
1234 65
CN6
123456
1234 65
+24V
CN2
123456
1234 65
CN3
123456
1234 65
CN5
NORMAL (*Note2)NONSTOP (*Note1)
Note2 : For use in nomal feeder cariage
Note1 : For use in nonstop feeder cariage
CN52
CN43
4
5
4
5
123
123
SERVO 3
12
12
SERVO 2
12
12
SERVO 1
12
12
CN16
CN51
CN22
CN41
CN42
K1 K1
K1K1
N00401
N00581
N08201
N08381
SQ52 SQ75
SQ98SQ119
X2OT
X3OT
X4OT
I/OA
SQ43B
SQ44B
+24VC
+24VD
+24VJ
+24VK
+24VI
KA8
KA9
KA11
KA2
KA5
KA7
KA10
+24VK
X1,4OT
X2,3OT
+24E
+24E
+24EA
2.5A
+24VJ
+24EA
MSP EMG
N006E3
N006E4
N006E5
LEFT.EMG
RIGHT.EMG
CONTROL BOX A1
P21
P22
P23
P24
I/O HEAD BOARD D
I/O HEAD BOARD A
I/O HEAD BOARD C
I/O HEAD BOARD B
S10
SQ54
SQ77
SQ4
SQ17
SB13
SB17
SB14
SB16
SB15
SB18
P71
1
2
1
2
33
1
2
1
2
33
1
2
1
2
33
1
2
1
2
33
1
2
1
2
33
1
2
1
2
33
1
2
1
2
33
1
2
1
2
33
AREA/FORWARD
CART/UPPER
AREA/FORWARD
CART/UPPER
AREA/FORWARD
CART/UPPER
AREA/FORWARD
CART/UPPER
FES BOARD
(OPTION)
AREA/N006A6
CART/N006A5
AREA/N006B1
CART/N006B0
AREA/N006B4
CART/N006B3
AREA/N006B7
CART/N006B6
* NONSTOP/NORMAL
SQ153B
F1
F2
R1
R2
SQ154B
/SQ143
/SQ145
SQ155B
SQ156B
/SQ147
F1
F2
R1
R2
SQ149/SQ142
/SQ141
SQ150/SQ144
SQ151/SQ146
SQ152/SQ148
KA1
KA2
KA3
KA4
KA5
KA6
KA7
KA8