YG200电气电路图 - 第5页
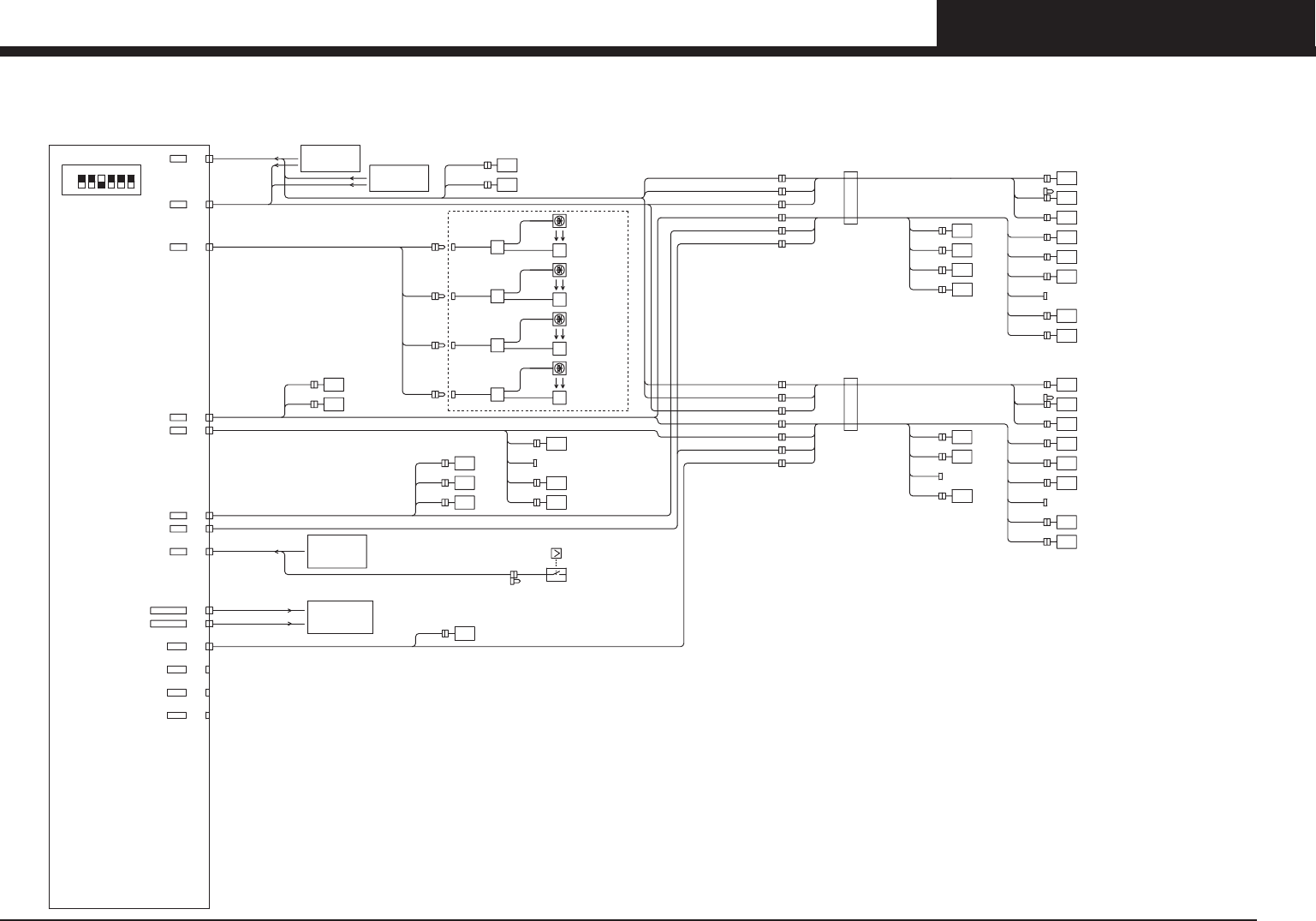
PAGE 3 YG200 (KGT) I/O conveyor board -1- I/O CONVEYOR BOARD COVER EARTH FRONT RIGHT REAR RIGHT REAR CENTER FRONT CENTER INTERFACE BOARD CONTROL BOX J22 DC24V IN J171 J140 J141 COM1 3 5 6 ON OFF 12 DIP SW(S1) 4 J43 DC2…

PAGE 2
YG200 (KGT)
Control box
CONTROL BOX A1
VISION 2
VISION 1
SYSTEM
INTERFACE
CD-ROM
SERVO 1
SERVO 2
DRIVER 1
DRIVER 2
SERVO 3
DRIVER 3
(X2,X3,Y2,YT2)
(Z1,R1,Z4,R4)
(W1,W2)
(W3,W4)
(X1,X4,Y1,YT1)
(Z2,R2,Z3,R3)
YT1P
Y1P
YT2P
Y2P
W2M
W2P
ZR3P
W3M
W3P
ZR4P
FLEXIBLE
DUCT Z4
FLEXIBLE
DUCT X4
ZP
ZM
RP
RM
FLEXIBLE
DUCT Z1
A_CAM1
FLEXIBLE DUCT X1
ZP
ZM
RP
RM
FLEXIBLE
DUCT Z3
RP
RM
FLEXIBLE
DUCT X3
FLEXIBLE
DUCT Z2
FLEXIBLE DUCT X2
ZP
ZM
RP
RM
FLEXIBLE
DUCT YT1
FLEXIBLE
DUCT YT2
X3P
X3M
FLEXIBLE
DUCT Y1
FLEXIBLE
DUCT Y2
A_CAM4
A_CAM2
A_CAM3
BUZZER
HA1
BUZZER
FRONT PANEL
EXT.PWR
ACAM1
ACAM4
ACAM2
ACAM3
L.CTL1
L.CTL2
DCAM1
DCAM4
DCAM2
DCAM3
FDD
SERIAL1
VGA
KY/MS
PI5
PI3
PI4
PI1
PI2
MO5
MO6
MO3
MO4
MO1
MO2
ACIN
KV1 LED_DRIVER BOARD ASSY
RS485IN
CN6
DIGITAL MULTI
KV1 LED_DRIVER BOARD ASSY
RS485IN
CN6
DIGITAL MULTI
CAMERA 4
CAMERA 3
D-CAM3 ASSY REAR LEFT
D-CAM4 ASSY REAR RIGHT
A14
FDD
1.44MB
RS485OUT
RS485OUT
CN7
CN7
KV1 LED_DRIVER BOARD ASSY
RS485IN
CN6
DIGITAL MULTI
CAMERA 1
KV1 LED_DRIVER BOARD ASSY
RS485IN
CN6
DIGITAL MULTI
CAMERA 2
D-CAM1 ASSY FRONT LEFT
D-CAM2 ASSY FRONT RIGHT
RS485OUT
CN7
RS485OUT
CN7
24VIN
24VIN
24VIN
24VIN
ON
321
ON
321
ON
321
ON
321
P80
CN1
CN1
CN1
CN1
J301
J303
J304
J305
J306
J307
J308
J309
J310
J311
J312
J313
J316
J317
J318
J171
J172
J195
J193
J194
J191
J192
J235
J236
J233
J234
J231
J232
J127
J302
J197
J198
J209
J210
J44
CONVEYOR
I/O
BOARD
X14M
J200
J237
J323
J205
J203
ZR1M
J238
J239
J132
J207
J240
J136
J324
J202
J204
J206
ZR4M
J241
J242
J133
J208
J243
J137
J222
J252
J130
J212
J244
J214
J215
J325
J217
J245
J246
J134
J219
J247
J138
X23M
ZR2M
ZR3M
J216
J326
J218
J248
J249
J135
J220
J250
J139
J131
J128
J129
L.CTL1
L.CTL1 L.CTL1
L.CTL2
L.CTL2
L.CTL2
X14P
ZR1M
ZR4P
ZR4M
ZR4P
ACAM1
ACAM4
X23P
ZR2P
ZR2M
ZR2P
ZR3P
ZR3M
ZR3P
ACAM2
ACAM3
UPS
EXT.PWR
SERIAL2
PARALLEL
A_CAM1
A_CAM2
L.CTL1
D_CAM1
D_CAM2
D_CAM3
D_CAM4
A_CAM1
A_CAM2
L.CTL1
D_CAM1
D_CAM2
D_CAM3
D_CAM4
FDD
USB1
USB2
SERIAL1
LAN
VGA
KEY/MS
AC IN
PI1
PI2
PI4
PI3
MO1
MO2
MO4
MO3
PI5
PI6
MO5
MO6
PE
L+24V
L+24V
(X1,X4,Z1,R1)
(Y1,YT1,Z4,R4)
(X2,X3,Z2,R2)
(Y2,YT2,Z3,R3)
(W1,W3,W2,W4)
PI6
J196
W1P
W4P
J224
J223
ZR1P
ZR1P
J355
J356
J357
J358
J359
J360
J361
J362
J363
L+24V
L+24V
J63
J64
J364
J62
J65
J225
J226
W2P
W3P
X2P
X2M
DCAM1
DCAM2
DCAM3
DCAM4
BKBK
WP
WM
M11
W3
W3
BKBK
J221
J251
CUnetA
CUnetB
RP
RM
M13
42 MAX 4500rpm
Z4-AXIS 60W
M12
42 MAX 4500rpm
RP
RM
R4-AXIS 60W
M16
42 MAX 4500rpm
Z2-AXIS 60W
M10
42 MAX 4500rpm
RP
RM
R2-AXIS 60W
M14
42 MAX 4500rpm
Z3-AXIS 60W
ZP
ZM
M11
42 MAX 4500rpm
RM
R3-AXIS 60W
RP
M15
W2
W2
WP
WM
M18
42 MAX 4500rpm
W4-AXIS 60W
W4P
W4M
M20
42 MAX 4500rpm
W1-AXIS 60W
W1P
W1M
M17
E1
E2
E3
E4
E5
P81
P82
P83
CN45
KGK-M4100-200
Z1-AXIS 60W
42 MAX 4500rpm
M9
W2-AXIS 100W
W3-AXIS 100W
W3BK
I/O CONVEYOR
BOARD (CN21)
W2BK
I/O CONVEYOR
BOARD (CN21)
I/O HEAD BOARD B
I/O CONVEYOR BOARD
(CN16,51)
AC100/200V
CIRCUIT DIAGRAM
See POWER
J21
UPS
J751
GOOD,CUnetA I/OA
CUnetB I/OB
CUnetC I/OC
M5
Y1-AXIS 1KW
Y1P
Y1M
86 MAX 4500rpm
YT1-AXIS 1KW
YT1P
YT1M
M7
86 MAX 4500rpm
Y2-AXIS 1KW
Y2P
Y2M
M6
86 MAX 4500rpm
YT2-AXIS 1KW
YT2P
YT2M
M8
86 MAX 4500rpm
42 MAX 4500rpm
42 MAX 4500rpm
X1-AXIS 500W
76 MAX 4500rpm
M1
X4-AXIS 500W
76 MAX 4500rpm
M4
X2-AXIS 500W
X1P
X1M
M2
76 MAX 4500rpm
X3-AXIS 500W
X4P
X4M
M3
76 MAX 4500rpm
UPS
See POWER CIRCUIT DIAGRAM
OPERATION
MONITOR SEL
Z1-AXIS 60W
42 MAX 4500rpm
Oct./2003

PAGE 3
YG200 (KGT)
I/O conveyor board -1-
I/O CONVEYOR BOARD
COVER EARTH
FRONT RIGHT
REAR RIGHT REAR CENTER
FRONT CENTER
INTERFACE
BOARD
CONTROL BOX
J22
DC24V IN
J171
J140 J141
COM1
3 5 6
ON
OFF
12
DIP SW(S1)
4
J43
DC24VCN
E+24V
CN2 CN3
CONVEYOR MOTOR DRIVER
CN1
CN2 CN3
CONVEYOR MOTOR DRIVER
CN1
CN2 CN3
CONVEYOR MOTOR DRIVER
CN1
CN2 CN3
CONVEYOR MOTOR DRIVER
CN1
42 MAX 750rpm
CONVEYOR 1 30W
42 MAX 750rpm
AMF1
AMF2
CONVEYOR 1
CONVEYOR 4
CONVEYOR 4 30W
J71
J72
J73
J74
J335
J336
J337
J75
J76
J77
J78
J146
J149
C/V MOTOR1
C/V MOTOR2
C/V MOTOR3
C/V MOTOR4
AMF
SIG.TOWER
GATE
BRAKE
J27
J27
J27
J27
HL11
HL11
STOPPER OF ENTRANCE
STOPPER OF EXIT
J81
STOPPER
OPERATION
PANEL SEL.
MAIN
STOPPER B
PUSH UP B
FLEXIBLE
DUCT YT1
PUSH UP A
42 MAX 750rpm
42 MAX 750rpm
FLEXIBLE
DUCT YT2
J82
J79
J83
J80
J147
J148
CONVEYOR 2 30W
CONVEYOR 2
CONVEYOR 3 30W
CONVEYOR 3
CV3
CV2
VALA
VALB
J333
J334
J349
J350
J351
J352
J353
J354
J343
J344
J345
J346
J347
J348
REAR OPERATION PANEL
FRONT OPERATION PANEL
NON STOP FEEDER
FES20
FEEDER
STRUCTURE
J816
F.O.PANEL
R.O.PANEL
DO16
ACTIVE
START
STOP
ERR.CLR.
READY
RESET
ACTIVE
START
STOP
ERR.CLR.
READY
RESET
MKY
I/O HEAD
FRONT A
CN2
CN3
CN4
FES20
SAFETY
CIRCUIT
CN1
CN2
CN3
CN4
CN1
FEEDER
VALVE
FIX20 & FES20
FEEDER
STRUCTURE
J173
J811
J812
J813
J814
J815
COM2
FEEDER1
FEEDER2
FEEDER3
FEEDER4
DO14,15
FES BOARD POWER
FES20 SAFETY
CIRCUIT
ALARM(RED)
T001A1
ERROR(YELLOW)
T001A0
RUN(GREEN)
T001A2
BUZZER
T001A6
T001B5
T001C0
T001B6
T001C1
T001B4
T001B7
CV1.CN2
CV3.CN2
CV2.CN2
CV4.CN2
CV1.DCN1
CV2.DCN1
CV3.DCN1
CV4.DCN1
CV2.CN3
CV1.CN3
CV3.CN3
CV4.CN3
EMG
I/O HEAD
FRONT A,B
REAR LEFT
FRONT LEFT
FRONT CENTER
REAR CENTER
CN20
CN20
CN16
CN16
CN51
CN51
CN22
CN22
CN6
CN6
CN7
CN8
CN7
CN8
CN9
CN9
CN10
CN10
CN5
FEEDER5
CN17
CN17
CN18
CN18
CN23
CN23
CN24
CN24
CN19
CN19
CN25
CN25
CN15
CN15
CN21
CN21
DO23
DO24
DO25
CN11
CN12
CN13
CN14
DO29
P25
IO/FPGA
CN27
CN26
DO28
J143 J144
J154
J155
J142
J145
CV3
M23
CV2
M22
CV1
M21
CV4
M24
J94
W2,W3 BRAKE
CONTROL BOX
PREVIOUS INTERFACE
BA IN/UR IN
BUSY OUT/LR OUT
J341
NEXT R
PREV R
J339
NEXT A
NEXT B
PREV A
PREV B
PREV L
NEXT L
NEXT INTERFACE
BUSY IN/LR IN
BA OUT/UR OUT
COUNT RESET
J340
J338
PREV A
PREV B
NEXT A
NEXT B
FRONT PANEL LEFT
FRONT PANEL RIGHT
J365
J366
POWER CIRCUIT
GS21
See POWER
CIRCUIT DIAGRAM
YV1
MAIN
STOPPER A
YV2
YV3
YV4
YV5
YV6
F.START(GREEN)
F.STOP(RED)
F.ERROR CLEAR(YELLOW)
F.READY(WHITE)
F.RESET(WHITE)
F.ACTIVE(WHITE)
R.ACTIVE(WHITE)
R.START(GREEN)
R.STOP(RED)
R.ERROR CLEAR(YELLOW)
R.READY(WHITE)
R.RESET(WHITE)
N00696/T001D1
N00697/T001D2
N006A0/T001D3
N006A1/T001D4
N006A2/T001D5
N006A3/T001D6
N00695/T001D0
N00694/T001C7
N00693/T001C6
N00692/T001C5
N00691/T001C4
N00690/T001C3
SB1
SB2
SB3
SB4
SB5
SB6
SB7
SB8
SB9
SB10
SB11
SB12
POWER CIRCUIT
KM10A
See POWER CIRCUIT DIAGRAM
POWER CIRCUIT
KM10A
See POWER CIRCUIT DIAGRAM
POWER CIRCUIT
KM10A
See POWER CIRCUIT DIAGRAM
POWER CIRCUIT
KM10A
See POWER CIRCUIT DIAGRAM
P13
P14
P12
P11
PREV
NEXT
FRONT SERVICE KEYREAR SERVICE KEY
N00647 N00646
F.SRVCR.SRVC
PCB's Transportation: R L
NEXT R
PREV R
NEXT A
NEXT B
PREV A
PREV B
PREV L
NEXT L
PREV A
PREV B
NEXT A
NEXT B
FRONT PANEL LEFT
FRONT PANEL RIGHT
J365
J366
PREVIOUS INTERFACE
BA IN/UR IN
BUSY OUT/LR OUT
J341
NEXT INTERFACE
BUSY IN/LR IN
BA OUT/UR OUT
COUNT RESET
J340
J339
J338
PREV
NEXT
PCB's Transportation: L R
KGT-M4580-0xx

PAGE 4
YG200 (KGT)
I/O conveyor board -2-
I/O CONVEYOR BOARD
Y1 ORG,OT
I/O HEAD
FRONT A
ORG
W1-AXIS
W4-AXIS
AMP
F1 FEEDER
FLOAT
AMP
FLOAT
AMP
FLOAT
AMP
FLOAT
F2 FEEDER
R1 FEEDER
R2 FEEDER
OPTION
ENT.
EXIT
CONV.1
CONV.1
CONV.1
CONV.4
CONV.4
CONV.4
ENT.
P
AIR PRESSURE
SENSOR
J342
J84
J701
J85
J86
J87
J88
J271
ORG
DI0
YOT
DI2
DI3
DI5
DI6
DI7
DI8
SLOW
F.NONSTOP
R.NONSTOP
DI12
DI13
ENT.
STOPPER UPPER
EXIT
STOPPER UPPER
3 5 6
ON
OFF
12
DIP SW(S1)
4
P25
N00604
N00607
W4ORG
W1ORG
N00620
N00621
N00624
N00625
N00620
N00621
N00624
N00625
N00634
N00637
N00650
N00651
N00652
N00653
N00665
N00666
N00667
N00684
CN28
CN28
CN42
CN42
CN29
CN29
CN30
CN30
CN31
CN31
CN32
CN32
CN33
CN33
CN34
CN34
CN35
CN35
CN36
CN36
CN37
CN38
CN39
CN40
DI16
DI17
ORG
OT
YT2-AXIS
YT2-AXIS
FLEXIBLE
DUCT YT2
J91
YT2ORG
N00603
N00613
YTOT
YTORG
ENT.
UPPER
CONV.2
MAIN STOPPER B
N00636
N00654
ORG N00602
WORG
W2-AXIS
UP
MID.1
DOWN
J92
PUSH UP B
PUSH UP B
PUSH UP B
YT2OT
N00636
CONV2A
CONV2B
N00674
N00675
N00676
N00677
W2ORG
ORG
YT1-AXIS
YT1-AXIS
OT
FLEXIBLE
DUCT YT1
J89
YT1ORG
N00612
N00602
YTORG
YTOT
ENT.
UPPER
CONV.3
CONV.3
CONV.2
EXIT
CONV.3
MAIN STOPPER A
N00635
N00660
N00661
N00662
N00663
N00664
ORG N00602
WORG
W3-AXIS
UP
MID.1
MID.2
DOWN
J90
PUSH UP A
PUSH UP A
PUSH UP A
PUSH UP A
YT1OT
N00635
CONV3A
CONV3B
N00670
N00671
N00672
N00673
W3ORG
RCV
EXIT
CONV.2
CONV.2
N00655
N00656
N00657
CONV.2
MID.
RCV
MID.
N006C0
CN37
RCV
CONV.4
N006C1
EXIT
RCV
N006C0
J93
Y2 ORG,OT
I/O HEAD
FRONT B
SQ1
SQ2
SQ3
SQ4
SQ5
SQ6
SQ7
SQ8
SQ10
SQ11
SQ12
SQ13
SQ14
SQ15
SQ16
SQ17
SQ18
SQ19
SQ20
SQ21
SQ23
SQ24
SQ25
SQ26
SQ28
SQ29
SQ30
SQ31
SQ33
SQ34
SQ35
SQ36
SQ37
SQ38
SQ39A
SQ39B
SQ40A
SQ40B
SQ41A
SQ41B
SQ42A
SQ42B
SP11
KGT-M4580-0xx
J817(J851)
J818(J852)
DUMP STATION
FIX20 & FES20
FEEDER
STRUCTURE
NON STOP
FEEDER
FES20
SAFETY CIRCUIT