yv88x_j - 第15页

PAGE 13 Wiring parts list KV7 - 0007 No Part No. Part Name Q'ty Remarks N o Part No. Part Name Q'ty Remarks 1 KG2-M536A-01X HNS 301 (FG 450) 1 J82 39 KV7-M665H-00X HNS 5-5(Y-FLEX PI R, 2 J126,J127 2 KG2-M536A-2…

100%1 / 16
PAGE 12
YV88 (KV7) Control Wiring Diagram
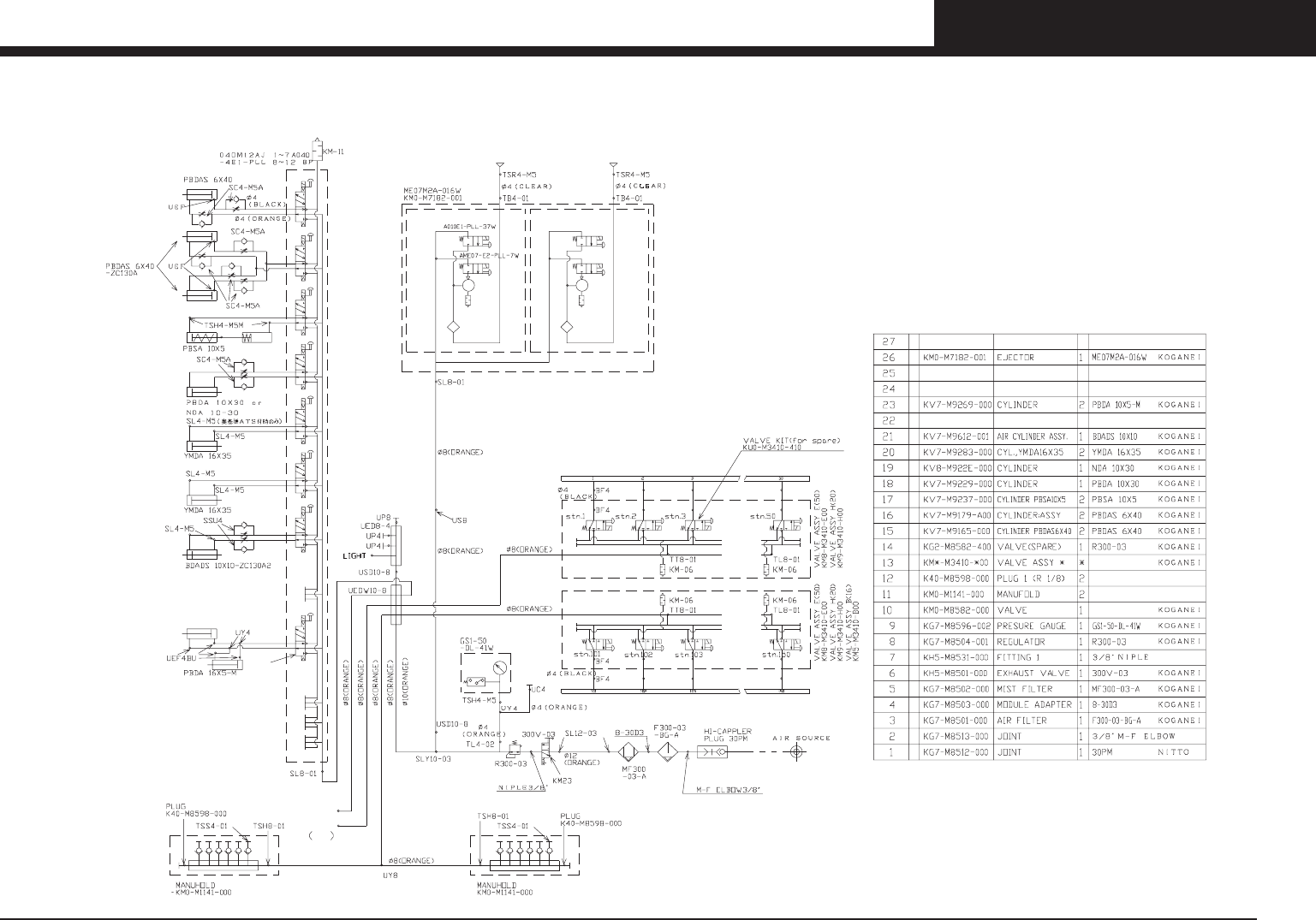
Air circuit (YV88X-S)
C
C
1
2
3
4
5
6
B
7
8
9
A
A
B
D
M
K
J
J
I
H
G
F
E
0
P
PAGE 13
Wiring parts list
KV7 - 0007
No Part No. Part Name Q'ty Remarks No Part No. Part Name Q'ty Remarks
1 KG2-M536A-01X HNS 301 (FG 450) 1 J82 39 KV7-M665H-00X HNS 5-5(Y-FLEX PI R, 2 J126,J127
2 KG2-M536A-22X HNS,PE 150 6 J83,J84,J85,J86,J87,J88 40 KV7-M665J-00X HNS 5-6(PI X,Z1,Z2) 1 J125
3KG2-M663R-00X HNS 3-11 :J61/J62 2 J61,J62 41 KV7-M665K-00X HNS 5-7(X-FLEX PI N) 1 J130
4 KG2-M664H-00X HNS 4-5 (SERIAL1) 1 J113 42 KV7-M665L-01X HNS,5-8(XFLEX PI) 1 J128
5 KG2-M669G-01X HNS,9-4 1 J202 43 KV7-M665U-10X HNS,5-13 1 J135
6 KH1-M536E-32X HNS 302 (FG 850 FLEX 1 J92 44 KV7-M666A-00X HNS 6-1(MO N1,N2) 1 J141
7 KH4-M664L-03X HNS 4-8 (FDD) 1 J110 45 KV7-M666E-00X HNS 6-2(MO R1,R2) 1 J142
8 KH4-M664N-01X HNS.4-10(SERIAL2) 1 J120 46 KV7-M666G-00X HNS 6-4(MO Z1,Z2,W) 1 J144
9KH4-M668R-00X HNS 8-11 (SW LIMIT C 2 J163,J164 47 KV7-M666J-00X HNS,Y-FLEX ZRNM 3 J146,J147,J148
10 KH5-M536E-11X HNS 302 (FG 500 FLEX 1 J74 48 KV7-M666K-00X HNS,6-7(X-FLEX NM) 1 J151
11 KK1-M664J-01X HNS,PE 1000 5 J77,J78,J79,J80,J89 49 KV7-M66A2-00X HNS,10-2(DI,HEAD) 1 J301
12 KK1-M667E-00X HNS 7-2 (SW EMG) 2 J165,J166 50 KV7-M66A3-01X HNS,10-3(VALVE,HEAD) 1 J302
13 KM0-M536A-01X HNS,PE 70 2 J90,J91 51 KV7-M66A4-00X HNS,10-4(DI HEAD) 1 J303
14 KM5-M661E-00X HNS,1-2 (QF11-TM11) 1 J352KV7-M66A5-00X HNS,10-5(DI,VAC) 1 J304
15 KM5-M661Y-00X HNS,1-17 (PWR,CRT) 1 J50 53 KV7-M66A7-00X HNS,10-7(FID) 1 J306
16 KM5-M662K-00X HNS,2-7 (CNECT,CNF15 1 J29 54 KV8-M536E-10X HNS 302 2 J71,J73
17 KM6-M661G-00X HNS,1-4 (TM11-TC11) 1 J4 55 KV8-M665K-00X HNS 5-7(X-BEAM,PI X) 1 J129
18 KM6-M661J-00X HNS 1-6 (TM11-QF31) 1 J14 56 KV8-M661J-00X HNS 1-6(TM11-QF32) 1 J16
19 KM6-M661K-00X HNS 1-7 (QF31-NF11) 1 J15 57 KV8-M661N-00X HNS,1-10(QF40-KM10A) 1 J19
20 KM6-M661L-00X HNS 1-8 (NF11-KM11) 1 J18 58 KV8-M661R-00X HNS 2-11(OUTLET) 1 J26
21 KM6-M661Y-00X HNS,POWER CRT 1 J49 59 KV8-M661U-00X HNS,CNF16 1 J41
22 KM6-M66L2-03X HNS,PE 1600 1 J81 60 KV8-M661V-00X HNS 1-14(PWR,HEAD I/ 1 J43
61 KV8-M662A-00X HNS,2-1(KM12,QF22,XT 1 J21
62 KV8-M662G-00X HNS 2-4(CONNECT,CNF1 1 J24
24 KM6-M66M1-20X HNS 18-1 (TAP CHANGE 1 J609 63 KV8-M662N-00X HNS,CONNECT CNF10 1 J170
25 KM6-M66M4-00X HNS 18-4 (JUMPER) 2 J612,J613 64 KV8-M662R-00X HNS,2-11(OT,HEAD) 1 J171
26 KU0-M663N-00X HNS,3-10 (CAPACITOR) 1 J52 65 KV8-M662X-00X HNS,2-16(PWR,IO) 1 J47
27 KV0-M664M-00X HNS 4-9 1 J111 66 KV8-M663A-00X HNS,3-1 (PWR,MTR) 1 J51
28 KV6-M662T-00X HNS 2-12(OT,HEAD) 1 J172 67 KV8-M663T-00X HNS SPEED CONTROL 1 J63
29 KV6-M664G-00X HNS,CMN HEAD 1 J114 68 KV8-M664A-00X HNS 4-1(CMN,I/O CV A 1 J101
30 KV8-M666L-00X HNS 6-8 2 J149,J150 69 KV8-M664E-01X HNS,4-2(CMN,HEAD) 1 J109
31 KV7-M661H-00X HNS 1-5(TC11-QF**,XT 1 J11 70 KV8-M664F-00X HNS 4-3(CMN,I/O AB) 1 J102
32 KV7-M661W-00X HNS 1-15(PWR,HEAD I/ 1 J44 71 KV8-M664J-00X HNS 4-6(I/O CMN Y-FL 1 J108
33 KV7-M662A-01X HNS,2-1(SENSOR POWER 1 J30 72 KV8-M665F-10X HNS,5-3 1 J123
34 KV7-M662Y-00X HNS 2-17(CONN,CNF21) 1 J48 73 KV8-M665M-00X HNS 5-9(PI W) 1 J131
35 KV7-M663M-00X HNS 3-9(CONNECT,CNF4 1 J58 74 KV8-M665V-10X HNS,5-14 1 J134
36 KV7-M665A-00X HNS,5-1(PI N) 1 J121 75 KV8-M666F-00X HNS,6-3 1 J143
37 KV7-M665E-00X HNS,5-2(PI R1,R2) 1 J122 76 KV8-M666H-00X HNS,6-5(Y-FLEX XM) 1 J145
38 KV7-M665G-00X HNS 5-4PI Z1,Z2,W) 1 J124 77 KV8-M667A-00X HNS,7-1 (INT,A) 1 J161
23
J601, J602, J603, J604,
J605, J606, J607, J608
KM6-M66M1-10X HNS 18-1 (TAP CHANGE 10
PAGE 14
Wiring parts list
KV7 - 0007
No Part No. Part Name Q'ty Remarks No Part No. Part Name Q'ty Remarks
78 KV8-M667E-00X HNS,7-2 (INT,B) 1 J162 117
KM7-M66F0-00x C.CAMARA ASSY L5M
1
J502/(J503):Area
79 KV8-M667F-00X HNS 7-3(EMG) 1 J167 118
KV7-M66F6-00x C.CAMERA ASSY L7.7M
1
J501/J510:Camera 1
80 KV8-M667G-00X HNS 7-4(Y1 OT) 1 J168 119
KV7-M66F2-00x C.CAMARA ASSY L6M
1
J501
81 KV8-M667L-00X HNS,7-8 1 J22 120
KV7-M66F4-00x C.CAMERA ASSY L1.7M
1
J510
82 KV8-M668A-01X HNS,8-1(DI,CONV) 1 J181
83 KV8-M668E-01X HNS,D0 1A 1 J252
84 KV8-M668F-00X HNS,8-3(DI,DUMP 1/2) 2
85 KV8-M668G-XXX HNS,DI DUMP SEL. 2
86 KV8-M668G-20X HNS,8-4(DI,DUMP 3/4) 2
87 KV8-M668G-20X HNS,8-4(DI,DUMP 3/4) 1
88 KV8-M668J-01X HNS,8-6 1 J220
89 KV8-M668L-01X HNS,8-8(DI 2A) 1 J254
90 KV8-M668M-01X HNS,NOZZLE STATION 1 J256
91 KV8-M668N-01X HNS,DI 2B 1 J259
92 KV8-M668T-00X HNS 8-12(PU,ORG) 1 J258
93 KV8-M668U-01X HNS,8-13 1 J260
94 KV8-M669E-00X HNS 9-2(PATLITE) 1 J219
95 KV8-M669J-00X HNS,DO 5B 1 J205
96 KV8-M669N-00X HNS,9-10(DO CONNECTI 1 J203
97 KV8-M669T-02X HNS,DO 6 1 J204
98 KH4-M66F5-01X HNS,12-5 (VGA_4.5M) 1 J112,J115
99 KU8-M66F5-30X HNS,12-5 (VGA_3M) 1 J112
100 KU8-M66F5-10X HNS,12-5 (VGA_1.5M) 1 J115
101 KV8-M66F6-00X HNS 12-6 1 J505
102 KV8-M66K8-01X HNS,16-8(SMEMA PRE) 1 J222
103 KV8-M66K9-02X HNS,16-9 1 J201
104 KV8-M66L1-00X HNS 17-1(700) 1 J72
105 KM6-M669W-00X HNS,9-15 1 J506
106 KV8-M669X-10X HNS,9-16 1 J40
107
KV5-M6601-000 HARNESS,1
1
108
KH2-M661A-201 HNS 1-1 (EMG PP CONN
1
J690
109
KH2-M661E-001 HARNESS 1-2
1
J691
110
KH2-M661F-101 HNS,1-3
1
J692
111
KH2-M661G-101 HNS,1-4
1
J693
112
KV5-M661H-000 HNS 1-5(MO3)
1
J694
113
KV5-M661J-010 HNS 1-6(+24V PP CONN
1
J695
114
KV5-M661K-000 HNS 1-7(MO4)
1
(J696:YTF80W)
115
KV5-M663A-011 HNS,3-1(P.CONV MAIN)
1
(J697:YTF80W)
116
KV8-M66F0-00x C.CAMERA ASSY L5M
1
J504/(J503):Multi