yv88x_j - 第6页
PAGE 4 YV88 (KV7) Control Wiring Diagram I/O wiring diagram (HEAD) VACUUM SENSOR for FNC HEAD PRESSURE SENSOR AIR CLUTCH HEAD 2 NC CLAMP YV306 AC2 for FNC HEAD T2C31 P46 P45 AC2 AC1 HEAD2 HEAD1 PIN2 PIN1 V.SEN2 P44 P43 H…

PAGE 3
YV88 (KV7) Control Wiring Diagram
Power supply circuit diagram
KV8-M6474-000
LED DRIVER
CN7
(LIGHT)
FAN
+24VO
+24VO
+24VO
+24VO
0V
0V
0V
0V
0V
+24VN
FAN
FAN
FAN2
2
1
2
2
1
2
(25W)
CM
FAN1
11
33
(BLACK)W
1.85A
RXE8
+24VA
+24VA
0V
+24VN
W01
6
5
6
5
0.1A
RXE2
+24VP+24VA
+24VO+24VA
+24VI
+24VH
343
ABABABA
2211
343
ABABABA
CNF41
CNF29
4321
22114321
1.85A
RXE1
+24VN+24VA
+24VJ+24VA
+24VO
0V
554
BAB
554
BAB
0V
+24VJ
0V
+24VJ
CNF18
6
5
4
3
2
1
6
5
4
3
2
1
CN2
+24V
0V
P24
FOR ATS
FOR YTF
CONVEYOR,PP
I/O BOARD
1.85A
RXE1
+24V
0V
P21
+24V
0V
I/O BOARD HEAD
P23
CN2
1.85A
RXE1
1.85A
RXE1
CN2
I/O BOARD CONVEYOR,B
I/O BOARD CONVEYOR,A
2.5A
RXE11
0V
0V
0V
CIRCUIT DIAGRAM
SEE EMERGENCY
P40
12..54321
+24VH
+24VF
+24VI
CNF15
12..54321
CNF16
8
7
6
5
4
3
2
1
8
7
6
5
4
3
2
1
2.5A
RXE4
+24VF
21
11
0
1
98765
21
11
0
1
98765
21
21
CNF1
BOARD
CONNECTION
CNF21
4321
4321
1.85A
RXE7
2.5A
RXE5
+24VA
+24VN
4321
4321
CNF40
MTG2
MTG1
CNF4V01
U62
4
3
2
1
4
3
2
1
for CONV.MOTOR
2
1
M12 2
1
(GRAY)
(WHITE)
V
U
MOTOR 1
CONVEYOR
SEE INTERCONNECTION DIAGRAM (PAGE 19)
NOTE1:THIS DIAGRAM SHOWS 200V
FEEDER FLOATING SENSOR
AREA SENSOR
POWER
SENSOR
+24VN
+24VN
+24VN
+24VN
+24VN
0V
0V
0V
0V
0V
0V
V64
U64
0V
0V
+24V
+24VP
HEAD +24V
+24V
4
3
2
1
4
3
2
1
0V
+24VP
DC24V
A3
PROG.UNIT
U1A
V10
AC100V 1A MAX
XS11
A1
U21
W54
V10
V54
U54
AC200V for CONTROL
AC220V for MOTOR DRIVER POWER
CONTROL BOX
5
4
3
2
1
0VMAX14A 0V
+24V
AC200V
DC24V
GS21
V10
V10
V10
V10
XT21
V10
V10
V10
V10
V10
V10
U21
QF23 5A
QF22 1A
QF21 3A
U1A
U11
U21
U10
U20
220V
200V
100V
R1
0V
190V
200V
208V
220V
240V
0V
190V
10%
Rating 4kVAMAX
380/400/416V
200/208/220/240V
3 50/60Hz
POWER SOURCE
S1
200V
208V
220V
240V
U60
V60
220V
200V
200V
TC11 750VA
NOTE1
U50
220V
208V
200V
190V
0V
V100V
U61
V61V60
U60
U61
V61
84
74
83
73
See emergency circuit diagram (PAGE 13)
U64
V64
FG ROBOT
V10
U11
V10
U11
CRT1
VISION
CRT2
FOR YTF
POWER OF CONVEYOR MOTOR
U54
V54
W54
NF11
E
5
6
1
3
2
4
KM10A
U52
V52
W52
U52
V52
W52
U51
V51
W51 6
4
2
KM10
1
3
5
QF32 2A
QF31 10A
U51
V51
W51
U50
V50
W50
220V
220V
T1
R1
S1
T1
S1
R1
V50
W50
N
190V
240V
220V
208V
200V
190V
0V
220V
208V
200V
190V
0V
220V
208V
200V
190V
0V
240V
220V
208V
200V
0V
240V
220V
208V
200V
190V
0V
240V
T
S
R
6
4
2
5
3
1
QF11 set13A
QS11
T
S
R
T1
S1
R1
>2.5sq
L3
L2
L1
2.48KVATM11
240V240V

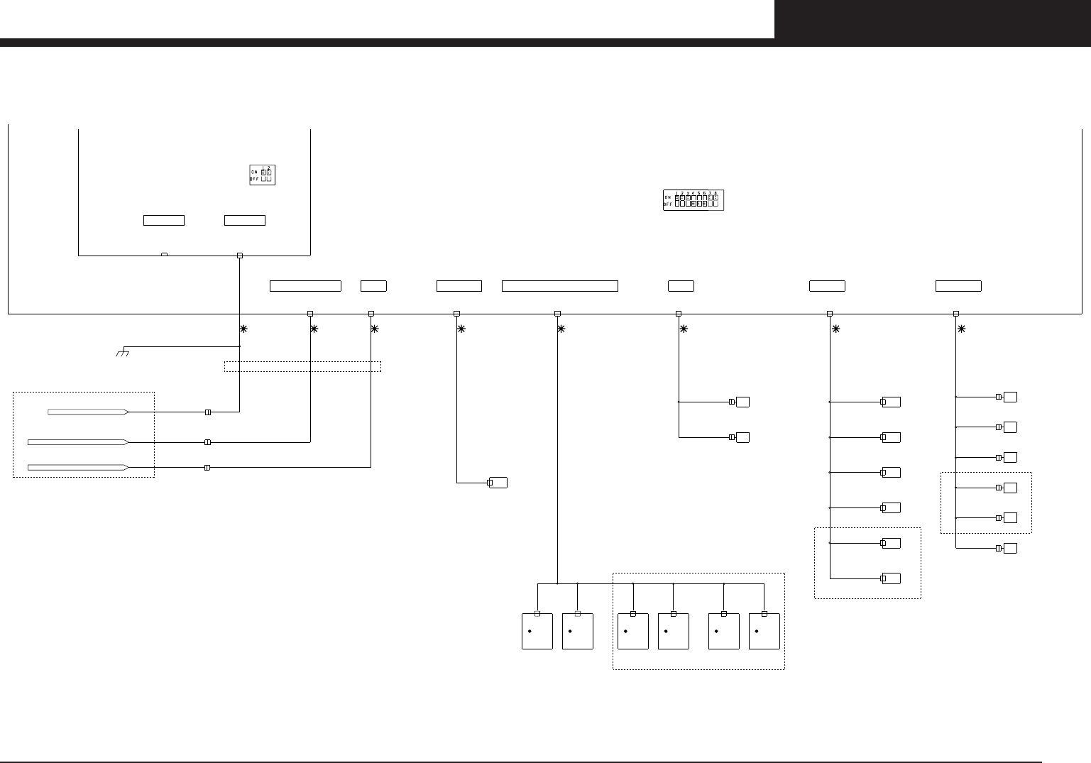
PAGE
4
YV88 (KV7) Control Wiring Diagram
I/O wiring diagram (HEAD)
VACUUM SENSOR
for FNC HEAD
PRESSURE SENSOR AIR CLUTCH
HEAD 2
NC CLAMP
YV306
AC2
for FNC HEAD
T2C31
P46
P45
AC2AC1
HEAD2
HEAD1
PIN2PIN1V.SEN2
P44
P43
HEAD2HEAD1HEAD2
P42
V.SEN1
HEAD1
P41
See PAGE 12 LIGHT
LIGHT
LED1
HEAD 1
NC CLAMP
YV305
HEAD 2
BLOW
YV304
AC1
BLOW2
BLOW1
T2C30
T2C05
X OT
SQ206
N2 ORG
SQ205
N1 ORG
SQ204
XOT
N2ORG
N1ORG
for FNC HEAD
N2426
N2424
N2423
R2 ORG
SQ203
R1 ORG
SQ202
X ORG
SQ201
R2ORG
R1ORG
XORG
N2422
N2421
N2420
HEAD 1
BLOW
YV303
HEAD 2
VACUUM
YV302
HEAD 1
VACUUM
YV301
VAC2
VAC1
T2C01
T2C00
T2C04
H2 LOWER
SQ208
H1 LOWER
SQ207
ZDOWN2
ZDOWN1
N2431
N2430
+24V
EMGEMG
+24V
I/O I/O
SYSTEM BOARD(I/O2)
CONNECTION BOARD(CNF10)
CONNECTION BOARD(CNF16)
J114
DUCT X
FLEXIBL
CN2
J44 J172
EMGDC24V IN
+24A EMG
CN5
CN13
LIGHT
CN13
J306
VACUUM SENSER
CN10
CN10
J304
CN9
J303
CN9
DI3 DO03
CN6
4NC6NC
J301J302
ORG/OT
CN4
CNX2
COMU2
CNX1
CNX1
COMU1
I/O CORE
I/O HEAD
S1

PAGE 5
YV88 (KV7) Control Wiring Diagram
I/O wiring diagram (CONVEYOR A)
NOTE
NOTE:DASH LINE IS AVAILABLE,WHEN 20 FEEDERS TYPE IS SELECTED.
SP.LIGHT3 LOWER
SQ48
SP.LIGHT 3(OPTION)
N1025
BACK
F2 NONSTOP
YV14
FORWARD
F2 NONSTOP
YV13
T1853
T1852
(OPTION)
F2 NONSTOP FEEDER
FORWARD
F2 NONSTOP
SQ67
N1066
UP
F2 NONSTOP
SQ66
SWITCH
F2 NONSTOP
SQ65
FORWARD
F1 NONSTOP
SQ63
N1065
N1064
N1062
DOWN
F2 NONSTOP
YV12
UP
F2 NONSTOP
YV11
BACK
F1 NONSTOP
YV08
T1851
T1850
T1847
(OPTION)
F1 NONSTOP FEEDER
CLOSE
F NOZZLE
YV04
N1023T1843
FRONT
(OPTION)
NOZZLE STATION
MULTI LIGHT2 LOWER
SQ45
MULTI 2 LIGHT(OPTION)
SP.LIGHT3 UPPER
SQ47
DOWN
F NOZZLE
SQ24
N1024
N1046
N1045
J232
YV149
YV149,YV150
NOTE
YV117
YV133
YV141
MULTI LIGHT2 UPPER
SQ44
MULTI LIGHT1 LOWER
SQ42
MULTI LIGHT1 UPPER
SQ41
UP
F NOZZLE
SQ23
CLOSE
F NOZZLE
SQ22
OPEN
F NOZZLE
SQ21
N1043
N1042
OPEN
F NOZZLE
YV03
DOWN
F NOZZLE
YV02
UP
F NOZZLE
YV01
N1022
N1021
N1020
T1841
T1840
T1842
FORWARD
F1 NONSTOP
YV07
DOWN
F1 NONSTOP
YV06
UP
F1 NONSTOP
YV05
T1844
T1846
T1845
UP
F1 NONSTOP
SQ62
SWITCH
F1 NONSTOP
SQ61
DUMP STATION(OPTION)
N1061
N1060
F2 DUMP
SQ68
N1067
F2 FEEDER CARRIGE
SQ11
Full Keyboard Service KeyN1011
F1 FEEDER CARRIGE(OPTION)
F2 FEEDER CARRIGE(OPTION)
N1010
LOCATE PIN2 UPPER
SQ39
LOCATE PIN1 UPPER
SQ38
CONVEYOR EXIT 2
SQ37
PIN2
PIN1
N1040
N1037
N1036
J172
See PAGE 12
CONNECTION(CNF10)
To HEAD I/O
Y1 OT
Y OT
SQ05
N1004
J231
YV117
YV125
SERVICE KEYN1015
YV101
YV109
J171
J171
CN5
HCN5
CN5
Y1 ORG
Y1OT/Y1ORG
Y ORG
SQ01
N1000
Y FLEX
CONVEYOR EXIT 1
SQ36
WORK OUT
SQ35
SET POSITION
SQ34
SUB POS2
SQ33
N1035
N1034
N1033
N1032
SQ13B
LASER
SQ13A
F1 FEEDER CARRIGE
SQ08
F.AREA
N1012
F2.FEEDER FLOAT SENSOR(OPTION)
F AREA(OPTION)
N1007
See PAGE 12
J30
+24V
CONNECTION BOARD(CNF22)
See PAGE 12
CONV I/O B(CNX1)
SYSTEM BOARD(I/O1)
CONNECTION BOARD(CNF8)
CONNECTION BOARD(CNF16)
CONNECTION BOARD(CNF12)
J203
T1820...T1833
T1834/T1835/T1836
J161
F.FDR2
N1006
N1005
F1.FEEDER FLOAT SENSOR(OPTION)
See PAGE 12
See PAGE 12
SQ07B
LASER
SQ07A
SQ06B
SUB POS1
SQ32
CONVEYOR ENT.
SQ31
F1 DUMP
SQ25
DUMP STATIION(OPTION)
F1 DUMP
N1026
N1031
N1030
Y1OT/Y1ORG
W1 ORG
SQ02
W1 ORG
N1001
N1016
SERVO ON
CONNECTION BOARD(CNF30)
See PAGE 12
J220J211J212J213
CN7_ACN11_ACN12_ACN13_A
CN11CN12CN13
DO3
DO2 DO1 DI1
CN7
J214
J181
CN14_A
DO4
CN14
CN3_A
ORG/OT
CN3
J251J252J254
CN19_ACN1_ACN4_A
DI2
CN4
DI36
CN19
DI3
CN1
LASER
SQ06A
J204J253
CN22_A
DI SPARE
CN22
CN16_A
CN16
DO6
F.FDR1
CN8_A
EMG/INT
CN8
CN15_A
CN15
DO5
J102
CNX2_A
COMU2
CNX2
CNX1_A
CN2_A
J41 J101
COMU1
CNX1
DC24VIN
CN2
I/O CORE
A
I/O CONVEYOR UNIT
YV108
YV116
YV124
YV132
YV120
YV140
YV148
YV152