第五卷 资 料 - 第103页
4-25 5OM-1752 1305-001-(31010WD---1002) I/O 线路板 U01 连接电路 2 1 2 3 4 5 6 7 8 A B C D E F 22 21 22 21 52 51 52 51 12 9 :5 :6 X102704 1 6 1 6 12 1 1 5 K29 1 2 7 8 7 8 3 4 9 3 4 10 CN150 5 6 CN5 5 6 CN4 CN32 CN31 CN32 CN31 1 …

4-24
5OM-1752
1305-001-(31010WD---1001)
I/O 线路板 U01 连接电路 1
+
-
OUT1
OUT2
+
-
OUT1
OUT2
1
2
3
CN26
K75
A2A1
K77
A2A1
18
16
1413
14
13
11
10
8
7
15
12
9
17
19
5
4
6
1
2
3
5
4
6
1
2
3
4
X2 X1
10
24A3
10
24A2
10
24A6
10
24A6
ID2 Di04
ID2 Do05
ID2 Do06
ID2 Di03
X10126
:1
:2
:3
:4
:1
:2
:3
:4
X20126
10
10
24A3 24A2 24A6
[B-/02/7D]
from G3
[B-/02/7C]
from G1
[B-/02/7A]
X0126
U01
IO PCB
X0101
X0102
20
In Port
ID1 Di11
ID Di13
10
24A6
10
24A6
10
24A6
10
24A6
10
24A6
24A3
24A3
N.C
547
533
527
546
XNST2-SFL
:1
CN28
3
4
16
17
20
21
7
8
(B)MACHINE READY
(B)BOARD AVAILABLE
(B)SG
(B)MACHINE READY
(B)SG
(B)BOARD AVAILABLE
ID2 Di09
ID2 Di11
:1
:2
:3
:4
INPUT-B
:1
:2
:3
:4
OUTPUT-B
X0128
10
10
:5-14N.C
:5-14N.C
ID2 Do10
ID2 Do12
18
19
5
6
9
10
11
12
(B)BOARD END
(A)MACHINE READY
(A)SG
(A)BOARD AVAILABLE
(A)BOARD END
ID2 Di10
10
ID2 Do11
ID2 Do13
ID2 Do14
1
2
14
15
22
(A)MACHINE READY
(A)BOARD AVAILABLE
(A)BOARD END
(A)SG
ID2 Di08
ID2 Di12
23
ID2 Di13
13
24
10
ID2 Do09
(B)BOARD END
In Port
Out Port
:4
:3
:2
XNST1-SFL
:1
:4
:3
:2
X10128
:1
:2
:3
:4
:7
:8
:6
:5
X20128
:1
:2
:3
:4
:7
:8
:5
:6
Q200
F200
B1611
B1611
1 2 3 4 5 6 7 8
A
B
C
D
E
F
Lightening Surge Alarm Contact
NST-1 Multi-Functional
Stocker Setup Error
Detection (OP)
NST-2 Multi-Functional
Stocker Setup Error
Detection (OP)
MB Alarm Contact
Lightening Surge Error
NST (B1) Setup Error
Detection REAL
NST (B2) Setup Error
Detection REAL
Vacuum Pump Breaker OFF
Feeder Base Power Supply(B1)
Feeder Base Power Supply(B2)
S Transfer/D Transfer B-LANE
D Transfer A-LANE
S Transfer/D Transfer B-LANE
D Transfer A-LANE

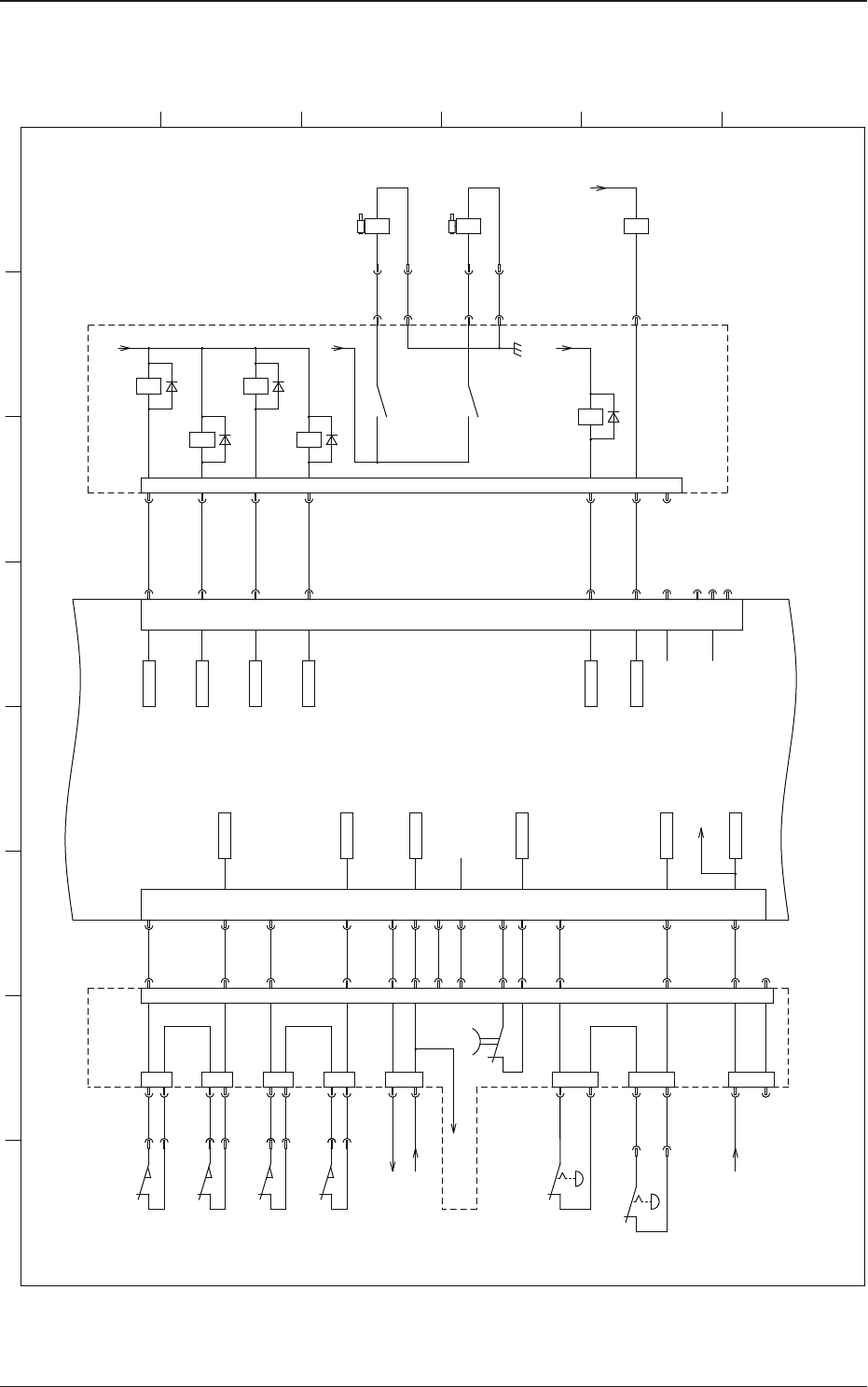
4-25
5OM-1752
1305-001-(31010WD---1002)
I/O 线路板 U01 连接电路 2
1 2 3 4 5 6 7 8
A
B
C
D
E
F
22 21
22 21
52 51
52 51
12 9
:5
:6
X102704
1 6
1 6
12 1
1 5
K29
1
2
7
8
7
8
3
4
9
3
4
10
CN150
5
6
CN5
5
6
CN4
CN32
CN31
CN32
CN31
1
2
3
4
5
6
9
10
11
12
13
23
12
9
CN9
3
4
5
6
9
10
11
12
13
CN25
Safety Door Open/Close Monitor
14
CN25
ID1 Di00
Safety Relay K3 Monitor
POWER ON
Emergency stop
Safety Door Lock Check
ID2 Di00
ID1 Di01
ID3 Di00
ID3 Di09
ID2 Do00
DC Load Power Supply
ID2 Do01
Power Supply Shut-down
ID2 Do02
Rear Safety Door Lock
Out Port
ID2 Do04
Vacuum pump Power ON
ID2 Do03
Front Safety Door Lock
14
15
16
17
1 6
15
16
17
19
20
20
18
CN61
Multi-Layer Tray Power Input
Emergency stop SW(Rear)
Emergency stop SW(Front)
Rear Safety Door Switch (Rear)
24A2
24A2
CN61
ID1 Di10
[B-/05/8E]
from K4-X1
7
8
U01
IO PCB
X0125
7
8
X2705
X2704
X2731
X2732
X27150
X2761
X2761
X2709
18
ID2 Do07
20
21
22
10
10
10
10
10
10
In Port
21
S132
E1 E2
5 4
S131
E1 E2
5 4
24A2
10
Front Safety Door Switch (SOL)
Front Safety Door Switch (SOL)
24A2
673
A2 A1
446
10
500
3132
3132
X2731
X2732
Safety Relay K4 Monitor
Out Port
S132
S131
S132
S131
:7
S131
:8
:7
S132
:8
:3
S131
:4
:3
S131
:4
:10
S132
:9
:10
S131
:9
:10
X2732
S105B
S105F
:9
X2732
:10
X2731
:9
X2731
K22
K66
K65
K43
K25
K65
K66
U27U27
K2
N.C
N.C
[B-/05/5C]
K3-14
[B-/05/2C]
K3-13
:3
X2723
Rear Safety Door Switch (Front)
Rear Safety Door Switch (Rear)
Rear Safety Door Switch (Front)
[D-/08/5B]
U01-CN8,9:6
[B-/04/6E]
to X153:1,3

4-26
5OM-1752
1305-001-(31010WD---1003)
I/O 线路板 U01 连接电路 3
1 2 3 4 5 6 7 8
A
B
C
D
E
F
1
2
CN29
2
CN15
ID5:Di12
ID3:Do00
START LIGHT(B1)
ID3:Di05
PNL CHANGE(B1)
ID3:Di03
1
7
9
4
Cooling Fan under
the Case
Ceiling Fan (Left)
Light Tower
Material Shortage
Lamp (Rear)
M
M106
1
3
5
ID5:Di13
4
6
8
FANAlarm OP
ID5:Di14
M
7
9
11
ID5:Di15
M
10
12
M101
M102
Ceiling Fan (Right)
H11B
H11F
Material Shortage B1
Turning ON
ID3:Do10
3
ID3:Do11
9
Light Tower(Green)
ID3:Do12
10
ID3:Do13
11
ID3:Do14
12
14
ID3:Do15
ID5:Do08
2
4
Light Tower(Yellow)
Light Tower(Red)
Light Tower OP
13
Light Tower(Buzzer)
Material Shortage
Lamp (Front)
Material Shortage B2
Turning ON
FANAlarm OP
FANAlarm OP
W
BK
W
BK
GR
OR
R
PUR
Y
CN31
5
6
7
8
NO
NO NO
NC NC
NO
STOPSW(Rear)
S104B
S102B
ID3:Do01
START(B1)
5
8
S102B
S104B
S103B
3
ID3:Do02
PNL CHANGE
LIGHT(B1)
STOP(B1)
PNL CHANGE SW(Rear)
STARTSW(Rear)
PNL CHANGE SW
LIGHT(Rear)
START SW LIGHT(Rear)
2
CN16
START LIGHT(B2)
PNL CHANGE(B2)
1
7
9
4
NO
NO NO
NC NC
NO
STOP SW(Front)
S104F
S102F
START(B2)
5
8
S102F
S104F
S103F
3
PNL CHANGE
LIGHT(B2)
STOP(B2)
PNL CHANGE SW(Front)
START SW(Front)
PNL CHANGE SW
LIGHT(Front)
START SW LIGHT(Front)
6
6
ID3:Do01
ID3:Di06
ID3:Di04
ID3:Do02
ID3:Do03
2
1
3
5
ID3:Di12
M
4
6
M177
CN10
CPU2FAN
FANAlarm
:1
XLAMP
:2
:3
:4
:5
:6
:7
:8
:10
:9
:1
:2
:3
:4
:5
:6
:1
X:H11B
:2
:2
:3
:1
:5
:4
:2
:6
:1
:3
:3
:3
:3
XLAMP
:1
X:H11F
:2
X:H01
X:M106
:2
:1
X:M105
:2
:1
X:M101
:2
:1
X:M102
XFAN
:2
XOPNL-B
:3
:6
:1
:5
:7
:9
:2
XOPNL-F
:3
:6
:1
:5
:7
:9
X:M177:1
:2
:3
X1029
X0115
X0116
X0110
:2
:1
:3
U01
IO PCB
24A2
24A2
24A2
24A2
24A2
24A6
10
24A6
10
24A6
10
24A6
10
24A2
10
24A2
24A2
10
24A2
24A6
24A6
10
10
Out Port
Out Port
:2
X10115
:3
:6
:1
:5
:7
:8
[D-/04/5C]
S101B
[D-/04/5B]
S101F
:4
Rear Cooling Fan
under the Case
M
M105
Out Port
In Port
Out Port
FANAlarm OP