第五卷 资 料 - 第91页
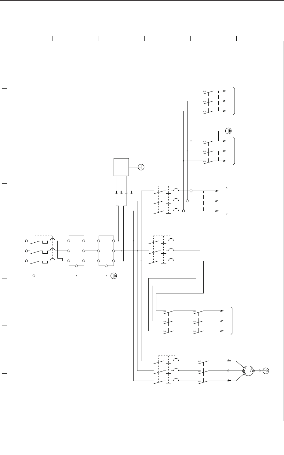
4-13 5OM-1752 1305-001-(31010WB---1001) AC200V 电路 310101 1C30 44W2004737 310101 1C30 G1,3 Line Only 3 M L3 L2 L1 Z2 K29 M66 3 5 4 6 1 2 L131 L231 L331 3 5 4 6 1 2 3 5 4 6 1 2 L330 L230 L130 Q205 Z1 PE 3 5 4 6 1 2 3 5 4 6…

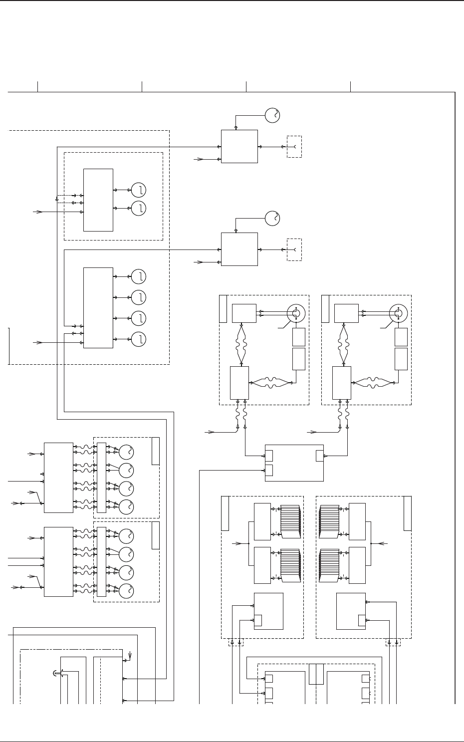
4-12
5OM-1752
1306-002A(21010WA--1001)
综合模块连接图 (D 部详细图 )
E
F
G
H
4100511C5E
2101011C83(3.5m)
2101011C84(2.5m)
UB95
3101011C2V(3m)
3101011C2W(2m)KB-STP-03LB(3m)
3101011C6X(3.3m)
No.97
No.98 3101011C6Y改
24A6
AE LINK
NLNSDD
Servo Motor AMP
A31B
CNP1 CN1A
HL
CN3
NLNSDD
A31F
HL
24A224A6
24A2
48D3A
48D3B
Servo Motor AMP
24A6
CN1B
CNP1 CN1A CN3CN1B
24A6
AE LINK
2CH
S-CV
U05
CN2
Camera
Slip
Rings
U37
U06
IO PCB
U69
IO PCB
U69
U67 U68
FEEDER
FEEDER
1-15Lane
U67 U68
FEEDER
FEEDER
Feeder Cart1
HEAD1
J1
P2A 2A P2B 2B P2C 2C P2D 2D P2A 2A P2B 2B P2C 2C P2D 2D
U14
U08
UP
UP DN T
DN T
HSIO
UP
UP
HSIO
HSIO
UB95
UB95
CH1 CH2
X30B
X30F
3
M
3
M
3
M
3
M
3
M
3
M
3
M
3
M
No.97
AE LINK(CH1)
A11
PWR
N2N1
48D3
A10
PWR
48D3
AE LINK(CH2)
Stepping Motor Driver
M
MM
M46 M47M42
N2N1
X30F
X30B
CN2
CN12
A63B
M
M41
M
M45
M
M44
IO PCB
IO PCB
Feeder Cart2
16-30Lane
Connector Connector
HEAD1
HEAD2
D-CV
AE-LINK
24G1A,B
24G2A,B
Side View
Ligh
t Emitting
U03 U04
CN8
CN1
24A6
IO PCB
U02
UP
T
T
HSIO
HSIO
CN5F
CN5BCN1
CN10
U05
CN2
Camera
Slip
Rings
U37
U06
HEAD1
J1
Side View
Light
Emitting
U03 U04
CN8
CN1
CN10
1-15Lane 16-30Lane
U07
U07
M63
3
M
(B1)
Servo Motor
AMP
CN2
A63F
M63
3
M
(B2)
Servo Motor
AMP
CN12
Stepping Motor Driver
Option
Back up Base
48D3C 48D3D
CONVEYOR

4-13
5OM-1752
1305-001-(31010WB---1001)
AC200V 电路
3101011C30
44W2004737
3101011C30
G1,3 Line Only
3
M
L3L2L1
Z2
K29
M66
3 5
4 6
1
2
L131
L231
L331
3 5
4 6
1
2
3 5
4 6
1
2
L330
L230
L130
Q205
Z1
PE
3 5
4 6
1
2
3 5
4 6
1
2
L31
L21
L11
L110
L210
L310
L111
L211
L311
L232L132 L332
L220L120 L320
L221L121 L240L140 L340
[B-/03/2B]
to G2
[R-/01/3A]
to G21 Inlet
to X30B,X30F
[C-/01/1A]
to A21B,A22B,A23B
A21F,A22F,A23F Main Power
[C-/01/1D]
[C-/01/5B] [C-/02/1A]
[C-/02/1D] [C-/02/5B]
[B-/06/1B]
to G1,G3 main
[B-/02/1A]
:1 :2 :3
X:M66
[C-/01/1A]
to A21B,A22B,A23B
A21F,A22F,A23F Control Power
[C-/01/1D]
[C-/01/5C] [C-/02/1A]
[C-/02/1D] [C-/02/5C]
L300
L200
L100
F200
[B-/07/1B]
E
[R-/01/8A]
to AC-DC Adaoper Inlet
Noise Filter
3 2 1
6 5 4
L30
L20
L10
:4
U
V
W
E
1
2
3
XF200:1
:2
:3
:4
Noise Filter
Main Breaker
Lightning Surge Protecter
Vacuum Pump
Circuit
Protecter
Relay
4A
Q221
Circuit
Protecter
30A
Q206
30A
Q200
50A
K33B
Relay
K33A
Relay
K28
Relay
K10
Relay
3 2 1
6 5 4
Circuit
Protecter
1 2 3 4 5 6 7 8
A
B
C
D
E
F

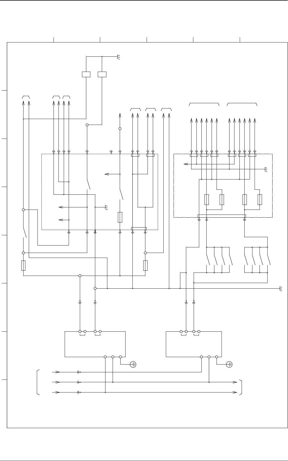
4-14
5OM-1752
1306-002A(31010WB--1002)
DC24(24A,24G) 电路
1 2 3 4 5 6 7 8
A
B
C
D
E
F
L120
K77
K75
K1A
K1B
G3
F5
F2
G1
13 14
23 24
33 34
43 44
13 14
23 24
33 34
43 44
[B-/06/1C]
to X30B
[B-/01/5E]
L220
L320
from Q206
24A
24A0
U27
XG0
:A1 :A2 :A3
XG1:2
XG1:1
XG1:4
XG1:3
X2712:4
X2713:4
[B-/03/1B]
to A31B-CNP1
[B-/04/5B]
to A31F-CNP1
X2701:7
X2701:4
X2701:3
X2701:6
X2721:2,4
K25
[D-/01/2B]
to U01-X2
5
1
K1B
K28
A2
A1
F21
F23
F25
X27111:2,4
X27111:1,3
X27112:2,4
X27112:1,3
X27113:2,4
X27113:1,3
X27114:2,4
X27114:1,3
24G1A
10
24G1B
10
24G2A
10
24G2B
10
X2715:3
X2715:4
[B-/07/1C]
to X30F
U27
24G1
24G2
[B-/03/5E]
X2701:1,2
X2701:8
N.C
X2701:5
24A2
F7
24A1
24A6
[B-/03/5E] [F-/03/7A]
[D-/01/7B]
6.3A
6.3A
F27
6.3A
6.3A
6.3A
6.3A
24A2
24A6
24A3
24A3
6.3A
24A
10
24G
10
X27121:2
X27121:1
24A2
10
X27122:2
X27122:1
24A2
10
24A2
X2712:3
X2713:3
X2721:1,3
X2715:1,2 X15
X21 X12
X13
X121
X122
X111
X112
X113
X114
24A0
Switching Power
Supply
(L)
(N)
FG
+(24V)
-(GND)
(L)
(N)
FG
+(24V)
-(GND)
Switching Power
Supply
10
[C-/02/3C]
X27121:2
X27121:1
24A1
X27122:2
X27122:1
24A2
10
to U01-X2
[B-/06/1B]
to X30A2-B
[B-/07/1B]
to X30A2-F
[C-/02/3C] [C-/03/5C]
[C-/04/5C]
[D-/01/1B]
[D-/11/1A]
to G9