CM402-L Parts list-mechanical20120828 - 第42页
2-B 全 体 カバー W hole Cover パーツレイアウト Ki t N o . キット 品番 Kit N am e キット名称 KXFX0369A00 セクションNo. PARTS LAYOUT Section No. - - M23 ( KKXFX0369A00-46-2 )

Ref
No.
Remarks
R
1
Q'ty
2-A
全
体
カバー
Whole Cover
イラスト
No.
Part No.
品 名品番 数量
R
2
パーツリスト
Kit N
o
.
キット品
番
Kit Name
キット名称
KXFX0369A00
Part Name
備 考
セクションNo.
PARTS LIST
Section No.
R
3
COVER
2
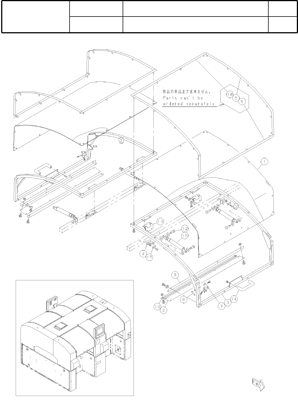
1 N210052555AB
COVER
1
2 N210058152AA
COVER
1
3 KXFB02H6A00
COVER
1
4 N210052557AB
COVER
1
5 N210052558AB
COVER
1
6 KXFB02H9A01
COVER
1
7 KXFB02HAA00
COVER
2
8 N610030797AC
COVER
1
9 KXFB02HCA01
COVER
1
10 KXFB02HEA00
PLATE
4
11 N210028693AA
PLATE
1
12 N210028697AA
COVER
2
13 N210029087AA
NUT
8
14 N510022614AA Domed cap nut Type-3 M4-4T A2J (Trivalent)
CAP
11
16 KXF0DLNAA01 CP-328-B-4-ivory(DA KXF0DLNAA01)
RUBBER-CUSHION
8
17 KXF01E0AA00 C-30-CS-2
JOINT
4
18 KXF06F4AA00 53015030-WM
SWITCH
4
19 N510015338AA
S
D4NS-1BF
BRACKET
12
20 N210006976AA
PLUG
8
21 KXF0CS6AA00 CP-30-HP-12
SPACER
4
22 KXF01AAAA00 BSU-415
SPACER
4
23 KXF06PVAA00 BSU-425
COLLAR
4
24 KXFB02U0A00
COVER
1
26 KXFB02UXA02
COVER
1
27 KXFB02UYA02
COVER
2
28 KXFB03RDA00
TRIM
2
29 KXF0DX8XA00 4100-B-3X16C(148mm)
BRACKET
4
30 KXFB04R5A00
DUCT
2
31 N210055357AA
BRACKET
1
32 N210054326AA
BRACKET
3
33 N210058381AA
FAN
2
34 N510024121AA
S
109-602-A
FAN-FILTER
2
35 N510022737AA FL16
FAN-GUARD
2
36 KXFP007AA00 109-620
BOLT
8
37 N510017634AA
Hexagon socket Flat head bolt M5X20-10.9 A2J (Trivalent)
FILTER
2
38 N210076534AA
SCREW
12
39 N510018255AA
Cross recessed Truss head machine screw M3X8-4.8 A2J (Trivalent)
M22
--
( KKXFX0369A00-46-1 )

2-B
全
体
カバー
Whole Cover
パーツレイアウト
Ki
t
N
o
.
キット
品番
Kit Name
キット名称
KXFX0369A00
セクションNo.
PARTS LAYOUT
Section No.
--
M23
( KKXFX0369A00-46-2 )

Ref
No.
Remarks
R
1
Q'ty
2-B
全
体
カバー
Whole Cover
イラスト
No.
Part No.
品 名品番 数量
R
2
パーツリスト
Kit N
o
.
キット品
番
Kit Name
キット名称
KXFX0369A00
Part Name
備 考
セクションNo.
PARTS LIST
Section No.
R
3
COVER
4
1 KXFB01D3A03
S
COVER
4
2 KXFB02H3A00
S
FRAME
4
3 N210029978AB
BRACKET
8
4 N210028696AA
COVER
8
5 N610018132AA
S
COVER
4
6 N610018133AA
S
BRACKET
4
7 N210028698AA
S
NUT
4
8 KXFB01DFA00
BRACKET
4
9 N210028717AA
S
COVER
4
10 N210028718AA
S
BOLT
16
12 KXF09KJAA00 MSB10-10
HINGE
8
13 KXF0DKTAA00 B-2-A-11(DA 0DKTA)
PULL
4
14 KXF0A33AA00 UABR20-100
GAS-SPRING
8
15 KXF0A3EAA00
S
KMF50-30M
WASHER
8
17 N210028699AA
COVER
4
18 N610025500AA
S
M24
--
( KKXFX0369A00-46-2 )