CM402-L Parts list-mechanical20120828 - 第81页
Ref No. Remark s R 1 Q'ty 5-L 基 板 コンベアR Board Conveyor R イラスト No. Part No. 品 名 品番 数量 R 2 パーツリスト Kit N o . キット品 番 Kit Name キット名称 KXFX036KA00 Part Nam e 備 考 セクションNo. PARTS LIST Section No. R 3 PIN 4 1 KXFB0210A00 FRAM…

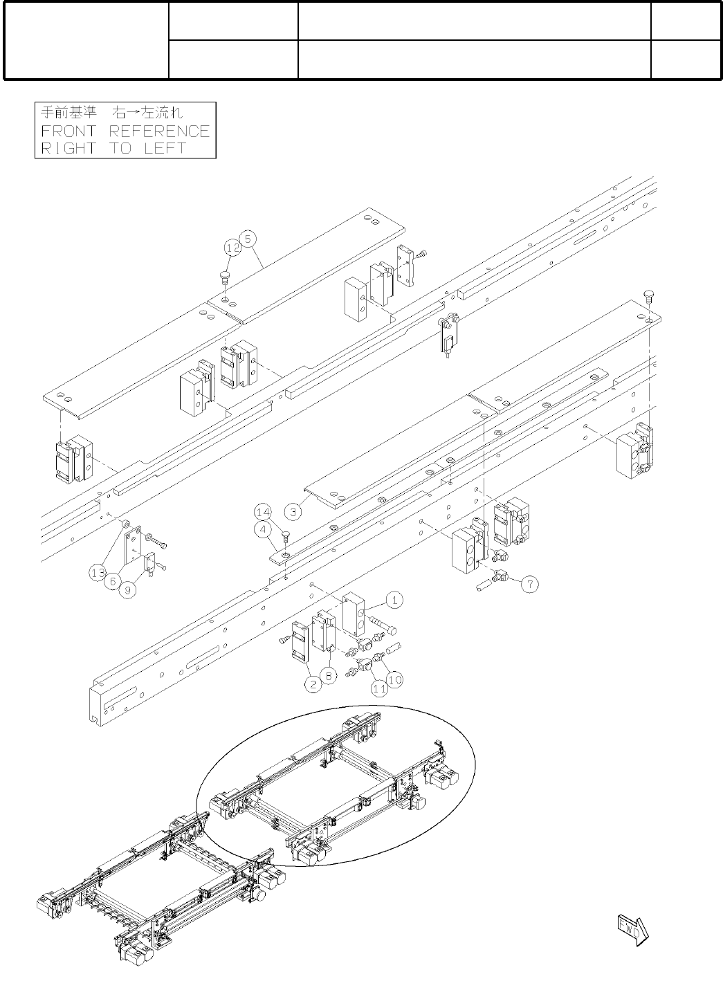
5-L
基
板
コンベアR
Board Conveyor R
パーツレイアウト
Ki
t
N
o
.
キット
品番
Kit Name
キット名称
KXFX036KA00
セクションNo.
PARTS LAYOUT
Section No.
--
M61
( KKXFX036KA00-32-12 )

Ref
No.
Remarks
R
1
Q'ty
5-L
基
板
コンベアR
Board Conveyor R
イラスト
No.
Part No.
品 名品番 数量
R
2
パーツリスト
Kit N
o
.
キット品
番
Kit Name
キット名称
KXFX036KA00
Part Name
備 考
セクションNo.
PARTS LIST
Section No.
R
3
PIN
4
1 KXFB0210A00
FRAME
1
2 N210022872AB
GUIDE
1
3 KXFB01J3A00
PW008D1
1
4 KXFB02SLA00
PH-BRACKET
1
5 KXFB02CUA00
PW004A0
1
6 KXFB01CCA00
BEARING
4
7 KXF03G0AA00 SFB38-10
BALL-SCREW
2
8 KXF0DSVAA01 R12-4B1-FSW-530-607-0.05(DDA)
PH-SENSOR
1
9 KXF0DL0AA01 PM-K53B-C1(DA KXF0DL0AA01)
GREASE-NIPPLE
2
10 N510021518AA NGA-610S
BOLT
2
11 N510018903AA
Hexagon head bolt Best class M8X30-6g 4T A2J (Trivalent)
BOLT
5
12 N510017536AA
Hexagon socket button head screw M4X8-10.9 A2J (Trivalent)
M62
--
( KKXFX036KA00-32-12 )

5-M
基
板
コンベアR
Board Conveyor R
パーツレイアウト
Ki
t
N
o
.
キット
品番
Kit Name
キット名称
KXFX036KA00
セクションNo.
PARTS LAYOUT
Section No.
--
M63
( KKXFX036KA00-32-13 )