P-0187-001 - 第153页
MODEL TCM-X300 0306-001 Key No. P AR T No. P AR T NAME Q’ ty REMARKS NOTE 151 K-1 1 630 097 9725 P ULLEY ,TIMING 1 812K--010-001 2 630 049 0053 ME CH P AR T S(MECHA LOCK) 1 812K--010-002 3 630 090 9746 COUPLING 1 812K--0…

MODEL TCM-X300
0306-001
150
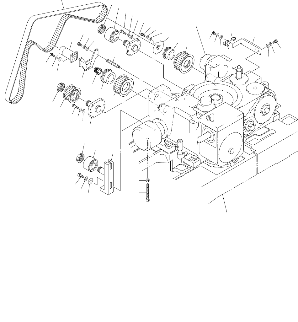
ࡋ࠶࠼㚟േㇱ HEAD DRIVING SECTION
Fig. K-1 ࡔࠗࡦ㚟േㇱ Main Driver
26
33
32
31
20
19
17
16
18
8
9
7
6
12
11
10
47
22
17
46
45
44
17
16
21
See Fig.B-1
Key No.1
See Fig.L-1
Key No.12
25
24
23
43
28
5
3
2
1
4
15
30
14
13
39
38
37
35
36
40
41
34
42

MODEL TCM-X300
0306-001
Key No. PART No. PART NAME Q’ty REMARKS
NOTE
151
K-1
1 630 097 9725 PULLEY,TIMING 1 812K--010-001
2 630 049 0053 MECH PARTS(MECHA LOCK) 1 812K--010-002
3 630 090 9746 COUPLING 1 812K--010-003
4 630 092 5654 HOLDER 4 812K--010-004
5 630 092 5661 PLATE 1 812K--010-005
6 411 141 4305 WASHER V 6X12.5X1.6 4 812K--010-006
7 411 141 3001 WASHER SPR 6 4 812K--010-007
8 630 000 7886 BOLT,HEX-SCT 4 812K--010-008
9 630 006 1130 UNIT,I/O 1 3F88L-RS-17 812K--010-009
10 411 141 4008 WASHER V 4X9X0.8 4 812K--010-010
11 411 141 2905 WASHER SPR 4 4 812K--010-011
12 630 000 7633 BOLT,HEX-SCT 4 812K--010-012
13 630 097 9732 PULLEY,TIMING 1 812K--010-013
14 630 049 0060 MECH PARTS(MECHA LOCK) 1 812K--010-014
15 630 092 5678 SHAFT 1 812K--010-015
16 630 048 9293 BEARING,UNIT 2 812K--010-016
17 630 049 0138 NUT 3 812K--010-017
18 411 141 4305 WASHER V 6X12.5X1.6 6 812K--010-018
19 411 141 3001 WASHER SPR 6 6 812K--010-019
20 630 000 7886 BOLT,HEX-SCT 6 812K--010-020
21 630 092 5685 SHAFT 1 812K--010-021
22 630 097 9794 PULLEY,TIMING 1 812K--010-022
23 630 001 0251 WASHER 2 812K--010-023
24 411 141 3209 WASHER SPR 10 2 812K--010-024
25 630 000 8135 BOLT,HEX-SCT 2 812K--010-025
26 630 119 8095 BELT,TIMING 1 812K--010-026
28 630 093 1419 BOLT,HEX-SCT 1 812K--010-028
30 630 093 9217 DISK 1 812K--010-030
31 411 141 4008 WASHER V 4X9X0.8 1 812K--010-031
32 411 141 2905 WASHER SPR 4 1 812K--010-032
33 630 000 7619 BOLT,HEX-SCT 1 812K--010-033
34 630 092 5708 BRACKET 1 812K--010-034
35 630 032 5287 SENSOR,PHOTO 1 BPH54,EE-SX672 812K--010-035
36 630 000 0269 SENSOR,PHOTO(CONNECTOR) 1 EE-1001 812K--010-036
37 411 119 1909 WASHER V 3X7X0.5 2 812K--010-037
38 411 086 4408 WASHER SPR 3 2 812K--010-038
39 411 042 0703 SCR PAN 3X8 2 812K--010-039
40 411 141 4107 WASHER V 5X10X1 2 812K--010-040
41 411 141 6705 WASHER SPR 5 2 812K--010-041
42 630 000 7763 BOLT,HEX-SCT 2 812K--010-042
43 411 141 1106 NUT HEX 10 1 812K--010-043
44 630 092 6194 SHAFT 1 812K--010-044
45 411 141 4305 WASHER V 6X12.5X1.6 6 812K--010-045
46 411 141 3001 WASHER SPR 6 6 812K--010-046
47 630 000 7886 BOLT,HEX-SCT 6 812K--010-047

MODEL TCM-X300
0306-001
152
ࡋ࠶࠼㚟േㇱ HEAD DRIVING SECTION
Fig. K-2 ⵝ⌕ࡃ Placement Lever
See Fig.B-1
Key No.1
See Fig.L-1
Key No.12
115
116
118
132
131
130
110
109
108
120
119
121
122
123
117
126
129
128
136
140
146
147
141
138
139
135
112
113
114
111
106
107
142
143
144
138
137
134
102
101
127
145
103
104
125
124
105
124
123
122
123
121
148
A
A