P-0187-001 - 第19页
MODEL TCM-X300 0306-001 Key No. P AR T No. P AR T NAME Q’ ty REMARKS NOTE 17 B-5 40 1 630 085 3278 R OTOR 1 812B--010-401 4 0 2 4 1 1 1 41 4 30 5 WASHER V 6X12.5X1.6 3 81 2 B- - 0 1 0- 4 0 2 40 3 41 1 141 3001 WA SH ER S…

MODEL TCM-X300
0306-001
16
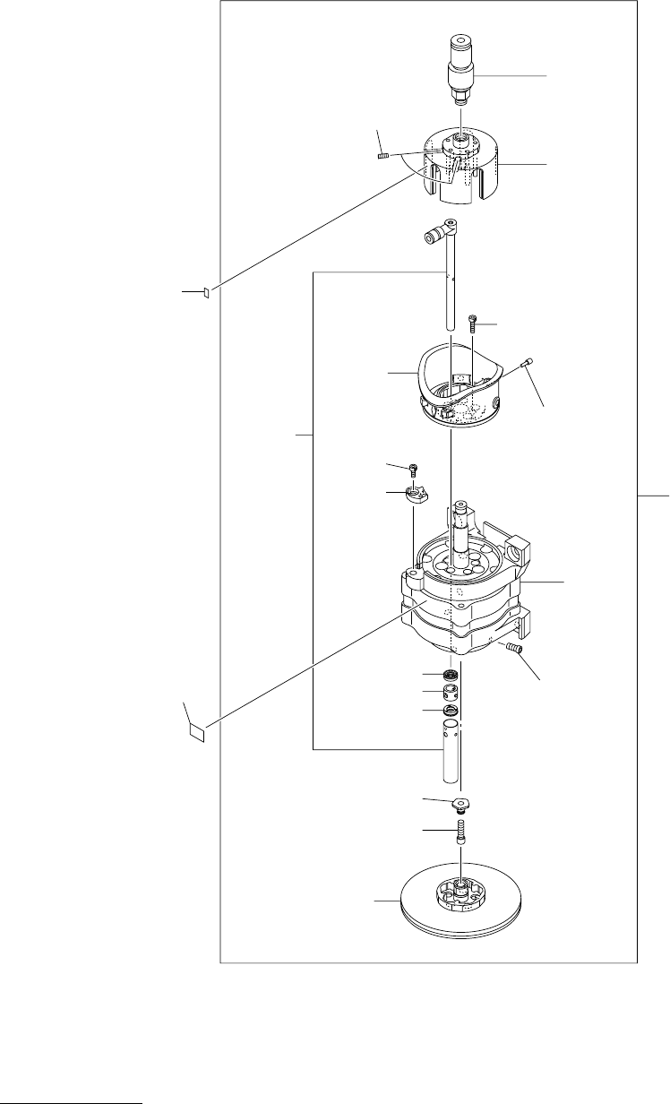
࠲ࡦ࠹ࡉ࡞ㇱ TURNTABLE SECTION
Fig. B-5 ࡋ࠶࠼࠼ࠗࡃ Head Driver
426
425
424
423
421
422
452
420
419
417
416
415
418
414
409
410
411
412
413
408
451
405
See Fig.B-1
Key No.1
404
403
402
401
407
406

MODEL TCM-X300
0306-001
Key No. PART No. PART NAME Q’ty REMARKS
NOTE
17
B-5
401 630 085 3278 ROTOR 1 812B--010-401
402 411 141 4305 WASHER V 6X12.5X1.6 3 812B--010-402
403 411 141 3001 WASHER SPR 6 3 812B--010-403
404 630 085 8310 BOLT,HEX-SCT 3 812B--010-404
405 630 085 8518 ROTOR 1 812B--010-405
406 411 141 4008 WASHER V 4X9X0.8 4 812B--010-406
407 411 141 2905 WASHER SPR 4 4 812B--010-407
408 630 000 7619 BOLT,HEX-SCT 4 812B--010-408
409 630 085 5081 ROTOR 1 812B--010-409
410 630 048 6834 COLLAR 6 812B--010-410
411 411 141 4008 WASHER V 4X9X0.8 6 812B--010-411
412 411 141 2905 WASHER SPR 4 6 812B--010-412
413 630 000 7633 BOLT,HEX-SCT 6 812B--010-413
414 630 052 3881 BOLT 4 812B--010-414
415 411 141 4305 WASHER V 6X12.5X1.6 3 812B--010-415
416 411 141 3001 WASHER SPR 6 3 812B--010-416
417 630 000 7886 BOLT,HEX-SCT 3 812B--010-417
418 630 090 9739 COUPLING 1 812B--010-418
419 411 141 4107 WASHER V 5X10X1 3 812B--010-419
420 411 141 6705 WASHER SPR 5 3 812B--010-420
421 630 000 7770 BOLT,HEX-SCT 3 812B--010-421
422 630 067 0240 BOLT 24 812B--010-422
423 630 085 8150 COUPLING 1 812B--010-423
424 630 001 0244 WASHER 2 812B--010-424
425 411 141 3100 WASHER SPR 8 2 812B--010-425
426 630 000 8043 BOLT,HEX-SCT 2 812B--010-426
451 630 119 4776 P.C.B,MOUNT 1 #SVME-UA68 812B--010-451
452 630 119 8361 UNIT,DRIVER 6 APMD1-12,D2890B 812B--010-452

MODEL TCM-X300
0306-001
18
ࡋ࠶࠼ࡉࡠ࠶ࠢㇱ HEAD BLOCK SECTION
Fig. BB-3 ࡋ࠶࠼ ASSY Head Assy
201-11
201-07
201-22
202
201-05
201-02
201-21
201-13
203
201-06
201-09
201-06
201-12
201-14
201-10
201-03
201-02
201-01
201-08
201