80S-20电路图 - 第531页

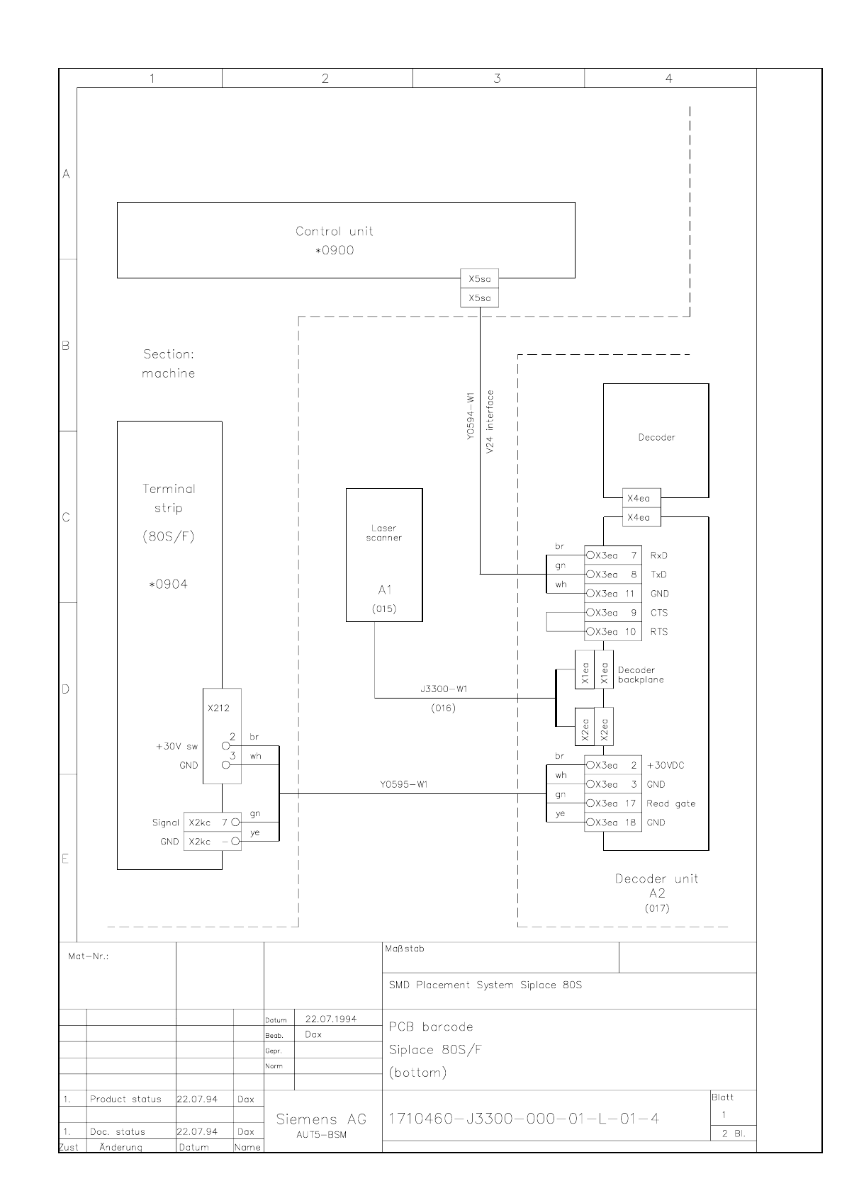
OPTION S PCB barcod e Sipla ce 80S/F (b ottom) (Sh. 1 of 2) 9.2 - 1 9.2 P CB ba rcode SIP LACE (0011613 0-01, 00161 31-01) PCB bar code Sipl ace 8 0S/F (b ottom) (Sh. 1 of 2) J3300L11. dwg 1710460- J3300- 000-0 1-L-0 1-4…

100%1 / 679
9.1 - 6 Cable Terminal strip - control board OPTIONS
Cable Terminal strip - control board
Y0553L01.dwg
1710470-Y0553-000-01-L-01-4 Cable Terminal strip - control board
OPTIONS PCB barcode Siplace 80S/F (bottom) (Sh. 1 of 2) 9.2 - 1
9.2 PCB barcode SIPLACE (00116130-01, 0016131-01)
PCB barcode Siplace 80S/F (bottom) (Sh. 1 of 2)
J3300L11.dwg
1710460-J3300-000-01-L-01-4 PCB barcode Siplace 80S/F (bottom) (Sh. 1 of 2)
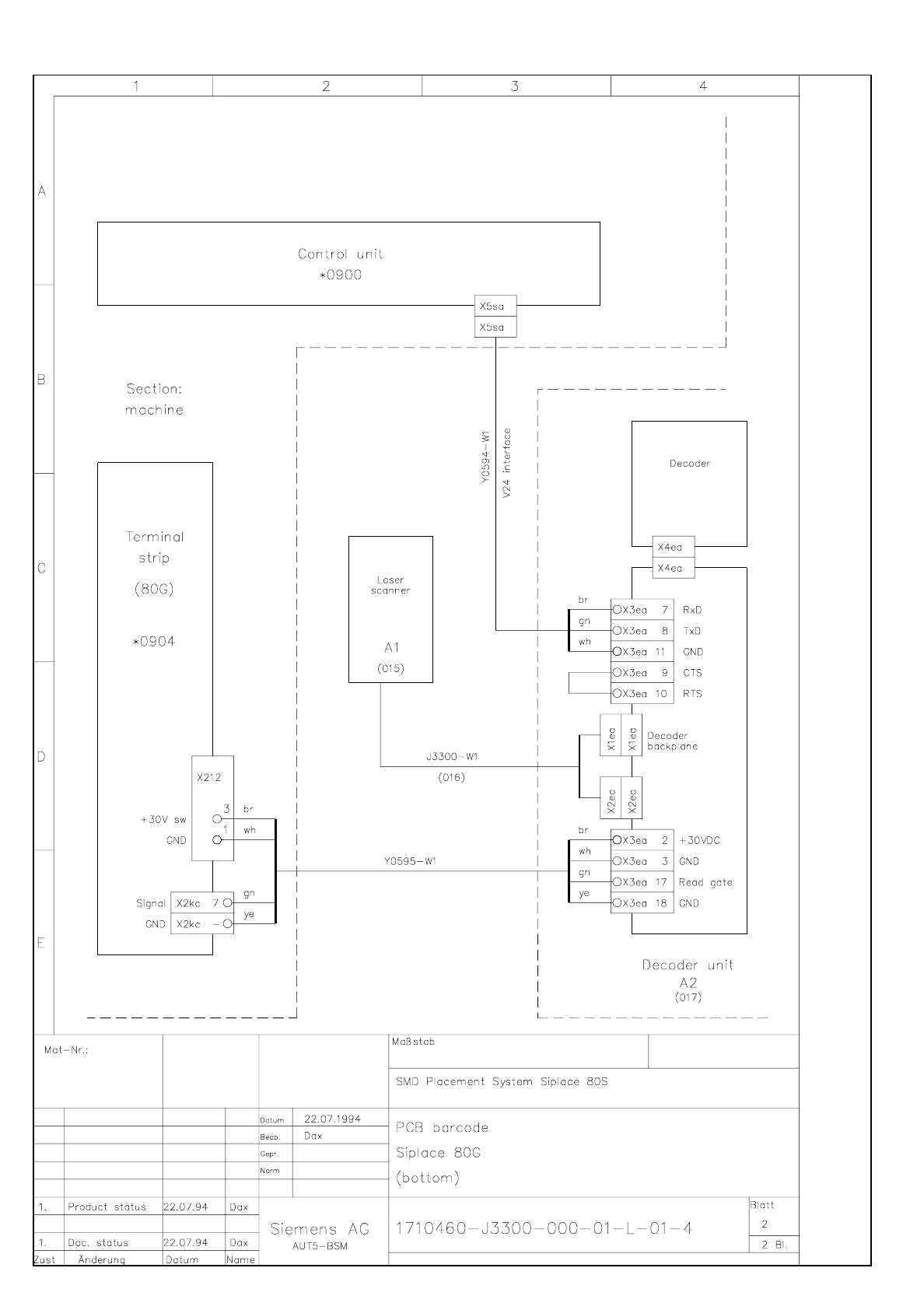
9.2 - 2 PCB barcode Siplace 80G (bottom) (Sh. 2 of 2) OPTIONS
PCB barcode Siplace 80G (bottom) (Sh. 2 of 2)
J3300L12.dwg
1710460-J3300-000-01-L-01-4 PCB barcode Siplace 80G (bottom) (Sh. 2 of 2)