80S-20电路图 - 第104页
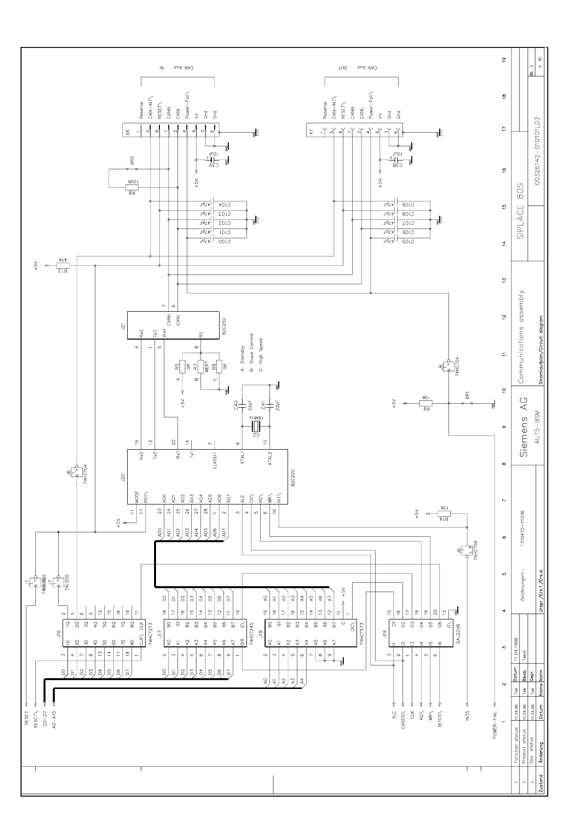
3.5 - 48 Communi catio ns asse mbly (Sh. 3 of 4) SIPLACE 80S -20 Communications assem bly (Sh. 3 of 4) Y1036L1 3.dwg 003261 42-01 0101LD3 C ommuni cations asse mbly (Sh. 3 of 4)

SIPLACE 80S-20 Communications assembly (Sh. 2 of 4) 3.5 - 47
Communications assembly (Sh. 2 of 4)
Y1036L12.dwg
00326142-010101LD3 Communications assembly (Sh. 2 of 4)

3.5 - 48 Communications assembly (Sh. 3 of 4) SIPLACE 80S-20
Communications assembly (Sh. 3 of 4)
Y1036L13.dwg
00326142-010101LD3 Communications assembly (Sh. 3 of 4)

SIPLACE 80S-20 Communications assembly (Sh. 4 of 4) 3.5 - 49
Communications assembly (Sh. 4 of 4)
Y1036L14.dwg
00326142-010101LD3 Communications assembly (Sh. 4 of 4)