80S-20电路图 - 第315页
3.11 - 12 Adapter board SP6-12 - Componen t moun ting diag ram SIPLACE 80S -20 Adapt er boa rd SP6 -12 - C omponent mount ing di agram 321215n 6.dw g 003212 15-06 0101ND 3 Adapter board SP6-12 - Compo nent m ounting diag…

SIPLACE 80S-20 Adapter board SP6-12 (Sh. 3 of 3) 3.11 - 11
Adapter board SP6-12 (Sh. 3 of 3)
Y0010L6c.dwg
00321215-060101LD3 Adapter board SP6-12 (Sh. 3 of 3)

3.11 - 12 Adapter board SP6-12 - Component mounting diagram SIPLACE 80S-20
Adapter board SP6-12 - Component mounting diagram
321215n6.dwg
00321215-060101ND3 Adapter board SP6-12 - Component mounting diagram

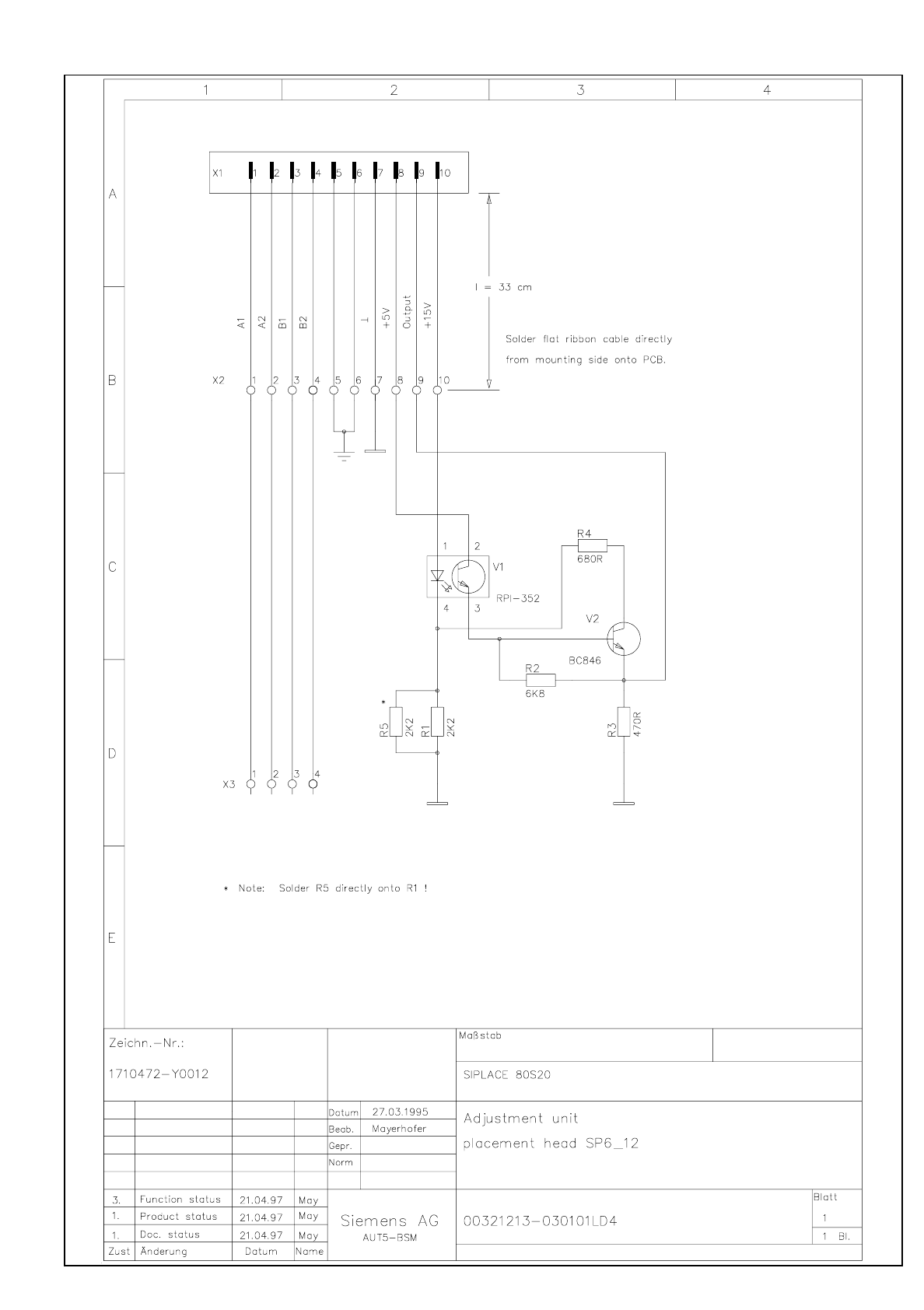
SIPLACE 80S-20 Stelleinheit Placement head SP6_12 3.11 - 13
Stelleinheit Placement head SP6_12
Y0012L31.dwg
00321213-030101LD4 Feed unit Placement head SP6_12