80S-20电路图 - 第398页
SIPLACE 80S-20 Head board SP6 _12 (Sh. 10 of 11) 3.16 - 21 Head bo ard SP 6_12 (S h. 10 of 11) C0005 L7j.dwg 00321214 -0701 01LD3 He ad board SP6_12 (Sh. 10 of 11)

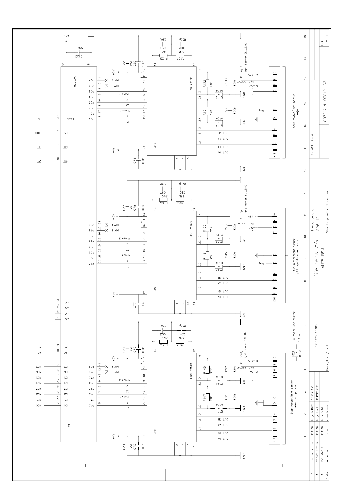
3.16 - 20 Head board SP6_12 (Sh. 9 of 11) SIPLACE 80S-20
Head board SP6_12 (Sh. 9 of 11)
C0005L7i.dwg
00321214-070101LD3 Head board SP6_12 (Sh. 9 of 11)

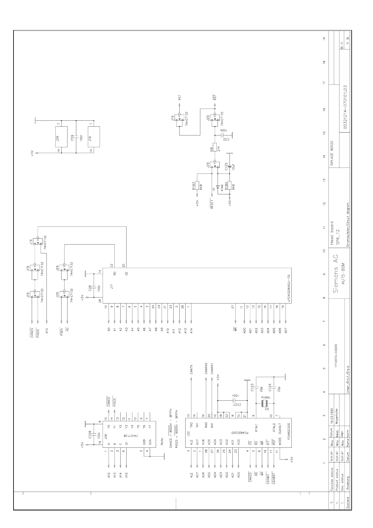
SIPLACE 80S-20 Head board SP6_12 (Sh. 10 of 11) 3.16 - 21
Head board SP6_12 (Sh. 10 of 11)
C0005L7j.dwg
00321214-070101LD3 Head board SP6_12 (Sh. 10 of 11)

3.16 - 22 Head board SP6_12 (Sh. 11 of 11) SIPLACE 80S-20
Head board SP6_12 (Sh. 11 of 11)
C0005L7k.dwg
00321214-070101LD3 Head board SP6_12 (Sh. 11 of 11)