80S-20电路图 - 第451页
3.18 - 18 SIPLACE 80S-20

SIPLACE 80S-20 Ground lug (base - door/angle/mounting plate) 3.18 - 17
Ground lug (base - door/angle/mounting plate)
Y0633L04.dwg
1710470-Y0633-000-03-L-04-4 Ground lug (base - door/angle/mounting plate)

3.18 - 18 SIPLACE 80S-20

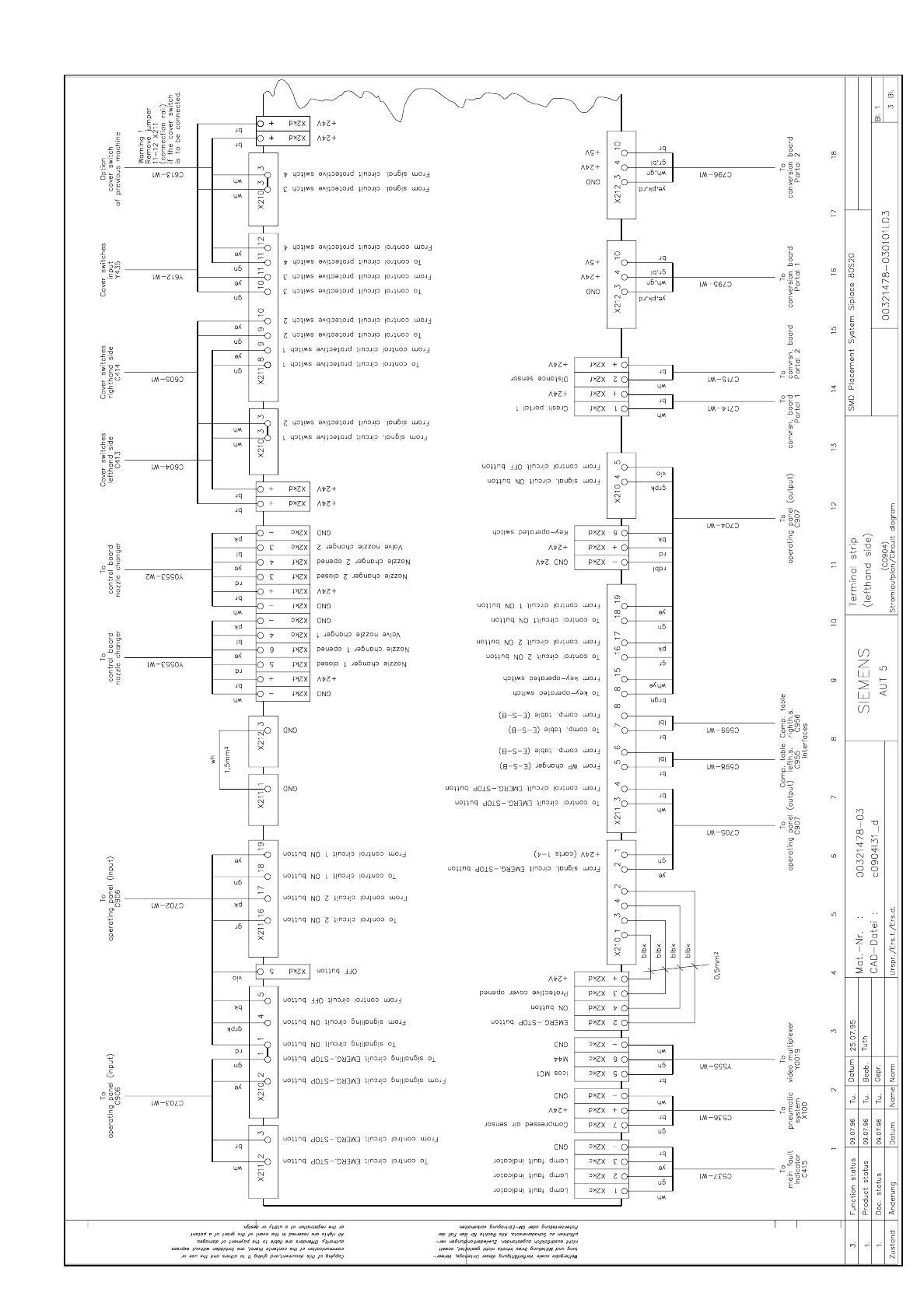
SIPLACE 80S-20 Terminal strip (lefthand side) (Sh. 1 of 3) 3.19 - 1
3.19 Terminal strip, lefthand side (00321478-03)
Terminal strip (lefthand side) (Sh. 1 of 3)
C0904L31.dwg
00321478-030101LD3 Terminal strip (lefthand side) (Sh. 1 of 3)