80S-20电路图 - 第597页
OPTION S Cabl e Lifting table I /O / width 1 9.12 - 35 Cable Lifting table I/O / width 1 326064 12.dw g 00326064 -0102 01LD4 Cable L ifting table I /O / width 1

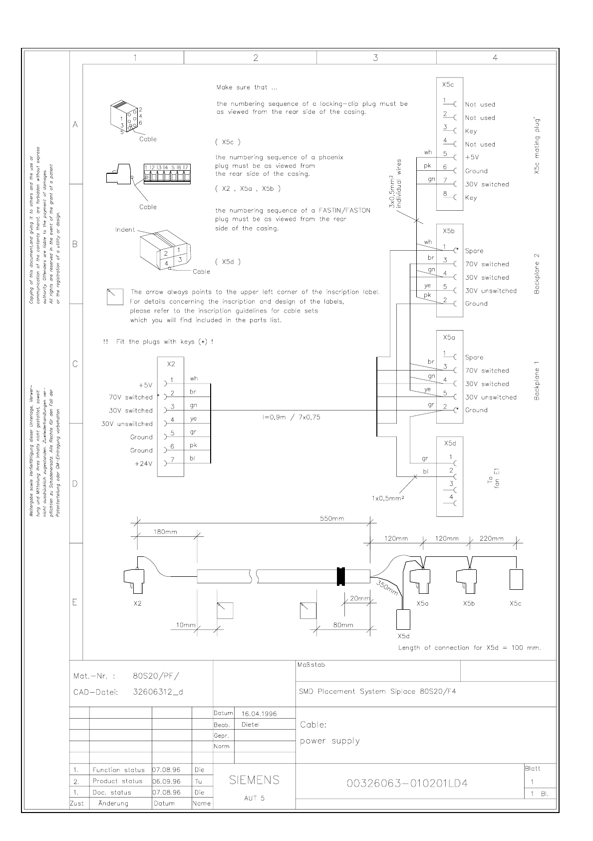
9.12 - 34 Cable Power supply OPTIONS
Cable Power supply
32606312.dwg
00326063-010201LD4 Cable Power supply

OPTIONS Cable Lifting table I/O / width 1 9.12 - 35
Cable Lifting table I/O / width 1
32606412.dwg
00326064-010201LD4 Cable Lifting table I/O / width 1

9.12 - 36 Cable Lifting table I/O / width 2 OPTIONS
Cable Lifting table I/O / width 2
32606512.dwg
00326065-010201LD4 Cable Lifting table I/O / width 2