80S20 circuit - 第99页
4 80S-20/OPTIONS Circu it Diagrams 99 00116161-020102LD4 Nozzle changer for Collect &Place head 80S-20/F4 (Sh. 1 of 2) 00116161-020102LD4 Nozzle changer for Collect &Place head 80S-20/F4 (Sh. 2 of 2) A1/X2ka:4 A3…

4 80S-20/OPTIONS Circuit Diagrams 98
00117185-010101LD3 110/208V conversion kit for SIPLACE 80 S20 / S23 / F4 / F5 (Sh. 3 of 3)
=
Gepr.
Norm
Bearb.
Urspr. Ers. f. Ers. d.Name
SIEMENS AG
+
D
8
B
F
3
A
E
32
D
C
B
L
N
PE
C6A
2,5mm
2
2,5mm
2
1,5mm
2
1,5mm
2
5
C
1 42
54
6
A
7
F
1
87
E
6
1
N
N
1
N
L1
L2
L3
PE
N
L1
L2
L3
PE
C6A
2
1
6
5
4
3
6,3AT / 110V
X1
2
3
1
4
Z1
A1
F1
21
Y501-W1
Y501-W2
.917
X216
6,30AT
110V / 60Hz
10 9 8 7 6
54 321 12
11
Pin5 --> Pin4
1,5mm
2
F1
65
65
208V / 60Hz
G1/G2
2,5mm
2
T1
Y545-W1
Y558-W1
54321
F1
230V/400V
W2-V2
U2-V2
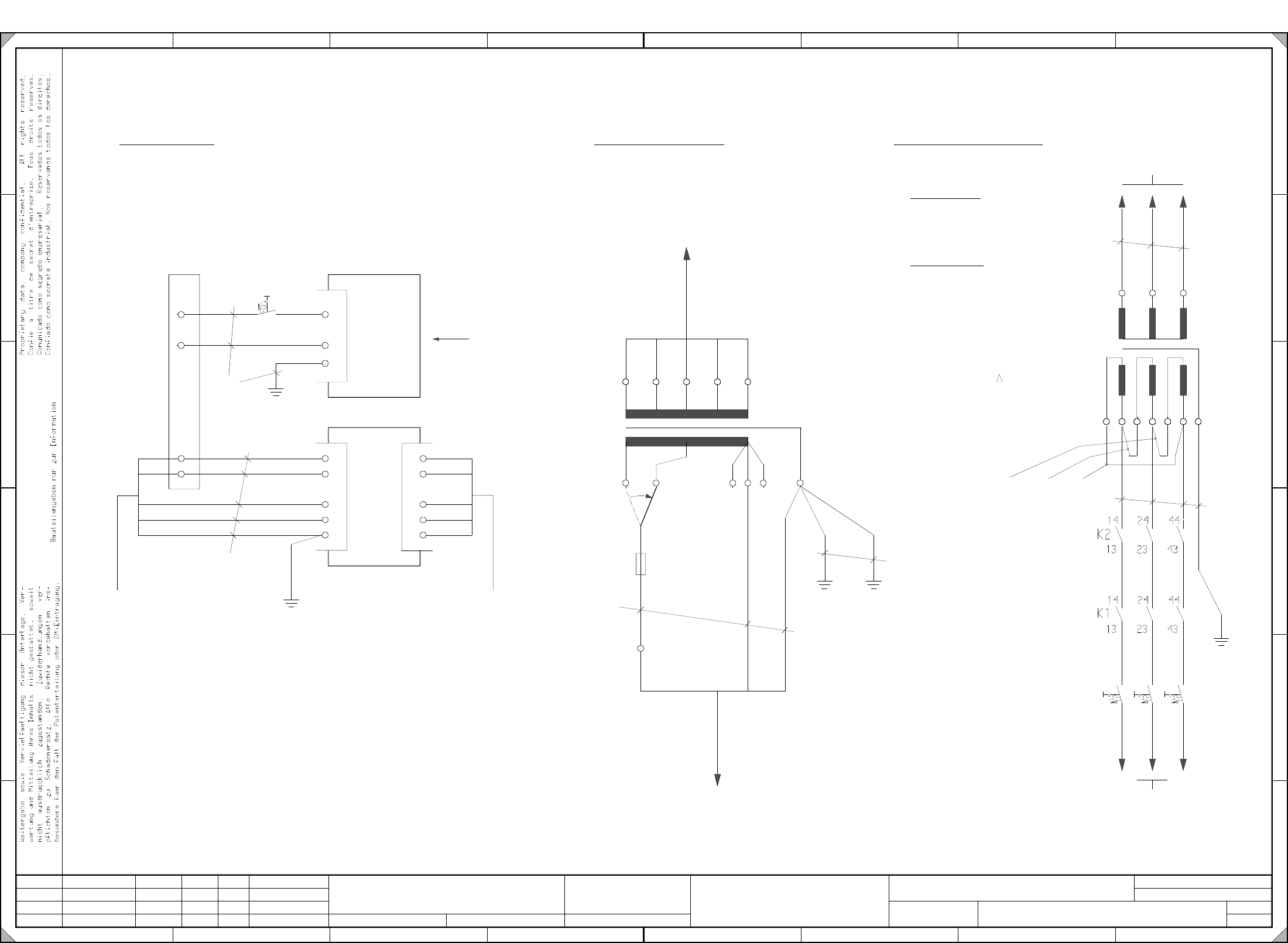
V1-U2 ==> BR7
W1-V2 ==> BR6
W2-U1 ==> BR5
110V/208V
BR7 BR6 BR5
W2
W1
V2
V1
U2
U1
PE
65
65
65
65
00117185-010101LD3
#
Berger
14.10.1998
10.03.99
14.10.98
14.10.98
01
01.
01
Tek
Wa
Wa
3
3
PL EA1 E2
socket
To
bk
br
bk
bl
gnye
Main power
filter
bk
bl
br
bl
gnye
Main power connector
To
gnye
Plug adapter
br
Adhesive label:
gnye
CO table transformer
Section d):
Service socket
Section c):
gnye
main power switch
Transformer
processor board of component table
To
ground
Table
ground
Cover
WPC power supply unit
Section e):
gnye
bk
bk
bk
rd
rd
rd
rectifier
To
Delta connection
br
bl
gnye
To
power connection power supply infeed
To
Date
Sheet
Sh.
SIPLACE 80 S20 / S23 / F4 / F5 SMD Placement System
for SIPLACE 80 S20 / S23 / F4 / F5
110/208V conversion kit
DateModificationIssue
Document status
Product status
Function status
Service

4 80S-20/OPTIONS Circuit Diagrams 99
00116161-020102LD4 Nozzle changer for Collect&Place head 80S-20/F4 (Sh. 1 of 2)
00116161-020102LD4 Nozzle changer for Collect&Place head 80S-20/F4 (Sh. 2 of 2)
A1/X2ka:4
A3/X2kf:-
A3/X2kf:+
A3/X2kf:5
A3/X2kf:6
A3/X2kf:3
A3/X2kf:-
A3/X2kf:+
Nozzle changer
12
wh
bn
rd
ye
bl
pk
wh
bn
ye
rd
A1/X2ka:3
A1/X2ka:-
Siplace 80S20
bl
pk
nozzle changer
Control board,
X1eb
X1eb
nozzle changer
Control board,
X1ec
X1ec
00317578-02 (W2)
00317353-02
X2ec
X2ec
(ec)
X60
Valve
4321
E
D
C
B
A
AUT5-BSM
Siemens AG
Function status
SMD Placement System Siplace 80S
Doc. status
1
2
Product status
Stat. Modified Date Name
Date
Author
Check.
Stand.
Scale
Sheet
Sh.
Mat. no.:
CAD file:
00321478-03
00317353-02
2.
1.
2.
28.11.96
09.08.95
11616122
09.08.95
00116161-02
terminal strip
Section:
00317578-02 (W1)
(eb)
X2eb
X2eb
X60
Valve
(section: SIPLACE 80S20)
revolver head S20/F4
Nozzle changer for
00116161-020102LD4
Tek
Sz
Sz
08.11.1994
Dax
00317579-01 (W2)
00317579-01 (W1)
A3/X2kf:4
Nozzle changer
A1/X2ka:-
1.
2.
2.
11616122
28.11.96
09.08.95
Tek
Sz
09.08.95 Sz
(section: SIPLACE 80F4)
revolver head S20/F4
Nozzle changer for
08.11.1994
Dax
00317579-01 (W1)
wh
00116161-02
terminal strip
00321479-04
Section:
A1/X2ka:-
A1/X2ka:4
A3/X2kf:-
A3/X2kf:+
A3/X2kf:5
A3/X2kf:6
Nozzle changer
1
rd
bn
ye
bl
pk
Control board,
nozzle changer
00317578-02 (W1)
00317353-02
(eb)
X2eb
X2eb
X60
Valve
X1eb
X1eb
4321
E
D
C
B
A
AUT5-BSM
Siemens AG
Function status
SMD Placement System Siplace 80S
Doc. status
2
2
Product status
Stat. Modified Date Name
Author
Stand.
Check.
Date
Scale
Sheet
Sh.
Mat. no.:
CAD file:
Siplace 80F4
00116161-020102LD4

4 80S-20/OPTIONS Circuit Diagrams 100
00347474-010102LD4 PCB barcode, top/bottom
only in conjunction with GEM option
Status Modified Date Name Stand.
Date
Author
Check.
Orig. Repl. f. Replaced by
To the
terminal panel (left-hand side)
at X212/4
at X2kc:7
wh+br
gn+ye
gr+pk
bl+rd
at X212/3
at X2kc:4
(+24V)
I/O panel A2 A2
(GND)
I/O panel A2 A2
00345332
Cable: PCB barcode power supply
00345333
X5
X5
X6
X6
X2
X2
X3
X3
X4
X4
PCB barcode distribution board
00343635
00347474-010102LD4
To the
machine controller
PL EA1 E2
PCB barcode, top/bottom
1
1
SMD-Placement System Siplace
Product status
Doc. status
Function status03. 04.12.98
01.
01.
04.12.98
22.02.99
Tek
Tek
Tek
26.10.1998
Fux
X1
X1
1342
X*sa
M54
M44 X6sa
X8sa
X*sa
Sheet
SIEMENS AG
Sh.
Cable: PCB barcode/MC distribution board
(control unit)
Barcode reader Barcode reader Barcode reader Barcode reader
Barcode reader 3 and 4 on dual conveyor