6_aSPIre3_L_Series_4WHS_ElectricDrawings
B DSG. S.KIM REV. DWG. S.KIM DATE CHK. AHN 15.07.08 APPR. AHN MODEL NAME SHEET DWG NO C-PLATFORM POWER BOX LAYOUT 1 OF 8 KYES-1000 01-01 CONVEYOR S/W V PC B / D M & S P Z T A MP 1 P Z T A MP 2 P Z T A MP 3 P Z T A M …

B
DSG.
S.KIM
REV.
DWG.
S.KIM
DATE
CHK.
AHN
15.07.08
APPR.
AHN
MODEL
NAME
SHEET
DWG NO
C-PLATFORM
POWER BOX LAYOUT
1 OF 8
KYES-100001-01
CONVEYOR
S/W
V
PC
B
/
D
M
&
S
P
Z
T
A
MP
1
P
Z
T
A
MP
2
P
Z
T
A
MP
3
P
Z
T
A
M
P
4
SE
R
VO
Y
S
E
RV
O
X
S
E
R
V
O
Z
G
N
E
T
-
M
G
NE
T
-
R
TB
C
P
2
M
C
1
M
C
2
N
F
1
M
C
3
S/
R
P
S
9
T
B
N
F
2
FAN1
PS
7
P
S
1
0
P
S
2
P
S
1
PS
4
P
S
3
POWER BOX LAYOUT
S
/
P
C
P
1
O
P
T
I
O
N
(
U
PS
)
O
P
TIO
N
(
LA
N
H
U
B
)
ELCB
* Surge Protective is an option.
L
A
N
H
U
B
T
B

B
DSG.
Y.K.KIM
REV.
DWG.
Y.K.KIM
DATE
CHK.
AHN
13.12.10
APPR.
AHN
MODEL
NAME
SHEET
DWG NO
C-PLATFORM
POWER BLOCK DIAGRAM
1 OF 1
KYES-100011-01
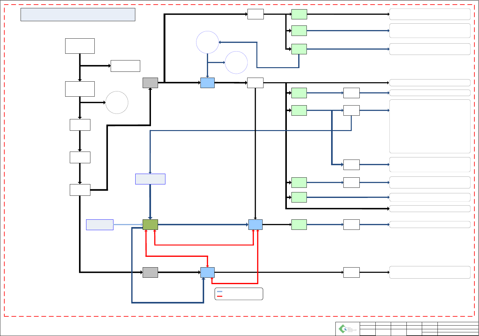
C-PLATFORM POWER BLOCK DIAGRAM
CP1
(16A)
MAIN POWER
SWITCH
ELCB
(15A)
AC 220V
AC 220VAC 220V
NOISE
FILTER 1
PS7
DC 12V
AC220V
TB7
MC1
AC 220V
A
C
2
2
0
V
AC 220V
CONTROL
SWITCH
DC 24V
TB1 * SERVO AMP POWER AC220V
PS1
DC 5.7V
TB2
DC 5.7V
* IVPC DC5.7V
PS2
DC 24VDC 24V
DC 24V
TB3-2
DC 18V
TB8
* RGB POWER DC+18V
* IVPC RGB DC18V GND
PS4
DC 18V
AC 220V
* STEP DRIVER POWER DC24VPS3 TB5
DC 24VDC 24V
* BARCODE POWER AC220V
CP2
(10A)
MC2
AC 220V
TB4
AC 220V * SERVO MOTOR X, Y & Z
POWER AC220V
AC 220V
MC3
EMERGENCY
S/W
D
C
2
4
V
AC 220V
* S/R - SAFETY RELAY
* TB - TERMINAL BLOCK
* MC - MAGNET CONTACT
* CP - CIRCUIT PROTECTOR
* PS - AC-DC CONVERTER(SMPS)
* ELCB - EARTH LEAKAGE CIRCUIT BREAKER
* This circuit does not include the PS5,6,8 & TB6.
NOISE
FILTER 2
AC 220V
MAIN INPUT
TERMINAL
BLOCK
AC 220V
AC 220V
DOOR
INTERLOCK
INTERLOCK
S/R
OUT +24V
OUT +24V
D
C
2
4
V
TB3-1
* BARCODE POWER DC5V
PS9
DC 5V
* GNET-D (I/O BOARD) POWER DC24V
* FLUX REMOVE FAN 7 & 8
POWER DC24V (OPTION)
* PZT AMP POWER DC24V
* MC 2 & 3 POWER DC24V
* BARCODE POWER DC24V
* FAN 1,2 & 3 POWER DC24V
* SAFETY RELAY POWER DC24V
* MC3 (A2) & CONTROL POWER GND
* MAIN AIR AUTO RELIEF VALVE GND
* GNET-R (I/O BOARD) POWER DC24V
* FLUX REMOVE FAN 4,5 & 6
POWER DC24V (OPTION)
* LED LAMP DC24V (OPTION)
* CAMERA POWER DC12V
* LAN HUB POWER DC12V
* CAMERA REPEATER DC12V
MAIN
LAMP
(RED)
AC 220V
CONTROL
LAMP
(GRN)
DC 24V
OPTION
(UPS)
AC220V AC220V
* LCD MONITOR POWER AC220V
* VISION/GUI PC POWER AC220V
SURGE
PROTECTIVE
PS10
DC 24V * MC1 ON POWER DC24V
* GNET-M POWER DC24V
A
C
2
2
0
V
INTERLOCK
LOOP FEEDBACK
SAFETY OPTION

MC 2 (12A)
[DC24V]
MC 1 (12A)
[DC24V]
MC 3 (12A)
[DC24V]
C
DSG.
Y.K.KIM
REV.
DWG.
Y.K.KIM
DATE
CHK.
AHN
14.05.17
APPR.
AHN
MODEL
NAME
SHEET
DWG NO
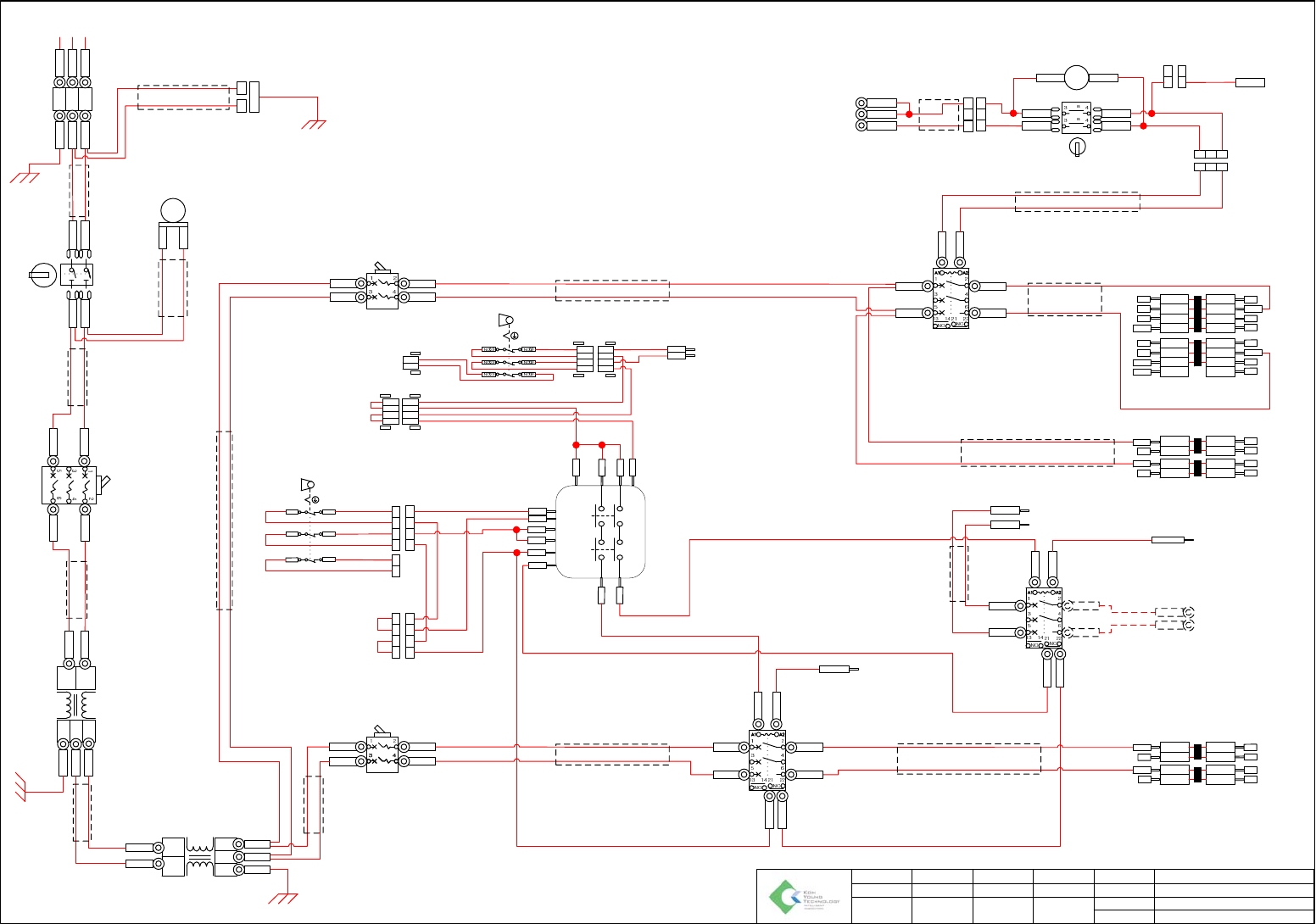
C-PLATFORM
MAIN POWER CIRCUIT 1
1 OF 2
KYES-100021-01
R
S
R
S
GND
AC200-240V (50/60Hz)
1 PHASE (2 WIRE + GROUND)
R
S
PE
TERMINAL BLOCK
R
S
PE PE
S00
R00
NOISE FILTER
(NF2)
R1(3)
R03(1)
S03(2)
S1(4)
GND
R1(1)
R4(2)
S1(3)
R1(1)
MAIN
POWER
S/W
ELCB (15A)
R01(1)
S01(5)
R02(2)
S02(6)
24
3
1
S11
23
24
Safety Relay ESM-BA201
S13
S14
S12
S21
S10
13
14
CP 1 (16A)
A1
(A1)MC2
(A2)MC2
R4(1)
S4(5)
R5(2)
S5(6)
TB1 CTR
(AC220V)
A1,2
A9,10
A3,4
A11,12
B1,2
B5,6
B3,4
B7,8
TB 04_SERVO
(AC220V)
A5,6 A7,8
B1,2 B3,4
R00(1)
S00(3)
R01(2)
S01(4)
A2
TB7 PC SET
(AC220V)
A1,2
A5,6
A3,4
A7,8
B1,2
B5,6
B3,4
B7,8
S2(4)
R2(2)
(A1)MC1
(A2)MC1
21
R2(1)
S2(5)
R3(2)
S3(6)
A1
B1
A1,2 A3,4
B5,6 B7,8
(A1)MC3
(A2)MC3
R3(1)
S3(5)
R6(2)
S6(6)
TB1 A15
TB1 B15
TB3-1 B20
(21)MC3
(22)MC3
B1
A1
A9
B9
SAFETY OPTION
(SURGE PROTECTIVE)
OUT63
SERVO ENABLE
KYES-340003-01
S01
RED
LED
MAIN POWER
LED
R01
A13,14 A15,16
A8
B9,10 B11,12
B8
12341234
1234
REAR DOOR
INTERLOCK DUMMY
KYES-370003-01
1
2
R6
S6
MC3 OUT TO PS3 IN
KYES-110020-01
(3)+24V (4)+24V
(3)GND (4)GND
1 3
21
SMR-03
(+)+24V(-)GND
CONTROL POWER LED
GREEN
LED
CONTROL POWER SWITCH
KYES-330004-01
3
2
3
PS10(+)
PS10(-)
1 3
SMP-03
2
5559/7-04
5557/9-04
5557/9-04
OUT MC1 PWR
SMP-03
3
4
R
S
R
S
GND
NOISE FILTER
(NF1)
R03(3)
R02(1)
S02(2)
S03(4)
GND
1
2
3
4
1
2
3
4
5559/7-04
REAR EMERGENCY DUMMY
KYES-370006-01
2
1
FRONT
EMERGENCY SWITCH
KYES-370005-01
1
2
3
4
(21)MC2
(22)MC2
S1(3)
S4(4)
1234
FRONT
DOOR INTERLOCK
KYES-370002-01
BNWH
BU(GN)(YE)BK
GYPK
12
CP 2 (10A)
IN04
21
21
SMR-02
SMP-02
GND
MAIN
EMERGENCY
KYES-370004-01
A5,6 A7,8
B9
B13,14 B15,16
CONTROL POWER INPUT
KYES-330003-01
CONTROL POWER MC1
KYES-130001-01
MAIN DOOR INTERLOCK
KYES-370001-01
SAFETY OPTION
KYES-110001-01
KYES-110002-01
KYES-110003-01
KYES-110004-01
KYES-110005-01
KYES-110006-01
KYES-110007-01
KYES-110008-01
KYES-110009-01 KYES-110010-01
KYES-110011-01
KYES-110014-01
KYES-110015-01
KYES-110026-01
KYES-110027-01
KYES-110029-01 KYES-110030-01
KYES-110031-01
KYES-110032-01
SMR-03
OUT MC1 PWR
MAIN POWER CIRCUIT 1
KYES-110033-01