TR5DNR_维修调整 - 第94页
维修调整要领书 9-1 9. 调试模式 为了在组装或更换零部件时单独用 TR5D 检验动作, 备有一种简单的自我诊断模式, 可诊断托盘收进 部的动作、校验传感器等,这就是调试模式。 调试模式由下述菜单组成。当初始化未完成时, 4 之后的菜单不会显示。 1. Init ialize 2. Sensor Check 3. Z Jog 4. Shutter 5. Pull Out Tray 6. Stacker Change 7. Y Hol…

维修调整要领书
8-2
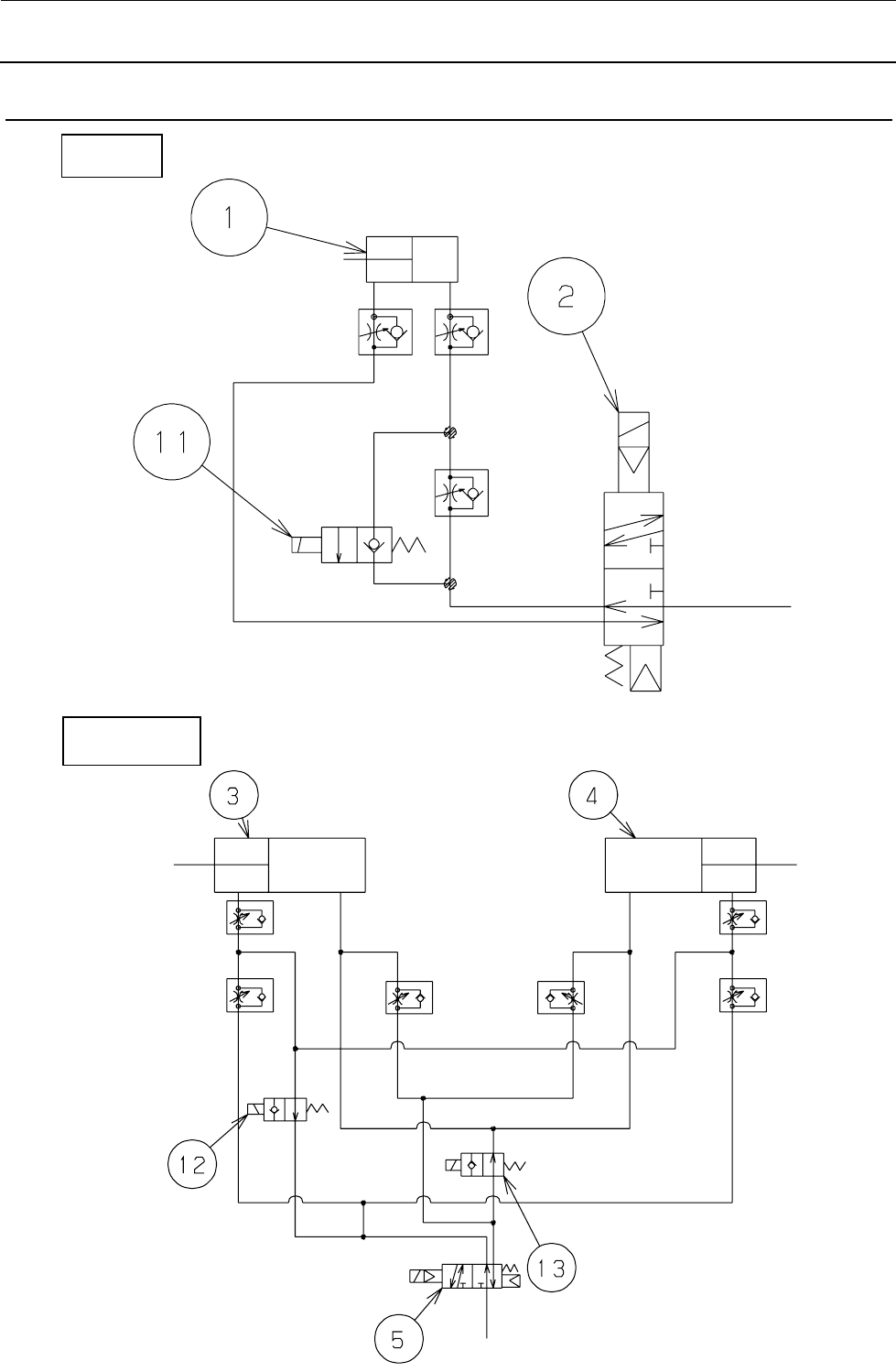
8-3. 气动系统配管图(选配:低速 2 模式)
闸门部
Y 夹持器部

维修调整要领书
9-1
9.
调试模式
为了在组装或更换零部件时单独用 TR5D 检验动作,备有一种简单的自我诊断模式,可诊断托盘收进
部的动作、校验传感器等,这就是调试模式。
调试模式由下述菜单组成。当初始化未完成时,4 之后的菜单不会显示。
1. Initialize
2. Sensor Check
3. Z Jog
4. Shutter
5. Pull Out Tray
6. Stacker Change
7. Y Holder
8. Z Unit
9. YZ Unit Adjustment
10. Clamp
9-1. 向调试模式转移和结束
按住 ONLINE ENTER 键并同时接通电源,即可转移到调试模式。
要结束时,使电源 OFF 即可结束。
首先是显示下载程序修订版。
图 9-1-1 显示下载程序修订版
在显示过程中按住 ONLINE ENTER 键也会转移到调试模式。
转移到调试模式后,所有 LCD 在几秒钟内显示“■”,然后显示 ROM 修订版,再显示菜单选择。
图 9-1-2 调试模式的初始显示
图 9-1-3 显示 ROM 修订版
图 9-1-4 调试模式菜单选择的初始显示
R20
:修订版
V01
:版本
L01C:级别
DLL:下载程序
5
:表示
TR5D
FLS Revision
R20-V01-L01C DLL 5
ROM Revision
R01-V01-L01 STD 5
R01
:修订版
V01
:版本
L01:级别
STD:标准规格
5:表示 TR-5D
TEST MODE
1. Initialize

维修调整要领书
9-2
9-2. Initialize(初始化)
进行各轴的原点定位。
① 进入初始化。
从菜单中选择“1.Initialize”。
图 9-2-1 确定初始化
② 确定初始化
按下 ENTER 按钮即开始初始化。
如按 CANCEL 按钮,则不进行初始化而回到菜单显示。
9-3. Sensor Check(传感器校验)
以 0、1 显示各传感器的状态(通往端口的输入状态)。
0 表示 NonActive,1 表示 Active。
传感器
No.
传感器名称
1
叠盘箱护罩开关
R
(
MAIN
)
2
叠盘箱护罩开关
L
(
SUB
)
3
滑台传感器
R
(
MAIN
)
4
滑台传感器
L
(
SUB
)
5
闸门关闭传感器
6
闸门打开传感器
7
叠盘箱解除锁定传感器
R
(
MAIN
)
8
叠盘箱锁定传感器
R
(
MAIN
)
9
叠盘箱解除锁定传感器
L
(
MAIN
)
10
叠盘箱锁定传感器
L
(
MAIN
)
11
托盘保持传感器
R
(
MAIN
)
12
托盘释放传感器
R
(
MAIN
)
13
托盘保持传感器
L
(
SUB
)
14
托盘释放传感器
L
(
SUB
)
15
Y
极限
-
16
Y
原点
17
Y
极限
+
18
托盘传感器
-
19
托盘传感器
+
20
元件浮起传感器
Low
21
元件浮起传感器
High
22
Z
极限
-
23
Z
原点
24
Z
极限
+
25
叠盘箱传感器
R
(
MAIN
)
26
叠盘箱传感器
L
(
SUB
)
27
叠盘箱位置传感器
28
托盘扫描传感器
29
叠盘箱护罩锁定传感器
R
(
MAIN
)
30
叠盘箱护罩锁定传感器
L
(
SUB
)
31
Y
退避传感器
32
元件浮起传感器
35mm
33
叠盘箱托盘误插入传感器
R
(
MAIN
)
34
叠盘箱托盘误插入传感器
L
(
SUB
)
1. Initialize
Sure?