PTS-XP242E-05JE - 第71页
59

58

59

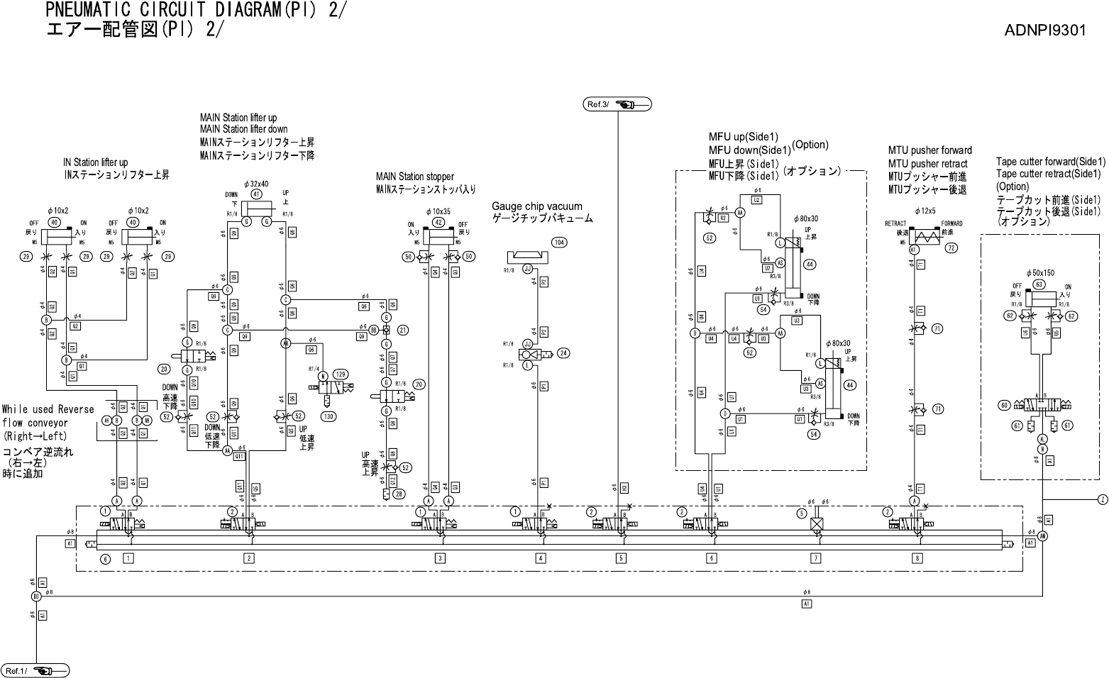
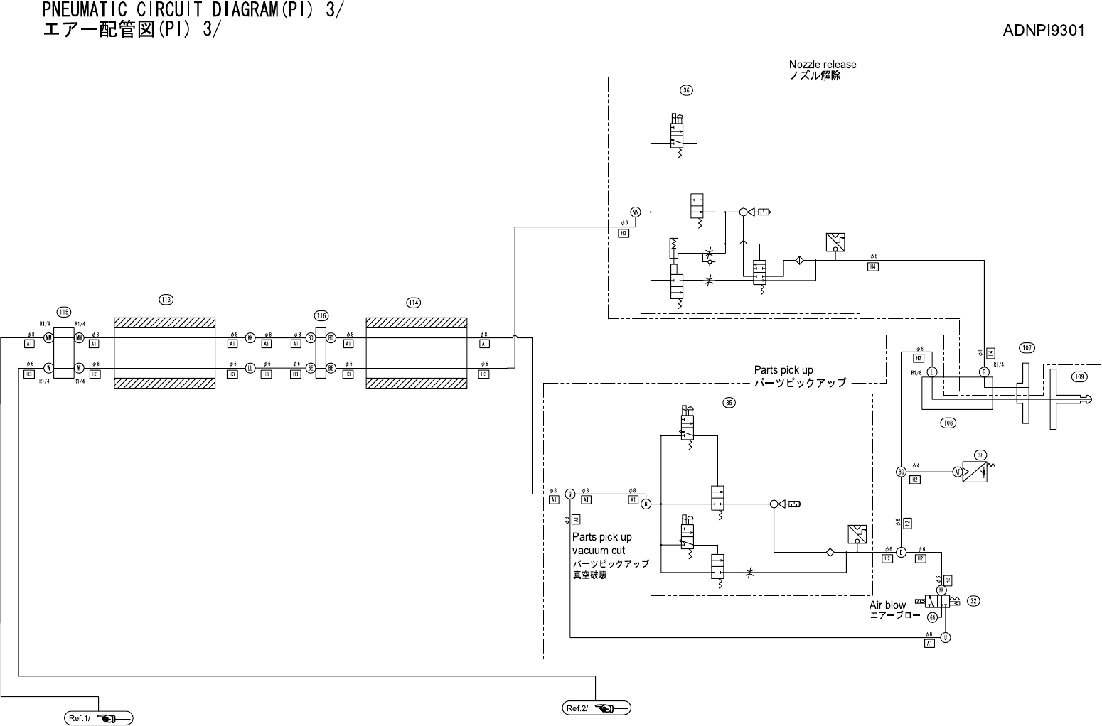
PNEUMATIC CIRCUIT DIAGRAM(PI)
エアー配管図(PI) ADNPI9301
No. Drg.No. & Code No. QTY Description Rating Materials Remarks
番号 図番 & コード番号 個数 品名 規格 材質 備考
1 H1331A - VALVE バルブ VQ1101-5 DC24V OT
2 H1332A - VALVE バルブ VQ1201-5 DC24V OT
5 H3051E - COVER, BLIND 蓋 盲 VVQ1000-10A-1 OT
6 DNPI3010 - VALVE UNIT バルブユニット VV5Q11-08-X1267 OT
10 K1086T - COUPLER カプラ 30PM OT
11 H1059T - VALVE, BALL バルブ ボール RP-LL-3/8 ロックハンドルツキ OT
13 S5023H - SOCKET ソケット 30SH OT
15 K2027R - KEY キー C1000-50 OT
16 H1046A - VALVE, STOP バルブ ストップ A3/8X100 OT
17 H1024R - VALVE バルブ VP542-5EZ-03A OT
20 H1063G - VALVE, MECHANICAL バルブ メカニカル VM121-01-01 OT
21 H1050K - VALVE, CHECK バルブ チェック C250-01-32W OT
24 H1009H - GENERATOR, VACUUM 発生器 真空 VP-05HS OT
25 A4001B - EJECTOR エジェクタ VDBL10R6-08SA-D-1.0 OT
28 S1053B - SILENCER サイレンサ KM-J6 (10コ/フクロ) OT
29 H1039A - VALVE, THROTTLING バルブ 絞り JNC4-M5 OT
32 H1124Z - VALVE, SOL バルブ SOL VQZ312-5L-C8 OT
33 S5019A - SOCKET ソケット MC05SM OT
34 H1037T - VALVE, MANUAL バルブ 手動 HV8-8-2 OT
35 H1007E 1 GENERATOR, VACUUM
発生器 真空
VKBH12W-0608SR01E-B-NW-FMS OT
36 H1007F 1 GENERATOR, VACUUM
発生器 真空
VKBH12R-0608SR01G-B-NW-FMS OT
37 S4033H - SENSOR, PRESSURE センサ 圧力 PSE511-M5 OT
38 S4033K - SENSOR, PRESSURE センサ 圧力 ZSE-30-01-25-ML OT
40 DEQC0760 - CYLINDER, AIR シリンダ エアー CXSL10-R7789-2 OT
41 S2125T - CYLINDER, AIR シリンダ エアー CQ2D32-40DCM ナットツキ OT
42 S2126L - CYLINDER, AIR シリンダ エアー CXSM10-K6869-35 OT
44 S20978 - CYLINDER, AIR シリンダ エアー CDLQB80-30D-B-F9NL OT
50 K5337G - CONTROLLER, SPEED コントローラ スピード AS1201F-M5-04 (シロ) OT
52 K5340Y - CONTROLLER, SPEED コントローラ スピード AS2001F-06(シロ) OT
54 K53495 - CONTROLLER, SPEED コントローラ スピード AS3201F-03-06S OT
60 H13384 - VALVE, SOL バルブ SOL SX5320-5MZ-C6-F2-X21 OT
61 S1056E - SILENCER サイレンサ AN103-01 OT
62 K5342D - CONTROLLER, SPEED コントローラ スピード AS2201F-01-06S(シロ) OT
63 S21975 - CYLINDER, AIR シリンダ エアー FCD-KL-50-150-MOV3-D-FL324 OT
71 K5335A - CONTROLLER, SPEED コントローラ スピード JSU4 OT
72 S2208D - CYLINDER, AIR シリンダ エアー CDQSB25-5TM-F9NVL OT
101 DBPP0113 - PLATE プレート OT
104 DEAJ3052 - BOX, VACUUM BOX バキューム OT
60