KY8030-2XDL(2P) Part List (20120430) - 第144页
No. Item Code No. Specification Description Type Q’TY Remark 1 501017 - 000010 CI -204 (PCI-E 4Port 232) Extension Serial Card Electric 1 2 504013 - 000001 KO -GX280SMT 17” LCD MO NITOR Electric 1 LCD 3 504015 - 000002 G…

2. 1. MAIN CONTROL PC BLOCK DIAGRAM
89

No.
Item Code No.
Specification
Description
Type
Q’TY
Remark
1
501017-000010
CI-204 (PCI-E 4Port 232)
Extension Serial Card
Electric
1
2
504013-000001
KO-GX280SMT
17” LCD MONITOR
Electric
1
LCD
3
504015-000002
GP-K7000(BLACK)
Key B/D
Electric
1
KEY BOARD
4
504020-000001
Memorive 2.0 Pro (128M)
USB MEMORY
Electric
1
5
505010-000004
EPM-SPI
Gerber Pad Software (Standard)
Electric
1
6
604025-000055
T5500
GUI/Vision PC
Electric
1
MAIN CONTROL PC
7
504090-000002
AS-35A
HDD Anti-Vibration(3.5”)
Electric
1
Anti Vibration
8
E019-0210100
MAIN PC Power Cable
Cable
1
9
E019-0210200
Key Board & USB Extend Cable
Cable
1
USB & PS/2 CABLE
10
E019-0211000
Barcode Block Diagram
Cable
-
11
E019-0211100
Barcode Adapter Power Cable
Cable
1
12
E019-0211200
Barcode Adapter Connector
Cable
1
13
E019-0211300
Barcode-Serial/PWR Cable
Cable
1
14
E019-0211400
Barcode-Serial Cable
Cable
1
15
16
2. 2. MAIN CONTROL PC PART LIST
10

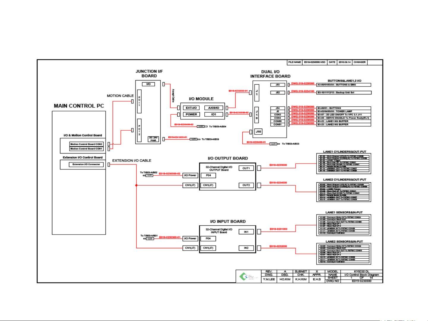
3. 1. I/O CONTROL BLOCK DIAGRAM
11