KY8030-2XDL(2P) Part List (20120430) - 第153页
No. Item Code No. Specification Description Type Q’TY Remark 1 501015 - 000005 STMC I/F Board(V5.3) Step Motor Control Board Electric 2 STMC BOARD 2 554011 - 000003 PM -K44 PHOTO SENSOR Electric 6 Limit Sensor 3 554011 -…

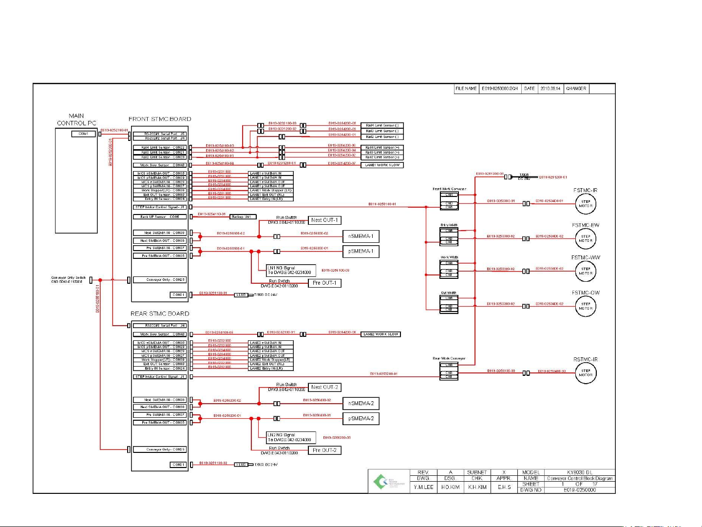
5. 1. CONVEYOR CONTROL BLOCK DIAGRAM
18

No.
Item Code No.
Specification
Description
Type
Q’TY
Remark
1
501015-000005
STMC I/F Board(V5.3)
Step Motor Control Board
Electric
2
STMC BOARD
2
554011-000003
PM-K44
PHOTO SENSOR
Electric
6
Limit Sensor
3
554011-000009
E3S-LS3NW
PHOTO SENSOR
Electric
2
Work Slow Sensor
4
555017-000004
MDU2U3PDA R
STEP Motor Driver
Electric
5
STEP Driver
5
555014-000003
4S56Q-02554S
STEPPING MOTOR
Electric
5
STEP MOTOR
6
E019-0251100
STMC Board 24V Power Cable
Cable
1
7
E019-0251200
STEP Driver Power Cable 1
Cable
1
8
E019-0251300
STEP Driver Power Cable 2
Cable
1
9
E019-0252100
PC/STMC Serial Cable
Cable
1
10
E019-0252200
FSTMC/RSTMC Can Cable
Cable
1
11
E019-0253100
FSTMC STEP Driver Command Cable
Cable
1
12
E019-0253200
FSTMC STEP Driver Command Cable
Cable
1
13
E019-0253300
STEP Motor Power Cable
Cable
1
14
E019-0253400
STEP Motor Power Connector
Cable
1
15
E019-0254100
Home/Limit Sensor Cable
Cable
1
16
E019-0254110
Backup Unit Sensor Cable
Cable
1
17
E019-0254200
Home/Limit Sensor Connector
Cable
1
18
E019-0255100
STMC Conveyor Only Signal Cable
Cable
1
19
E019-0256100
LANE1 SMEMA Cable
Cable
1
20
E019-0256200
LANE2 SMEMA Cable
Cable
1
5. 2. CONVEYOR CONTROL PART LIST
19

No.
Item Code No.
Specification
Description
Type
Q’TY
Remark
21
E019-0256300
LANE1 SMEMA Connector Cable
Cable
1
22
E019-0256400
LANE2 SMEMA Connector Cable
Cable
1
23
24
5. 2. CONVEYOR CONTROL PART LIST
20