KY8030-2XDL(2P) Part List (20120430) - 第155页
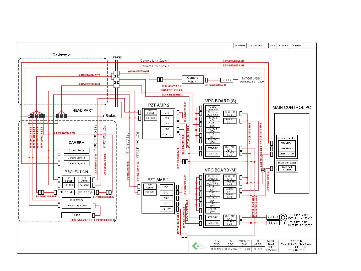
6. 1. VISION BL OCK DIAGRAM 21

No.
Item Code No.
Specification
Description
Type
Q’TY
Remark
21
E019-0256300
LANE1 SMEMA Connector Cable
Cable
1
22
E019-0256400
LANE2 SMEMA Connector Cable
Cable
1
23
24
5. 2. CONVEYOR CONTROL PART LIST
20

6. 1. VISION BLOCK DIAGRAM
21

No.
Item Code No.
Specification
Description
Type
Q’TY
Remark
1
552611-000002
JPW118
Power Supply
Vision
1
Camera Adaptor
2
555090-000012
SKE-ECV-07 V2.0
Extension Cable for Voltage
Cable
2
PZT Control Cable
3
555090-000013
SKE-ACS-07 V2.0
Adaptor Cable Sensor 4 Pin
Cable
2
PZT SGS Cable
4
552214-000012
XREWHT-L1-0000-00D01
3D LED Lighting
Vision
4
3D-LED
5
501014-000026
LED_2DT_VER1.1
2D Lighting Board
Vision
1
2D-LED
6
501014-000034
LED_RGB_VER2.1
2D LIGHT BOARD
Vision
15
2D-RGB
7
501014-000035
LED_R_VER1.0
2D LIGHT BOARD
Vision
1
CONNECTOR BOARD
8
555090-000005
PAL LVPZT AMP-100
PZT AMP
Vision
2
*PALABS SET
9
555090-000008
LVPZT-100
Projection
Vision
2
*PALABS SET
10
501014-000020
Xcelera-CL PX 4 FULL TM
Frame Graber
Vision
1
11
501014-000030
VPC Board(V5.6A)
VPC Board
Vision
2
12
604015-000012
A-4200M
Camera
Vision
1
13
504019-000007
14B26-SZLB-500-SKC(5M)
Camera Link Cable
Cable
2
Camera Link Cable
14
E019-0260110
VPC Board 5V Power Cable
Cable
1
15
E019-0260210
VPC&PZT 24V Power Cable
Cable
1
16
E019-0260310
Camera Adapter IN Power Cable
Cable
1
17
E019-0260400
Camera Adapter OUT Power Cable
Cable
1
18
E043-0260500
Camera Power Cable
Cable
1
19
E043-0260600
Camera Power Connector
Cable
1
6. 2. VISION PART LIST
22