KY8030-2XDL(2P) Part List (20120430) - 第160页
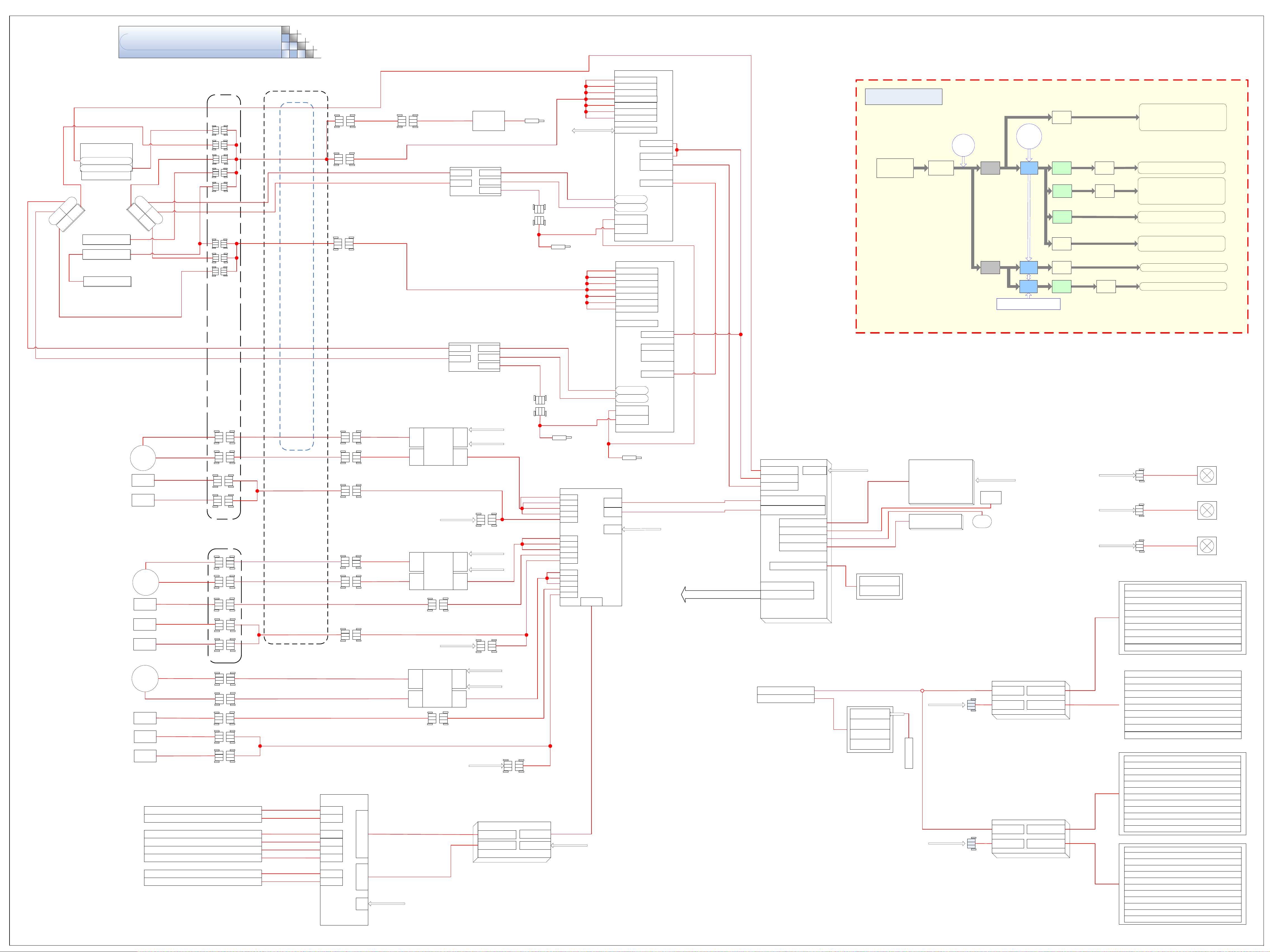
2010-12-13 KY8030 DL Main Electronic Diagram 2D LED ON/OFF Y-axis Servo Motor Y Lmt+ Y Lmt- X-axis Servo Motor X Lmt+ X Lmt- CMD2 ENC2 SIO2 ENC0 BR0 CMD0 ENC1 BR1 CMD1 AIO0 AIO1 AIO2 PCI1 24V J52 3D LED-Left J53 3D LED-R…

KY8030-2XDL ELECTRIC DRAWINGS
(Standard Type Front-Fix)

2010-12-13
KY8030 DL Main Electronic Diagram
2D LED ON/OFF
Y-axis
Servo
Motor
Y Lmt+
Y Lmt-
X-axis
Servo
Motor
X Lmt+
X Lmt-
CMD2
ENC2
SIO2
ENC0
BR0
CMD0
ENC1
BR1
CMD1
AIO0
AIO1
AIO2
PCI1
24V
J52 3D LED-Left
J53 3D LED-Right
J54 2D RGB
J11 2D-SW
J14 GRABER
J44
J39
9pin DB-M
CON
CON
CON
CON
CON
CON
CON
CON
CON
CON
CON
CON
Caflux X gantry
CAMERA
LVDS
PWR
2D LED(TOP)
LCD Monitor
Keyboard
COM2
Graber DIO
Frame Graber
LAN Port
POWER
Keyboard PS2
USB Port
Monitor Connector
Mouse
T/B 07
AC 220V
Caflux Y gantty
CON
CON
CON
CON
CON
CON
CON
CON
T/B 03
DC 24V
Camera
Power
I-LUG
T/B 07
AC 220V
Motion Control Board CON2
Motion Control Board CON1
CON
CON
CON
CON
CON
CON
CON
CON
CON
CON
CON
CON
CON
CON
H - bracket
X - bracket
CON
CON
CON
CON
USB Port
USB
Port
COM1
Z-axis
Servo
Motor
CON
CON
CON
CON
CON
CON
CON
CON
Panasonic
Servo
Driver
X1X2
X6
T/B 01
AC 220V
T/B 04
AC 220V
Z Lmt+
Z Lmt-
CON
CON
CON
CON
CON
CON
CON
CON
PCI2
Extension Serial
IO1
AXIS/IO
POWER
EXT-I/O
Main Control PC
Barcod&NG-Buffer
COM4
COM5
Emotion MOTION MODULE
T/B 03
DC 24V
T/B 03
DC 24V
I/O
T
/
B
03
DC
24
V
VPC BOARD(M)
HEAD
X5
Panasonic
Servo
Driver
X1X2
X6 X5
T/B 01
AC 220V
T/B 04
AC 220V
Panasonic
Servo
Driver
X1X2
X6 X5
T/B 01
AC 220V
T/B 04
AC 220V
T/B 03
DC 24V
T/B 03
DC 24V
Juction Interface
Board
Y-axis Servo Driver
X-axis Servo Driver
Z-axis Servo Driver
FAN1
1
2
3
FAN2
1
2
3
T/B 01
AC 220V
T/B 01
AC 220V
CON
CON
DWG.E019-0260310-01
DWG.E019-0260400-01
DWG.E019-0263220-01
DWG.E019-0260600-01
DWG.E019-0263230-01
DWG.E019-0263140-01
DWG.E019-0247300-06
DWG.E019-0247300-05
DWG.E019-0247300-02
DWG.E019-0247300-01
DWG.E019-0247300-04
DWG.E019-0247300-03
DWG.E019-0247200-01
DWG.E019-0247200-02
DWG.E019-0247100-01
DWG.E019-0247100-02
DWG.E019-0247100-03
DWG.E019-0246300-01
DWG.E019-0246300-03
DWG.E019-0246300-02
DWG.E019-0246200-01
DWG.E019-0246200-02
DWG.E019-0246100-03
DWG.E019-0246100-01
DWG.E019-0246100-02
DWG.E019-0244300-02
DWG.E019-0244300-01
DWG.E019-0244300-03
DWG.E019-0244200-01
DWG.E019-0244200-02
DWG.E019-0244100-02
DWG.E019-0244100-01
DWG.E019-0244100-03
DWG.E019-0243300-01
DWG.E019-0243100-01
DWG.E019-0243200-01
DWG.E019-0242100-01
DWG.E019-0242100-02
DWG.E019-0241400-01
DWG.E019-0241300-01
DWG.E019-0241300-01
DWG.E019-0241300-01
DWG.E019-0241100-03
DWG.E019-0241200-03
DWG.E019-0241100-01
DWG.E019-0241200-01
DWG.E019-0241100-02
DWG.E019-0241200-02
DWG.E019-0230200-01
DWG.E019-0230300-01
DWG.E019-0230300-02
Accept Cable
Accept Cable
Accept Cable
Accept Cable
T/B 07
AC 220V
DWG.E019-0210100-01
DWG.E019-0210100-02
DWG.E019-0121100-01
DWG.E019-0121200-01
DWG.E019-0121200-02
SIO0
SIO1
BR2
DWG.E019-0210200
DWG.E019-0121100-02
DWG.E019-0261100-01
DWG.E019-0261200-01
Accept Cable
J1
J10
J10
PS1
Power Unit Diagrma
CP1
CP2
Main Power
Switch
MC1
MC2
Noise
Filter
AC 220V
T/B02
T/B01
T/B04
* PC Power
* LCD Monitor Power
* Camera Adaptor Power
T/B07
AC 220V
DC
5
V
* DUAL I/O, IN, OUT Board +24V Power
* FSTMC, RSTMC +24V Power
* Emotiontek I/F +24V Power
* Emotiontek Modual +24V Power
* Servo Limit Sensor +24V Power
* FAN Power
* Servo AMP Power
PS2-1
DC 24V
* VPC Board +5V Power
* STMC +5V Power
AC 220V
* Servo Motor Power
* Step Motor Driver PowerPS3
MCCB
RUN
Switch
Emergency Door S/W
*CP - Miniature Circuit Beraker
*PS - AC-DC Converter (SMPS)
*T/B - Terminal Block
*MC - Contactor
*MCCB - Main Circuit Beraker
T/B05
DC 24V
T/B03
MC3
I/O INTERFACE
BOARD
Y Linear
Scale
CON
CON
CON
CON
DWG.E019-0245100-02
DWG.E019-0245200-02
DWG.E019-0245300-02
Y Linear
Scale
CON
CON
CON
CON
DWG.E019-0245100-01
DWG.E019-0245200-01
DWG.E019-0245300-01
CON
CON
J55 2D RGB
FAN3
1
2
3
T/B 01
AC 220V
DWG.E019-0121200-03
DWG.E019-0121100-03
IN-PUT Part A1
A1-00 : Conveyor Entry IN To FSTMC CON24
Power J4
INPUT J1
1
2
3
24V
1
2
3
24V
Extension I/O Connecter
Extension Serial
Barcod&NG-Buffer
COM3
COM4
COM5
COM6
IN-PUT Interface Board
OUT-PUT Interface Board
INPUT Part A2
IN-PUT Part A1
Power J4
INPUT J1
INPUT Part A2
A1-01 : Conveyor Entry OUT
A1-02 : Conveyor Work IN
A1-03 : Conveyor Work OUT
A1-04 : Conveyor Exit IN
A1-05 : Conveyor Exit OUT To FSTMC CON80
A1-06 : Work Rail UP
A1-07 : Work Rail DOWN
A1-11 : nSMEMA IN To FSTMC CON30
A1-10 : pSMEMA IN To FSTMC CON29
LANE1 SENSORS&IN-PUT
A2-00 : Conveyor Entry IN To RSTMC CON24
A2-01 : Conveyor Entry OUT
A2-02 : Conveyor Work IN
A2-03 : Conveyor Work OUT
A2-04 : Conveyor Exit IN
A2-05 : Conveyor Exit OUT To RSTMC CON80
A2-06 : Work Rail UP
A2-07 : Work Rail DOWN
A2-11 : nSMEMA IN To RSTMC CON30
A2-10 : pSMEMA IN To RSTMC CON29
LANE2 SENSORS&IN-PUT
B1-01 : Entry Stopper Down
B1-02 : Work Stopper UP(LR) To FSTMC CON39
B1-03 : Work Stopper DOWN(LR) To FSTMC CON39
B1-04 : Work Stopper UP(RL) To FSTMC CON81
B1-05 : Work Stopper DOWN(RL) To FSTMC CON81
B1-07 : Exit Stopper Down
B1-09 : Work Rail UP To FSTMC CON41
B1-10 : Work Rail DOWN To FSTMC CON41
B1-12 : Height Guide OPEN
B1-11 : Height Guide CLOSE
LANE1 CYLINDERS&OUT-PUT
B2-01 : Entry Stopper Down
B2-02 : Work Stopper UP(LR) To FSTMC CON39
B2-03 : Work Stopper DOWN(LR) To FSTMC CON39
B2-04 : Work Stopper UP(RL) To FSTMC CON81
B2-05 : Work Stopper DOWN(RL) To FSTMC CON81
B2-07 : Exit Stopper Down
B2-09 : Work Rail UP To FSTMC CON41
B2-10 : Work Rail DOWN To FSTMC CON41
B2-12 : Height Guide OPEN
B2-11 : Height Guide CLOSE
LANE2 CYLINDERS&OUT-PUT
T/B 03
DC 24V
T/B 03
DC 24V
B1-14 : pSMEMA OUT To FSTMC CON27
B1-15 : nSMEMA OUT To FSTMC CON28
B2-14 : pSMEMA OUT To FSTMC CON27
B2-15 : nSMEMA OUT To FSTMC CON28
Accept Cable
nBUF Serial
DWG.E019-0232000
DWG.E019-0233000
DWG.E019-0234000
A3-00/01/02/03/04 : BUTTONS & EMG
B3-03/04/05/06 : TOWER LAMP
B3-00/01/02 : BUTTONS
A3-05 : AIR PRESSURE SENSOR
B3-07 : 2D LED ON/OFF To VPC 4.1 J11
B3-08 : SERVO ENABLE To Power Realy(RL1)
J50
J15
J54
J5
CON3
CON4
CON60
CON61
B3-22 : LANE1 NG BUFFER
B3-23 : LANE2 NG BUFFER
BUTTONS&LANE1,2 I/O
DWG.019-0235000
DWG.019-0235000
DWG.019-0236000
DWG.019-0236000
DWG.019-0236000
DWG.019-0236000
DWG.019-0236000
DWG.019-0236000
Connector Board
J45 DC 24V
J46 DC 5V
PZT-POS
PZT-DRV
CON
CON
I-LUG
T/B 03 DC 24V
PZT AMP
DRV
POS
DC 24V
SGC
PZT
DWG.E019-0262100-01
DWG.E019-0262100-03
DWG.E019-0262100-02
DWG.E019-0260210-01
J56 2D RGB
J57 2D RGB
J58 2D LED-T
J41 Serial 2
J52 3D LED-Left
J53 3D LED-Right
J54 2D RGB
J11 2D-SW
J14 GRABER
J44
J39
9pin DB-M
VPC BOARD(S)
J55 2D RGB
J45 DC 24V
J46 DC 5V
PZT-POS
PZT-DRV
CON
CON
I-LUG
T/B 03 DC 24V
PZT AMP
DRV
POS
DC 24V
SGC
PZT
DWG.E019-0233000
J56 2D RGB
J57 2D RGB
J58 2D LED-T
J41 Serial 2
DWG.E019-0261210-01
DWG.E019-0260110-01
T/B02 DC 5V
I-LUG
DWG.E019-0262100-05
DWG.E019-0260210-01
DWG.E019-0262100-07
DWG.E019-0262100-06
CON
CON
CON
CON
CON
CON
CON
CON
DWG.E019-0263150-01
PZT
SGC
3D-R2
3D
-R
1
PZT
SGC
3D-L2
3D-L1
DWG.E019-0263500-02
DWG.E019-0263500-01
DWG.E019-0263500-03
DWG.E019-0263500-04
2D RGB
DWG.E019-0265310-01
DWG.E019-0265320-01
DWG.E019-0264000
DWG.E019-0265410-01
DWG.E019-0262300-01
DWG.E019-0262200-01
DWG.E019-0262300-02
DWG.E019-0262200-02
STMC ver5.1 Board
PS2-2
* VPC Board +24V Power
* PZT AMP +24V Power

DWG.E019-0251200-01
Rear STMC Board
LANE2 STEP Motor Control Signal - J1
LANE2 Pre SMEMA IN - CON37
LANE2 Pre SMEMA OUT - CON35
LANE2 Next SMEMA OUT - CON36
LANE2 Next SMEMA IN - CON38
From MCS Pre SMEMA OUT - CON29
From MCS Next SMEMA OUT - CON30
To MCS Pre SMEMA IN - CON27
To MCS Next SMEMA IN - CON28
CON9
Power Sequence, Conveyor Only
CON25
I-LUG
LANE2 pSMEMA
LANE2 nSMEMA
LANE2 Entry IN Sensor - CON24
LANE2 Exit OUT Sensor - CON80
LANE2 Work Stopper(LR) - CON39
LANE2 Work Stopper(RL) - CON81
IN : LANE2 pSMEMA IN
OUT : LANE2 pSMEMA OUT
OUT : LANE2 nSMEMA OUT
T/B03
DC 24V
IN : LANE2 nSMEMA IN
IN : LANE2 Entry IN
IN : LANE2 Exit OUT
IN : LANE2 Work Stopper(RL) UP/DOWN
IN : LANE2 Work Stopper(LR) UP/DOWN
DWG.E019-0251100-02
DWG.E019-0256200-01
DWG.E019-0256200-02
DWG.E019-0256400-01
DWG.E019-0256400-02
Run Switch
DWG.E021-0110200
NG2 Buffer
DWG.E021-0234000
DWG.E019-0232000
DWG.E019-0232000
DWG.E019-0232000
DWG.E019-0232000
DWG.E019-0232000
DWG.E019-0232000
DWG.E019-0234000
DWG.E019-0234000
STEP Driver
CN4
CN1
CN3
STEP
MOTOR
T/B05
DC 24V
Rear Work Conveyor
IR
DWG.E019-0251300
DWG.E019-0253300-05
DWG.E019-0253400-05
Run Switch
DWG.E021-0110200
Next OUT1-2
Pre OUT2-2
DWG.E019-0253200-01
DWG.E019-0256200-03
Conveyor Only Switch CN3
DWG.E021-0110200
DWG.E019-0255100-01
STMC ver5.1 Board
DWG.E019-0251200-01
RS-232 Serial Communication - J4
Front STMC Board
LANE1 STEP Motor Control Signal - J1
LANE1 Pre SMEMA IN - CON37
Pre SMEMA OUT - CON35
LANE1 Next SMEMA OUT - CON36
LANE1 Next SMEMA IN - CON38
From MCS Pre SMEMA OUT - CON29
From MCS Next SMEMA OUT - CON30
To MCS Pre SMEMA IN - CON27
To MCS Next SMEMA IN - CON28
CON9
Power Sequence, Conveyor Only
CON25
I-LUG
LANE1 pSMEMA
LANE1 nSMEMA
LANE1 Entry IN Sensor - CON24
LANE1 Exit OUT Sensor - CON80
LANE1 Work Stopper(LR) - CON39
LANE1 Work Stopper(RL) - CON81
IN : LANE1 pSMEMA IN
OUT : LANE1 pSMEMA OUT
OUT : LANE1 nSMEMA OUT
T/B03
DC 24V
IN : LANE1 nSMEMA IN
IN : LANE1 Entry IN
IN : LANE1 Exit OUT
IN : LANE1 Work Stopper(RL) UP/DOWN
IN : LANE1 Work Stopper(LR) UP/DOWN
DWG.E019-0251100-01
DWG.E019-0256100-01
DWG.E019-0256100-02
DWG.E019-0256300-01
DWG.E019-0256300-02
Run Switch
DWG.E021-0110200
NG1 Buffer
DWG.E021-0234000
DWG.E019-0231000
DWG.E019-0231000
DWG.E019-0231000
DWG.E019-0231000
DWG.E019-0231000
DWG.E019-0231000
DWG.E019-0233000
DWG.E019-0233000
STEP Driver
CN4
CN1
CN3
STEP
MOTOR
T/B05
DC 24V
Work Width
Out Width
WW
DWG.E019-0251300
DWG.E019-0253300-03
DWG.E019-0253400-03
Run Switch
DWG.E021-0110200
Next OUT1-1
Pre OUT2-1
DWG.E019-0253100-01
Front CAN Communication - J6
STEP Driver
CN4
CN1
CN3
STEP
MOTOR
OW
DWG.E019-0253300-04
DWG.E019-0253400-04
Rear CAN Communication - J6
Rail4 Limit(+), Limit(-) Sensor - CON22
LANE1 Convyor Slow Sensor - CON40
LANE2 Convyor Slow Sensor - CON40
IN : LANE1 Slow Sensor
IN : LANE2 Slow Sensor
IN : Rail4 Limit (-)
IN : Rail4 Limit (+)
DWG.E019-0252100-01
DWG.E019-0252200-01
DWG.E019-0254100-03
DWG.E019-0254100-04
DWG.E019-0254100-05
DWG.E019-0254200-05
DWG.E019-0254200-06
DWG.E019-0254200-07
DWG.E019-0254200-08
2010-12-13
ASPIRE DL Main Electronic Diagram (2)
STEP Driver
CN4
CN1
CN3
STEP
MOTOR
Front Work Conveyor
Entry Width
IR
DWG.E019-0253300-01
DWG.E019-0253400-01
STEP Driver
CN4
CN1
CN3
STEP
MOTOR
EW
DWG.E019-0253300-02
DWG.E019-0253400-02
Rail3 Limit(+), Limit(-) Sensor - CON21
IN : Rail3 Limit (-)
IN : Rail3 Limit (+)
DWG.E019-0254100-02 DWG.E019-0254200-03
DWG.E019-0254200-04
Rail2 Limit(+), Limit(-) Sensor - CON20
IN : Rail2 Limit (-)
IN : Rail2 Limit (+)
DWG.E019-0254100-01 DWG.E019-0254200-01
DWG.E019-0254200-02
DWG.E019-0231200-02
DWG.E019-0232200-03
DWG.E019-0231200-01
DWG.E019-0232200-01
Back UP Sensor – CON5
Backup Unit
E019-0254110-01
Back UP Sensor – CON5
Back UP Unit
DWG.E019-0254110-01
Back UP Sensor – CON5
Back UP Unit
DWG.E019-0254110-01