KY8030-2XDL(2P) Part List (20120430) - 第163页
FILE NAME E019-0110000.SCH DATE 2010.09.14 CHANGER O-LUG(M5) O-LUG(M5) F.G S ASS ’ Y RIGHT LEFT LABEL RIGHT LEFT CONNECTOR CABLE LENGTH (mm) TYPE Q ’ TY (EA) SERIAL NUMBER A R MAIN PWR O-LUG(M5) 220V CONCENT PLUG SHINWHA…

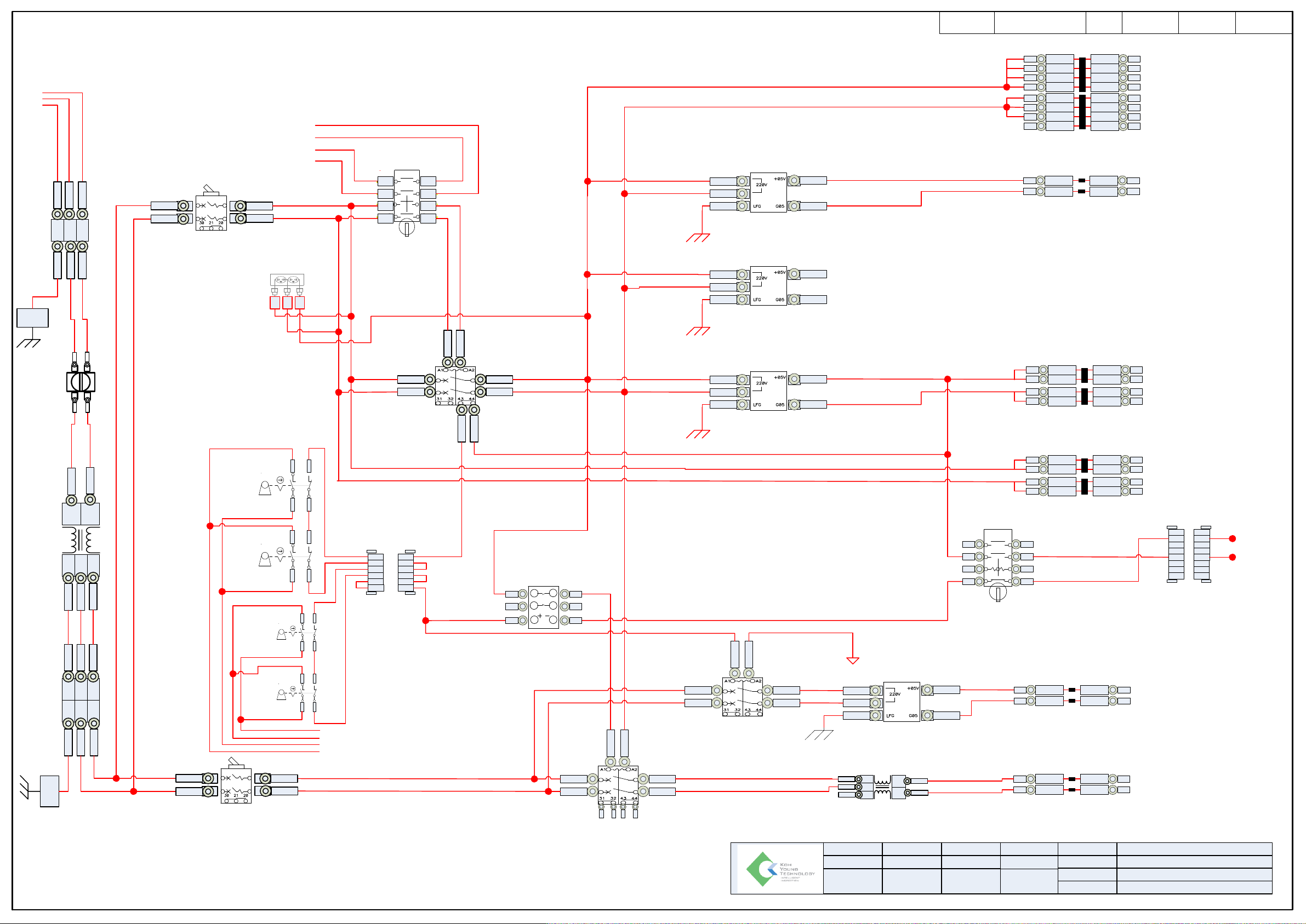
FILE NAME E019-0110000.SCH DATE 2010.09.14 CHANGER
S2-1 BLK #22
F
DSG.
HO.KIM
REV.
DWG.
D.W.JIN
SUBNET
CHK.
K.H.KIM
X
APPR.
E.H.S
MODEL
NAME
SHEET
DWG NO
KY8030 DL
Power Unit Block Diagram
3 OF 6
E019-0110200
Customer Input
AC200-240V (50/60Hz)
1 Phase (2 Wire + Ground)
a
1
a
2
2
1
a
2
1
2
1
a
R2
S2
Run S/W
R
S
FG
TERMINAL BLOCK
R
S
FG FG
S
R
R
S
FG
MCCB(SG53C)(10KA)
R
S
FG
R1
S1
MCCB FG
R1
S1
R
S
NOISE FILTER
R
S
FG
R1
R0
S0
S1
NFFG
FG
Shot
Bar
L1
T1
L2
T2
R2
S2
R3
S3
1P24-1
1P24
S2-1
R2-1
OUT1-
OUT1+
OUT2-
OUT2+
To DWG.E017-0256100
1P05
1N05
PS1
SWS50-5
R3
S3
FG
1P05-1
1N05-1
PS2-1
SWS 150-24
R3
S3
FG
1P24-1
1N24-1
L1
T1
L2
T2
R4
S4
R5A
S5A
R3-1
S3-1
MC 2
DILM12-10
1
1
a
a
X1
3
b
X2
4
2
2
S/W
WHT #14
BLK #14
FG GRN #14
BLK #14
WHT #14
WHT #14
BLK #14
WHT #22
BLK #22
WHT #22
BLK #22
R2-1 WHT #22
RED #22 RED #22
WHT #16
BLK #16
BLK #14
WHT #14
RED #14
BLUE #14
RED #16
BLUE #16
WHT #14
BLK #14
RED #22
WHT #22
RED #14
BLUE #14
WHT #22
BLK #22
WHT #22
RED #22
BLUE #22
WHT #14
BLK #14
1P24-2
1P24
CN2-5
A01
A02
A01
A02
B01
B02
B01
B02
T/B07
A01
A02
A01
A02
B01
B02
B01
B02
T/B03
WHT #14
BLK #14
A01
A02
A03
A04
A01
A02
A03
A04
B01
B02
B03
B04
B01
B02
B03
B04
T/B01
To TB07-A01/B01 : Vision/GUI PC PWR
To TB07-A02/B02 : LCD Montor PWR
DWG. E042-0121100-01-A
DWG. E042-0210100-01-A
DWG. E042-0210100-02-A
To TB02-A02/B02 : DWG. E042-0260100-01
A01 A01
B01 B01
T/B 02
DWG. E042-0241200-01-A
DWG. E042-0241200-02-A
DWG. E042-0241200-03-A
NC14
NO12
NO11
NC13
DOOR LOCK
(Rear)
1
2
3
4
5
CN1(5559-06)
6
1
2
3
4
5
CN1(5557-06)
6
NC14
NO12
NO11
NC13
EMERGENCY
LOCK(Front)
to front Door Pin1 DWG. E019-0235000
from front Door Pin2
to front EMG Pin3 DWG E019-0235000
from front EMG Pin4
T1
L1
L2
T2
CP 2
S1
R1
S4
R4
WHT #14
BLK #14
WHT #14
BLK #14
T1
L1
L2
T2
CP 1
S1
R1
R2
R2
WHT #14
BLK #14
WHT #14
BLK #14
R
S
R0
S0
R1
S1
R2
S2
R2
S2
R4
S4
R3
S3
1P24
1N24
R5A
S5A
R3
S3
1
2
3
4
5
CN2(5557-08)
6
7
8
1
2
3
4
5
CN2(5559-08)
6
7
8
To CN2 Pin05 (Conveyor Manual Switch Check Signal)
From CN2 Pin02 (MCS Servo Enable Signal)
DWG. E042-0233000-A
DWG. E042-0255100-A
FG
Shot
Bar
FAZ-C16/2
FAZ-C10/2
MCC FG
T/B 04
RL1
ETS4-VS3
A01 A01
B01 B01
MC 1
DILM17-10
1413
22
A2
21
A1
To TB03-A01/B01 : Dual I/O Board +24V Power
To TB03-A05/B05 : STMC +24V Power
To TB03-A09/B09 : Emotiontek I/F +24V Power
To TB03-A01/B01 : DWG. E042-0230200-01
To TB03-A03/B03 : DWG. E042-0241300-01
To TB03-A05/B05 : DWG. E042-0251200-01
To TB03-A09/B09 : DWG. E042-0241400-01
Servo Motor Power
To TB07-A03/B03 : Camera Adaptor Power
To TB03-A08/B08 : Emotiontek Modul +24V Power
To TB01-A01/B01 : Fan1 Power
To TB01-A02/B02 : Fan2 Power
To TB01-A06/B06 : Servo AMP X축 Power
To TB01-A07/B07 : Servo AMP Y축 Power
To TB01-A08/B08 : Servo AMP Z축 Power
To TB01-A01/B01 : DWG.E042-0121100-01
To TB01-A02/B02 : DWG.E042-0121100-02
To TB01-A06/B06 : DWG.E042-0241100-01
To TB01-A07/B07 : DWG.E042-0241100-02
To TB01-A08/B08 : DWG.E042-0241100-03
To TB02-A01/B01 : DWG. E042-0251100-01
To TB02-A02/B02 : To VPC Board DC+5V Power
To TB03-A03/B03 : Servo Limit Sensor +24V Power
L1
T1
L2
T2
R4
S4
R6
R6
R3-1
S3-1
MC 3
DILM12-10
(24VDC)
PS3
SWS150-24
To TB05-A01/B01 : DWG. E042-0251300-01
To TB05-A01/B01 : Step Motor Power
WHT #16
BLK #16
R6
S6
FG
2P24
2N24
A01 A01
B01 B01
T/B 05
2P24
2N24
G24V
CN2-2
1
3
2
4
S
R
S
0
R
0
Main Power S/W
PS2-2
SWS150-24
R3
S3
FG
1P24-1
1N24-1
To VPC Board DC +24V Power
To PZT AMP +24V Power
R
S
NOISE FILTER
FG
R
S
NF FG
S5B
R5B
S5A
R5A
NC14
NO12
NO11
NC13
DOOR LOCK
(Front)
NC14
NO12
NO11
NC13
EMERGENCY
LOCK(Rear)
INDICATOR_LAMP7
TN32-2(WHT/GRN)
S
2
R
2
R
3
Front
Rear

FILE NAME E019-0110000.SCH DATE 2010.09.14 CHANGER
O-LUG(M5)
O-LUG(M5)
F.G
S
ASS’Y
RIGHTLEFT
LABEL
RIGHTLEFT
CONNECTOR
CABLE
LENGTH
(mm)
TYPE
Q’TY
(EA)
SERIAL
NUMBER
A
R
MAIN
PWR
O-LUG(M5)
220V
CONCENT
PLUG
SHINWHA, 2464, #16 5000 1 01
1
O Lug
O Lug
O Lug
220V Plug
70mm
ASS’Y: “A”
1
RING
TERMINAL
ASS’Y “A” HARNESS PIN MAPPING
A
DSG.
HO.KIM
REV.
DWG.
Y.M.LEE
SUBNET
CHK.
K.H.KIM
X
APPR.
E.H.S
MODEL
NAME
SHEET
DWG NO
KY8030 DL
Main Power Cable
5 OF 7
E019-0111000

FILE NAME E019-0110000.SCH DATE 2010.09.14 CHANGER
ASS’Y
RIGHTLEFT
LABEL
RIGHTLEFT
CONNECTOR
CABLE
LENGTH
(mm)
TYPE
Q’TY
(EA)
SERIAL
NUMBER
A FAN 1 PWR
T/B01-A01
1-480698
I-LUG
UL, 2464, #24*2C 800 1 01
A FAN 2 PWR
T/B01-A02
1-480698
I-LUG
UL, 2464, #24*2C 2200 1 02
I-LUG
I-LUG
No.
1
2
1-480698
Color
WHT
BLK
Sig.Name
220V R
220V S
1
1
T/B01-B01
T/B01-B02
I-LUG
I-LUG
A FAN 3 PWR
T/B01-A03
1-480698
I-LUG
UL, 2464, #24*2C 2200 1 03
1
T/B01-B03 I-LUG
ASS’Y: “A”
1
ASS’Y “A” HARNESS PIN MAPPING
A
DSG.
HO.KIM
REV.
DWG.
Y.M.LEE
SUBNET
CHK.
K.H.KIM
X
APPR.
E.H.S
MODEL
NAME
SHEET
DWG NO
KY8030 DL
Fan Power Cable
6 OF 7
E019-0121100