hsdxg_e.pdf - 第10页

HSD-Xg (KGE) PA G E 8 KGE-100-CN5 Confi dential & Proprietar y P ow er circuit

100%1 / 17
HSD-Xg (KGE)
PAGE
7
KGE-100-CN5
Con dential & Proprietary
Operation panel
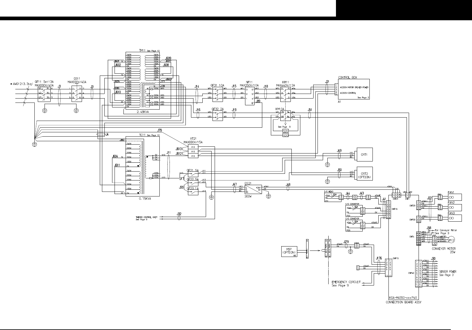
HSD-Xg (KGE)
PAGE
8
KGE-100-CN5
Confi dential & Proprietary
Power circuit
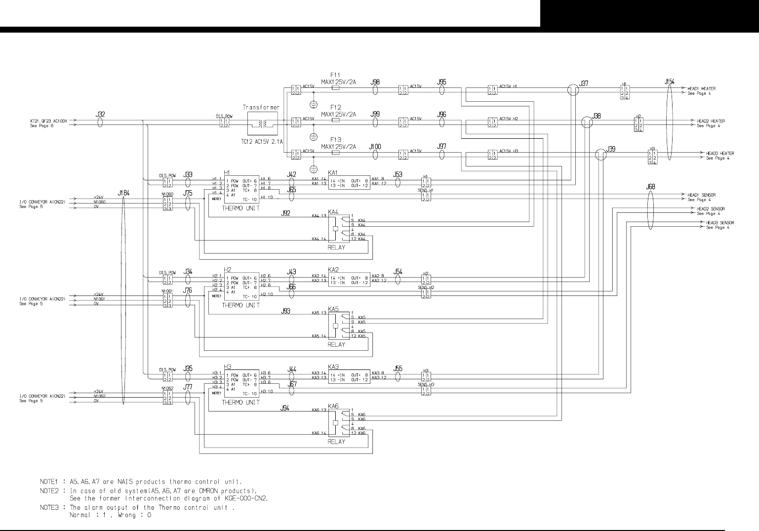
HSD-Xg (KGE)
PAGE
9
KGE-100-CN5
Con dential & Proprietary
Power circuit(thermo unit)