hsdxg_e.pdf - 第6页
HSD-Xg (KGE) PA G E 4 KGE-100-CN5 Con fi dential & Proprietary I/O head

HSD-Xg (KGE)
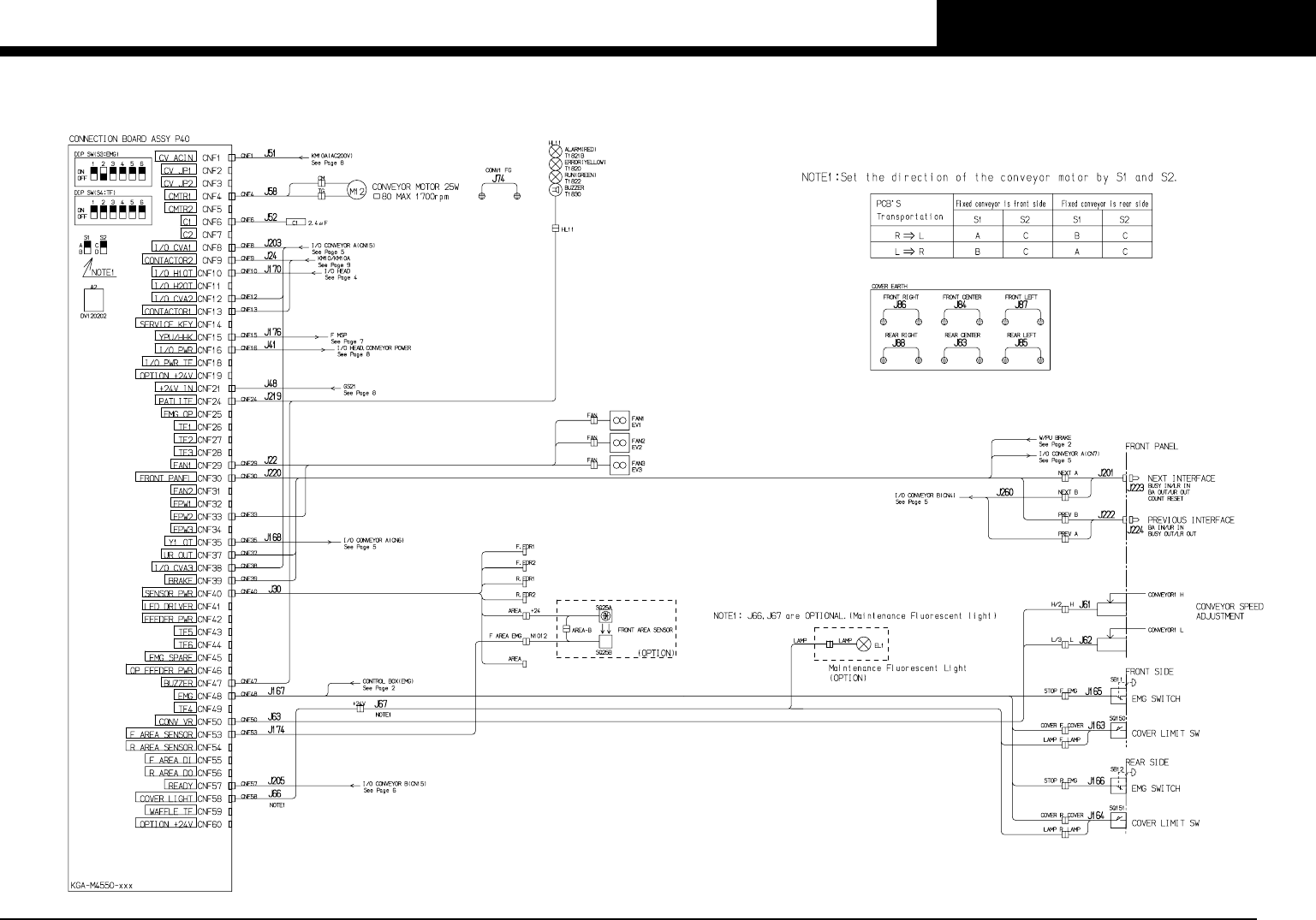
PAGE
3
KGE-100-CN5
Confi dential & Proprietary
Connection board

HSD-Xg (KGE)
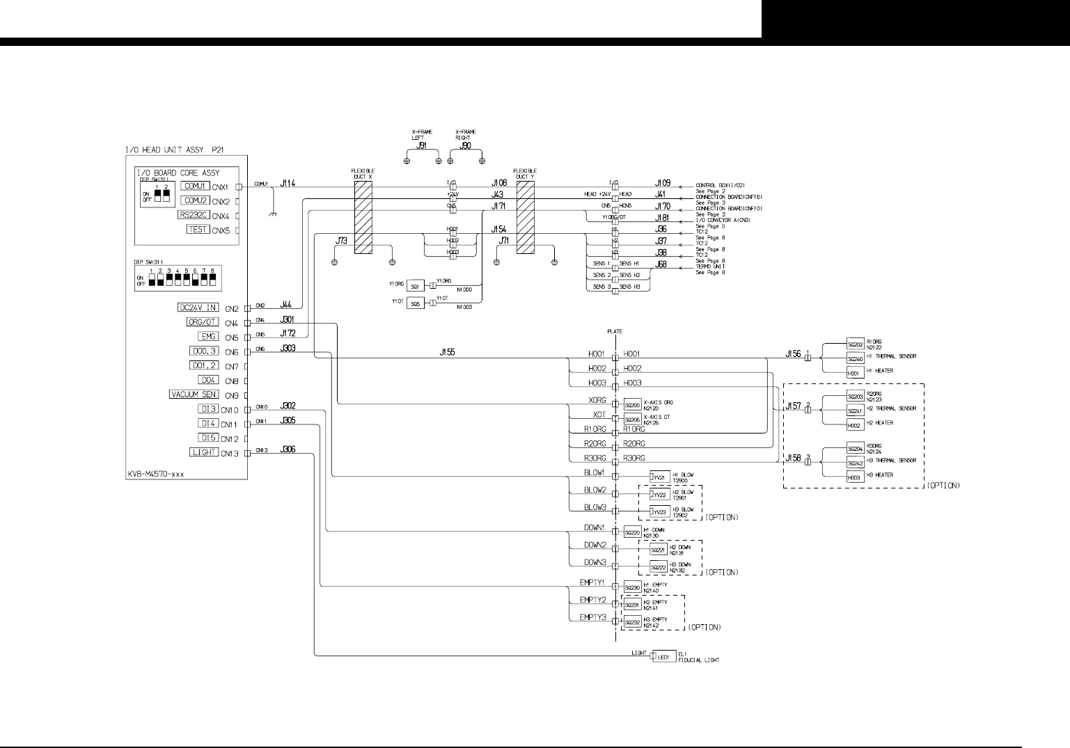
PAGE
4
KGE-100-CN5
Confi dential & Proprietary
I/O head

HSD-Xg (KGE)
PAGE
5
KGE-100-CN5
Confi dential & Proprietary
I/O conveyor-A-