OM-1774-001w_GS-CU651 - 第29页
OM-1774 33 1308-001

OM-1774
32
容 内 目 项
10. 不良标记位置 线路板长度 : 50~610mm时
与标准使用相同
线路板长度 : 610~1,200mm时
不良标记需要设定在不良标记设定范围1或不良标记设定范围2。但是,
在所有范围都包括不良标记(条件是补正不良标记的识别标记须在各识
别标记可设定范围内)时,识别不良标记的定位次数可设为1次。
11. 装置尺寸
约 宽度 1,880mm(包括供给/排出传送带)
长度 2,200mm(包括批量更换推车)
高度 1,520mm(1,910mm:包括塔灯)
线路板
(正转定位)
可实际贴装范围
线路板
(反转定位)
可实际贴装范围
不良标记
设定范围1
不良标记
设定范围2
1308-001
11. 规 格

OM-1774
331308-001

OM-1774
21
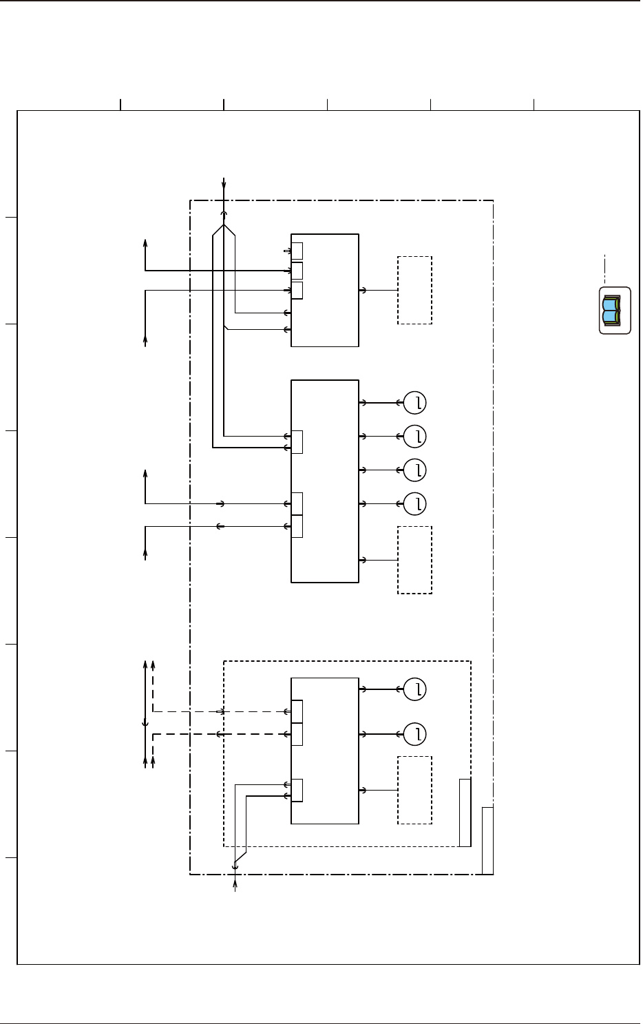
10. 配线略图
单程搬送 1,200mm 模块图
1308-001
10. 配线略图
1 2 3 4 5 6 7 8
A
B
C
D
E
F
A11
Stepping Motor Driver
M45 M46
NA_BL NA_BR
MM
支撑台OP搭载时的连接
XAE2CH XAE_CT
CN1 CN5
U85-2CH
N1 N2
AE-LINK
24A6
48D
搬送部
负载·传感器
Servo Motor AMP
A63F
XAE2CH XAE_CT
支撑台OP
单程搬送单元
POWER
CN10
XCV-R
DC24,48V
A10
Stepping Motor Driver
M41 M42 M43 M44
NL_L NA_L NR_L NA_W
MMMM
X1X2
搬送部
负载·传感器
U08
IO PCB
总体插座
XAE1CH XAE_CT
CN7 CN8 CN9 CN10
CN1
UP
CN2
DN
CN3
T
U85-T(X85T) X30C1-BU85-1CH
Servo Motor AMP
A63B
N1 N2
AE-LINK
搬送部
负载·传感器
24A6
48D
24A3
XCV-L
DC24,48V
POWER
CN6
HSIO
Note