HS50电路图 - 第39页
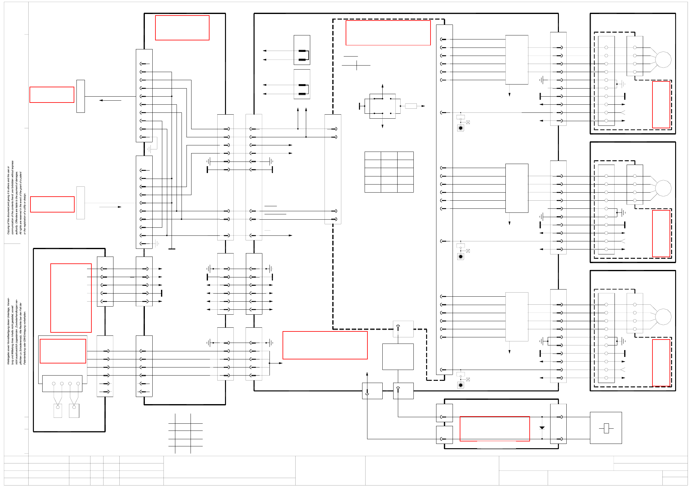
1 Detailed Circuit Diagr ams 39 X4-HS50 X-axis, gant ry 4, SIPLACE HS-50 rd whgn gy bn ye pk gn 0033513 9-xx (Cabl e) 8 9 27 26 Track N Track N 27 26 X2dc 003 35141-xx 6 5 2 3 29 30 33 32 X2da (Cab le) Track B Track B 29…

1 Detailed Circuit Diagrams 38
ZM3-HS50 Adjustment units, forced air, gantry 3, SIPLACE HS-50
+15V
5
4
X20cc
2
1
3
10
6
7
8
9
+5V
Key
OUT2B
OUT2A
OUT1B
OUT1A
Light barrier for
"reject station"
OUT2B
OUT2A
OUT1A
+15V
+5V
dp-station adjustment unit
Lightbarrier for
OUT1B
5
10
9
8
7
6
4
3
2
1
X19cc
Light barrier for 9
+15V
"Pickup placement station"
10
Output
Micro relay valve
forced air
00321219-xx
10
X14cc
X13cc
10
+24V
X6cc
13
J13
ULN2803
2
17
00333491-xx
(Cable W1)
00333491-xx
(Cable W2)
distributor 4
Head processor HS50
00331452-xx
Gantry addressis
Gantry
1
2
4
3
2-3
1-2
2-3
1-2
2-3
1-2
1-2
2-3
JP2JP1
Gantry 3
P3.5
0
P4.7
0
00331451-xx + 00331452-xx
Head board and head processor
(W1)
(W2)
(W1)
(W2)
(W1)
00335254-xx
(Cable)
X102
+34V
37a
rail
0 Volt
00335230-xx
(Cable)
00336179-xx
Power supply
00336154-xx
2
X1
4 13
step motors
(do)
2*)
Key
6
5
4
3
4*)
3*)
X4dq
1
2
1*)
distributor
HS50 main
X101/12c
X101/15c
X101/3c
X102/1
X101/18c
rd3
1*)
2*)
4
5
X4do
bk
wh2
1
ye
rd
bn
or
00321217-xx
"Reject" adjstmt. unit
33
10
9
8
+15V
Output
+5V
7
6
5
4
4
2
1
X2
2
1
M
Adjstmt. unit
00321213-xx
ye
rd
bn
or
00321217-xx
"Pickup" adjstmt. unit
+15V
11
8
10
9
6
7
+5V
Output
4
5
3
2
4
3
2
X2
Adjstmt. unit
00321213-xx
M
X6cs
3
1
X3
X3
X3
10
X1cs
10
X2cs
(cs) 00330648-xx
SP6-12, digital
Intermediate distributor
D5
rd
bk
(Cable)
00335109-xx
Cable color coding
Belden
wh
4*)
3*)
2*)
rd
gn
1*) bk
bn
gn
ye
DIN
wh
47100
(Cable)
N.C.
Key
6
5
4
3
X10ca
1
2
5
4
1
2
3
X2ca
3
4
5
+5V
+15V
GNDGND
2
1
X15ca
+24V
-15V
GND
13
+15V
-15V
+24V
+5V
22
16,28
25
GND
10,19,31
1,34
X3ca
00335110-xx
step motors
Voltage for
VSM = +15V
5
4
1
2
3
X2cc
(cc)
HS50, gantry 3
13
22
16,28
25
+15V
-15V
X27cc
1
2
CAN_IN_HI
CAN_OUT_HI
Jumper
Jumper
2
CAN_OUT_LO
CAN_IN_LO
X28cc
1
6
8
5
4
X2
3
2
1
7
10
9
1
2
3
4
00321213-xx
Adjstmt. unit
bn
or
rd
ye
Phase 1
I02
I12
Phase 2
I11
I01
19
18
20
3
1
2
5
8
7
6
40
4
X7cc
3
37
17
18
16
15
14
13
35
J11
TLE4727
19I12
Phase 2 18
9
Phase 1
I02
I11
I01
3
20
1
2
11
14
10
7
TLE4727
J12
28
25
27
26
24
23
Phase 2 18
9
Phase 1
I12
I02
I11
I01
3
20
19
2
1
11
10
14
7
+5V
+24V
10,19,31
1,34
X3cc
GND
+VSM(X2:2,3,4,5)
+VSM(X2:2,3,4,5)
+VSM(X2:2,3,4,5)
V14
TP7
V13
TP6
V12
TP5
Doc. status
Function status
Product status
Hi
Hi
Hi01.07.01
16.10.00
16.10.0001.
01.
02.
ZM3-010102LD3
Sh.
Sh.
Mat. no.:
CAD file:
Orig./Repl.f/Replaced by
Date
Author
Check.
Stand.NameDateModifiedStatus
Port
P3.5 (80C535)
JP1
JP2
123
21 3
+5V
P4.7 (80C535)
Port
ZM3-HS50.DWG
Stromlaufplan/Circuit diagram
SD EA
Hi
16.10.2000
SIEMENS
SMD Placement System SIPLACE HS50
1
1
DLM1 revolver head / adjustment units /
30
29
33
32
00335108-xx
(Cable)
CAN_OUT_LO
CAN_IN_LO
CAN_IN_HI
00335321-xx
Tape cutter 3
27
25
26
27
25
26
RESET
POWERFAIL
SIPLACE HS50
forced air, gantry 3
(ca)
34
31
31
34
GNDGND
X22da
CAN bus
500 KBit/sec
CAN bus
500 KBit/sec
00335320-xx
X4ch
Gantry
INT
33
27
X6cc
40
37
+15V
OUT2B
OUT2A
OUT1A
+5V
Key
7
10
14
11
9
J10
TLE4727
OUT1B
8
7
6
5
2
4
3
1
+5V
00321217-xx
M
X18cc
Dp axis adjstmt. unit
Gantry distributor HS50
00335413-xx
X1ca
X23ca
9
10
8
7
6
5
2
4
3
1
10
X22ca
9
8
7
6
3
4
5
2
1
gantry 3
CAN_OUT_HI
32
33
29
30
X1cc
See page 103
See page 136
See page 134
See page 138
See page 141
See page 132
See page 141
See page 125 See page 125 See page 125
See page 152

1 Detailed Circuit Diagrams 39
X4-HS50 X-axis, gantry 4, SIPLACE HS-50
rd
whgn
gy
bn
ye
pk
gn
00335139-xx
(Cable)
8
9
27
26 Track N
Track N27
26
X2dc
00335141-xx
6
5
2
3
29
30
33
32
X2da
(Cable)
Track B
Track B29
30
Track A
Track A
33
32
X24da
10,11
12
13
GND
A
A
B
B
N
N
2525
+5V
+15V
1,341,34
31
GND
31
GND
X31da
00344207-xx
Cable color coding
Cable color coding
1
3
2
4
5
8
7
6
10
9
X24dc
key
6x470 10key
GND
GNDGND
02.
01.
01.
Doc. status
Product status
Function status
12.10.00
12.10.00
12.10.00 Hi
Hi
Hi 12.10.2000
X4-020101LD3
Sh.
Sh.
Mat. no.:
CAD file:
Orig./Repl.f/Replaced by
Date
Author
Check.
Stand.NameDateModifiedStatus
-15V
V8
V6
V5
V7
00336145-xx
Power supply
P200V
N200V
or
bl
bk
wh
bk
wh
00343900-xx
X3db
XU2
4
bk
XW
XV
XU
Xaxis
3~
signal
1
2
3
4
5
15V
5V
+15V
proximity switch 1
1,4,7
1,4,7
X-axis
34
12
20
9
10
11
7
8
5
6
3
4
X3sg
2
1
38,39
35
36
37
AGND
V NOM
I NOM
END SIGNAL
COUNT A
COUNT B
INDEX
TRIG
RxD
CAN_L
CAN_H
VREG
TxD
GND
VCC
+15V
GND
HS50 main
X101/13a
X101/16a
X101/4a
X102/1
X101/19a
13 13
+24V
+24V
b10
4
2
3
Motor_W
Motor_U
Motor_V
d22
d30
z16
d10
X53
X1vz
Ballast Card, A29 (vz)
00335115-xx (cable)
1
2
X7vb
Potential
X9 ym
X8 ym
X7 ym
X11 ym
GND
0/200V
1
2
X6vb
+15V
-15V
X52
6
20
X1vy
distributor
Power supply
A32 (vy)
card +/-15V
00302841-xx
3.5
00335224-xx (cable)
00335225-xx (cable)
1*)
2*)
Belden DIN
47100
1*)
2*)
bk wh
bnwh
1*)
3*)
2*)
47100
Belden
wh
2*)
1*) bk
DIN
bn
wh
3*)
gnrd
3
a104
6
5
key
Tacho_P
Tacho_N
1K
N.C.
X4vb
3
1
2
4
N.C.
key
X1vb
8/d
14/d
12/z
12/d
4/d
4/z
10/d
16/d
30/d,b,z
6/d
6/z
32/d,b,z
26,28/d,b,z
22,24/d,b,z
18,20/d,b,z
INOM_U
INOM_W
Servo Enable
I²t
00333635-xx
(gantry 4)
AC 12,5
Servo
Ready
6/d,b,z
8/d,b,z
2/z
2/b
30/d,b,z
32/d,b,z
26,28/d,b,z
20/d,b,z
24/d,b,z
18/d,b,z
22/d,b,z
X2vb
N.C.
Brake_P
Brake_N
Phase_U
Phase_W
Phase_V
X1wb
Dynamic brake, A10 (wb), 00344206-xx
X8vb
1
X3vb
00335202-xx
(Cable)
X1sy
X1to
7
8
5
6
3
4
1
2
8
9
5
6
2
3
X8sy
X1sg
A4 (sg)
SMP bus A39 (sy)
Axis board 4
X29
X7to
X2sg
X axis,
axis tracks
X1sa
GND
X5vb
1
2
M
XW
5
3
2
incremental shaft encoder
X15dc
9
1
7
4
8
bk
X4-HS50.DWG
Stromlaufplan/Circuit diagram
SD EA
Hi
SIEMENS
SMD Placement System SIPLACE HS50
1
1
X axis, gantry 4
SIPLACE HS50
X2to
Machine controller M54 A1 (sa)
TBS 200 / 10X
X1yb
X-axis servo amplifier
4
00334808-xx
Control unit HS50
Cable 00335197-xx
nom. values
X axis
109
Axis rear panel, gantry 4 A34 (to)
X-axis
9
12
10
3
CrashCrash
5
1
8
14
12
13
10
11
12
13
11
Servo unit
backplane
13
14
7
6
2
24
X4da
24
X4dc
24
bl5 bl -
X16dc
1
3
00335170-xx
bn
bk bk
bn
+
A1
End pos. prox.
switch B1
+24V
00335413-xx
HS50 gantry distributor
gantry 4
X18da
1
(da)
X8da
00335146-xx
2
3
00335414-xx
X/Y distributor, HS50
(cable)
X1db
(db)
gantry 4
1
X5db
2,3,4,5,6,7,8
1,27,34
Motor
or (U)
bk (V)
rd (W)
4gnye
00333146-xx
(cable)
A34 (vb)
HS50 gantry 4
bk
rd
wh
+15V
+24V
(W1)
(W1)
(W2)
(W1)
(W2)
00336154-xx
+15V
6
wh
00343441-xx
+5V
+24V
00335169-xx
X17dc
5
1
3
bl
bn
bk
bl
bn
bk
-
+
A1
End pos. prox.
switch B2
23 23
(Cable)
00335143-xx
reference point
Xaxis
End pos. proximity switch B1
X axis limit switch
End pos. proximity switch B2
Head board and head processor HS50 gantry 4
00331451-xx+ 00331452-xx (dc)
A2 (yb), 00344204-xx
N.C.
Crash
X1wy
X50
b9
a9
00335892-xx
Anti-crash board
1,27,34
2,3,4,5,6,7,8
X7da X2db
00335145-xx
(cable)
XV3
00335144-xx
2,3,4,5,6,7,8
X6da
(cable)
1,9-27,34
1
distributor
(do)
5
+5V
X5do
2
3
4
X15da
1
-15V
00335413-xx (da)
Gantry distribution board
Reference point
end position
X axis limit switch
Servo unit HS50
00334810-xx
X50
b24
X1wy
gantry 1/4
A30 (wy)
00335196-xx
(cable)
b253
(cable)
00335231-xx
2828
+5V
24
See page 72
See page 72
See page 80
See page 80
See page 103
See page 141
See page 136
See page 76
See page 77
See page 80
See page 141
See page 142
See page 85
See page 89
See page 80
See page 80
See page 86

1 Detailed Circuit Diagrams 40
Y4-HS50 Y-axis, gantry 4, SIPLACE HS-50
M
YW
5
3
2
Y-axis incremental shaft encoder
X10db
9
1
7
4
8
bk
rd
whgn
gy
bn
ye
pk
gn
00335139-xx
(Cable)
8
9 33
32 Track N
Track N33
32
X3db
00335144-xx
6
5
2
3
32
33
33
32
X6da
(Cable)
Track B
Track B32
33
Track A
Track A
33
32
X32da
10
12
13
GND
A
A
Motor_U
3
X1wf
32/d,b,z
2/b
2/z
24/d,b,z
26,28/d,b,z
30/d,b,z
X2ve
22/d,b,z
18/d,b,z
20/d,b,z
Motor_V
1
4
2
X8vf
00335192-xx (cable)
Potential
distributor
0/200V
00333635-xx
Motor_W
X4vf
key 6
GND
1
2
X7vf
-15V
+15V
X6vf
1
2
X9 ym
X8 ym
X11 ym
X7 ym
X1vy
20
6
X52
00344207-xx
Ballast Card, A29 (vz)
X1vz
z16
d22
d10
X53
d30
3.5
2*)
3*)
1*)
b14
a14
b13
a13
X50
Servo Enable
10
00334810-xx
Servo unit HS50
Ready
8/d
16/d
12/d
12/z
14/d
I²t
INOM_W
INOM_U
X1vf
Servo
4
X3vf
Y-axis
(gantry 4)
A38 (vf)
AC 12,5
backplane
Servo unit
12
3
5
N.C.
8
1
9
4
2
key
N.C.
1
3
1K7
14
13
11
Crash
6
2
3signal
Tacho_N
Tacho_P
N.C. 5
4
reference point
Y axis
00335414-xx (db)
X/Y distributor, HS50 gantry 4
1,27,34
9-14
YV
X1db
YU
GND
bk
YW
GND
primary part
3~
15V
5V
+15V
X2dbX7da
X8da X1db
00335145-xx
(Cable)
00335146-xx
(Cable)
X7da X2db
00335145-xx
(Cable)
28 28
29
29
3131
30
31
30
31
3434
9
00335144-xx
(Cable)
GND
GND
27,34 27,34
Y4-020101LD3
Sh.
Sh.
01.
02.
01.
Status Modified
Doc. status
Product status
Function status
Date Name Stand.
Check.
Author
DateHi
Hi
Hi
01.07.01
01.07.01
01.07.01
CAD file:
Mat. no.:
Orig./Repl.f/Replaced by
X101/19a
X102/1
X101/4a
X101/16a
X101/13a
HS50 main
00336154-xx
distributor
2 (W1)wh 2
Cable color coding
47100
(W2)
(W1)
(W2)
(do)
2*)
wh
Belden
1*) bk
2*)5
1*)4
3rd
bn
wh
DIN
5
4
3
(W1)
00335231-xx
X5do
(cable)
bk1
X15da
1
-15V
GNDGND
+5V
+15V
+24V
Anti-crash board
00335892-xx
b27
A30 (wy)
gantry 1/4
X1wy
X1wy
a26
b28
X50
b26
00335224-xx (cable)
00335225-xx (cable)
whbk1*)
3*)
2*) wh
rd
bn
gn
Cable color coding
Belden DIN
47100
00302841-xx
card +/-15V
A32 (vy)
Power supply
Dynamic brake, A14 (wf), 00344206-xx
Phase_V
Phase_W
Phase_U
6/d,b,z
Brake_P
6/d
8/d,b,z
N.C.
A6 (yf), 00344205-xx
Y-axis servo amplifier
TBS 200 / 15Y
26,28/d,b,z
32/d,b,z
6/z
30/d,b,z
Brake_N
18,20/d,b,z
22,24/d,b,z
10/d
4/z
4/d
X1yf
+15V
+15V
GNDGND
B1Y
B2Y
Dist., Y analogDist., Y analog
ENDY
B2Y
B1Y
B2Y
B1Y
ENDY
Prox. switch 2Y
Prox. switch 1Y
GND
GND
Y axis
X9db
Dist., Y analog
GND
+24V
5
1
3
YV
YU
YW
YV
YU
21-26
15-20
9-14
1,27,34
X8da
X7da
2
1
3
2
3
4
1
X6da X3db
1,9-27,34 GND
(cable)
00335146-xx
(cable)
00335144-xx
11
Distance, Y digital 11
6
1,4,7
1,4,7
X4to
Machine controller M54 A1 (sa)00334808-xx
Control unit HS50
Cable 00335198-xx
nom. values
Y axis
109
Axis rear panel, gantry 4 A34 (to)
14
12
13
10
11
12
13
00335203-xx
(Cable)
X1sy
X3to
7
8
5
6
3
4
1
2
8
9
5
6
2
3
X8sy
X1sg
A7 (sg)
SMP bus A39 (sy)
Axis board 4
X29
X7to
X2sg
Y axis,
axis tracks
X1sa
GND
Y4-HS50.DWG
Stromlaufplan/Circuit diagram
SD EA
Hi
01.07.2001
SIEMENS
SMD Placement System SIPLACE HS50
1
1
Y axis, gantry 4
SIPLACE HS50
1
2
Crash
X5vf
18
+15V
36
38,39
GND
-15V
37
CAN_H
34
VCC
GND
35
TxD
VREG
20
23
CAN_L
INDEX
RxD
9
22
21
TRIG
19
X3sg
V NOM
13
COUNT B
COUNT A
END SIGNAL
I NOM
17
16
15
14
AGND
1
D1
D2
D3
D4
6
1
2
3
4
5
7
8
9
X11db
key
10
00336145-xx
Power supply
P200V
N200V
wh
bk
bl
or
bk
wh
switch B1
+24V
00335413-xx
HS50 gantry distributor
gantry 4
X19da
(da)
00335145-xx
3
4
00335414-xx
X/Y distributor HS50
(cable)
X2db
(db)
gantry 4
2
X4db
21-26
15-20
00333148-xx
Linear motor
1gnye
gantry 4
+24V
6
wh
00343441-xx
+5V
+24V
00335137-xx
X8db
5
1
3
bl
bn
bk
bl
bn
bk
-
+
A1
End pos. prox.
switch B2
29 29
B
B
N
N
3030
+24V
3131
GND GND
X31da
5
00335413-xx (da)
HS50 gantry distributor
Reference point
End pos. bero 1
Limit switch Enable
00335196-xx
(cable)
7
27,3427,34
X6da
30
X3db
30
bl5 bl -
X7db
1
3
00335136-xx
bn
bk bk
bn
+
A1
End pos. prox.
See page 72
See page 72
See page 80
See page 80
See page 103
See page 141
See page 142
See page 77
See page 80
See page 141
See page 142
See page 85
See page 89
See page 80
See page 80
See page 76
See page 86