PTS-XP341E-04JE - 第54页
φ φ φ φ φ φ φ φ φ φ φ φ φ φ φ φ φ φ φ φ φ φ φ φ φ φ φ φ φ φ φ φ φ φ テープカット前進( ) テープカット後退( ) ゲージチップバキューム 下降( ) φ ステーションリフター上昇 φ ステーションストッパ入り 入り 入り ステーションリフター下降 ステーションリフター上昇 φ 上 下 戻り 入り 戻り 戻り 前進 後退 ( ) テープカット前進( ) テープカット後退…
46

φ
φ
φ
φ
φ
φ
φ
φφ
φ
φ
φ
φ
φ
φ
φ
φ
φ
φ
φ
φ
φ
φ φ
φ
φ
φ
φ
φ
φ
φ
φ
φ
φ
テープカット前進( )
テープカット後退( )
ゲージチップバキューム
下降( )
φ
ステーションリフター上昇
φ
ステーションストッパ入り
入り
入り
ステーションリフター下降
ステーションリフター上昇
φ
上
下
戻り
入り
戻り
戻り
前進
後退
( )
テープカット前進( )
テープカット後退( )
φ
φ
φ
φ φ
φ
φ
φ
φ
φ
φ
φ
φ
φ
φ
φ
φ
φ
φ
φ
下降( )
上昇( )上昇( )
( )
( )( )
パーツピックアップ
φ
φ
φ φ
φ
ノズル解除
φ
φ
基板吸着バキューム オプション)
φ
φ
φ
φ
φφφ
φ
パーツ送り(Side1)
φ
φ
φ
φ
φ
φ
φ
φ
φ
φ
φ
φ
φ
φ
φ
φ
φ
φ
エアーブロー
パーツピックアップ
真空破壊
基板吸着バキューム使用時
基板吸着バキューム
不要時
仕様時
仕様時
φ
φ
5Kg cm
コンベア逆流れ(右→左)
に追加時
→
予備
下降
上昇
下降
上昇
φ
φ
φ
φ
φ
φ
φ
φ
φ
φ
φ
φ
φ
下降
上昇
下降
上昇
φ
φ
φ
前進
後退
パーツ送り(Side )
φ
φ
φ
φ
47

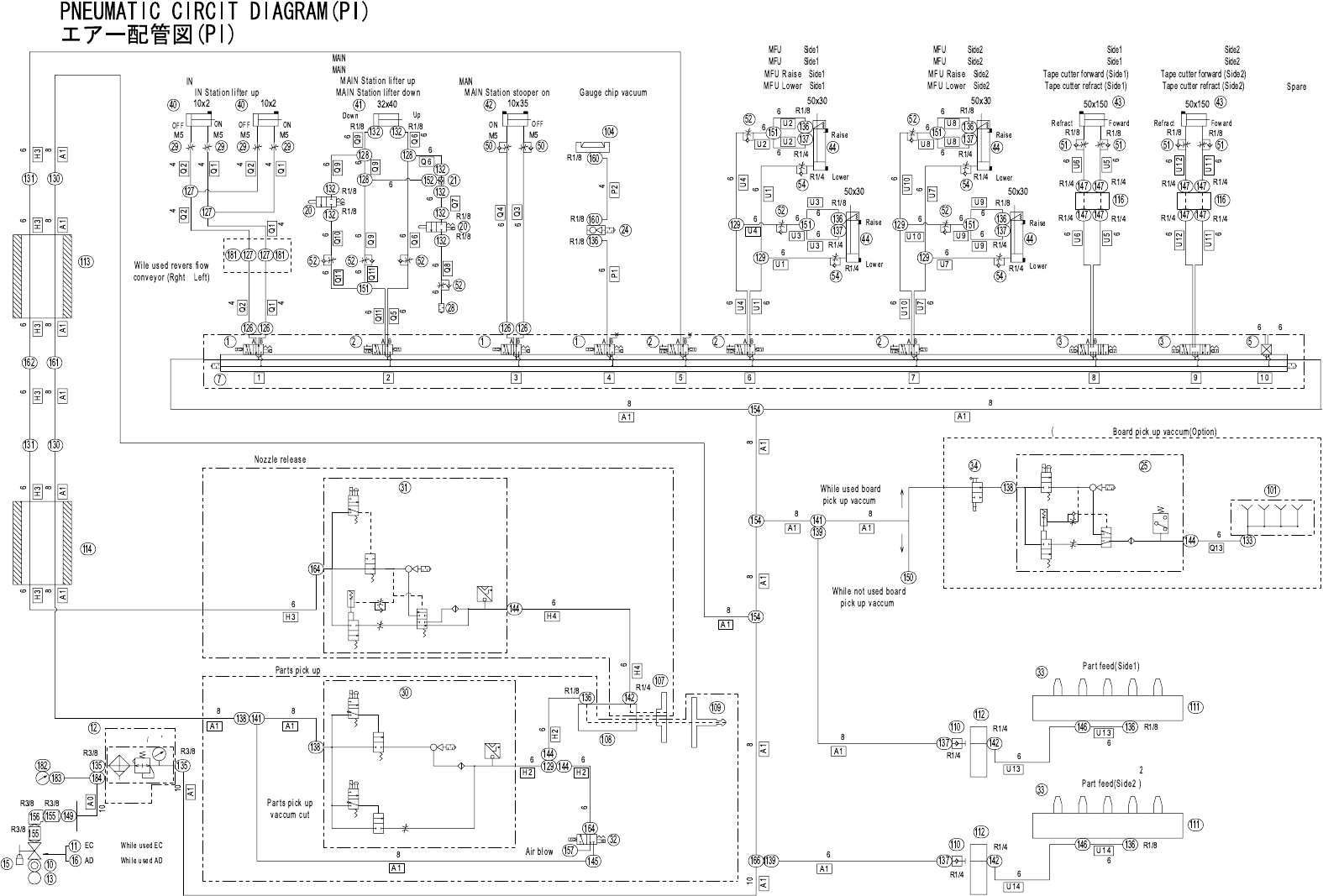
PNEUMATIC CIRCUIT DIAGRAM(PI)
エアー配管図(PI)
番号 図番 & コード番号 個数 品名 規格 材質 備考
No. Drg.No. & Code No. QTY Description Rating Materials Remarks
1 H1331A 3 VALVE
バルブ
VQ1101-5 DC24V OT
2 H1332A 4 VALVE
バルブ
VQ1201-5 DC24V OT
3 H1333Z 2 VALVE
バルブ
VQ1301-5 OT
5 H3051E 1 COVER, BLIND
蓋 盲
VVQ1000-10A-1 OT
7 DEPI5010 1 VALVE UNIT バルブユニット VV5Q11-10-X1042 OT
10 K1086T 1 COUPLER
カプラ
30PM OT
11 H1059T 1 VALVE, BALL
バルブ ボール
RP-LL-3/8 ロックハンドルツキ OT
12 H3033G 1 FILTER REGULATOR
フィルタレギュレータ
C4000-UN-00014 OT
13 S5023H 1 SOCKET
ソケット
30SH OT
15 K2027R 1 KEY
キー
C1000-50 OT
16 H1046A 1 VALVE, STOP
バルブ ストップ
A3/8X100 OT
20 H1063G 2 VALVE, MECHANICAL
バルブ メカニカル
VM121-01-01 OT
21 H1050K 1 VALVE, CHECK
バルブ チェック
C250-01-32W OT
24 H1009H 1 GENERATOR, VACUUM
発生器 真空
VP-05HS OT
25 A4001B 1 EJECTOR
エジェクタ
VDBL10R6-08SA-D-1.0 OT
28 S1053B 1 SILENCER
サイレンサ
KM-J6 (10コ/フクロ) OT
29 H1039A 4 VALVE, THROTTLING
バルブ 絞り
JNC4-M5 10ケ/ロット OT
30 H10064 1 GENERATOR, VACUUM
発生器 真空
VKBH12W-0608SR01E-B-NK OT
31 H10062 1 GENERATOR, VACUUM
発生器 真空
VKBH12R-0608SR01G-B OT
32 H1124Z 1 VALVE, SOL
バルブ SOL
VQZ312-5L-C8 OT
33 S5019A 80 SOCKET
ソケット
MC05SM OT
34 H1037T 1 VALVE, MANUAL
バルブ 手動
HV8-8-2 10ケ/ロット OT
40 DEQC0760 2 CYLINDER, AIR
シリンダ エアー
CXSL10-R7789-2 OT
41 S2125T 1 CYLINDER, AIR
シリンダ エアー
CQ2D32-40DCM ナットツキ OT
42 S2126L 1 CYLINDER, AIR
シリンダ エアー
CXSM10-K6869-35 OT
43 S2088Y 2 CYLINDER, AIR
シリンダ エアー
FCD-KL-50-150-M0V-H-N-FL25 OT
44 S20975 4 CYLINDER, AIR
シリンダ エアー
CDLQB50-30D-B-F9NL OT
50 K5337G 2 CONTROLLER, SPEED
コントローラ スピード
AS1201F-M5-04 (シロ) OT
51 K5342D 4 CONTROLLER, SPEED
コントローラ スピード
AS2201F-01-06S(シロ) OT
52 K5340Y 8 CONTROLLER, SPEED
コントローラ スピード
AS2001F-06(シロ) OT
54 K5343C 4 CONTROLLER, SPEED
コントローラ スピード
AS2201F-02-06S (シロ) OT
101 DBPP0111 1 PLATE
プレート
AL
104 DEAJ3052 1 BOX, VACUUM BOX バキューム AL
107 ADEPH8303 1 SHAFT, SPLINE シャフト スプライン OT
108 DEPH3061 1 BKT
BKT
AL
109 . 1 NOZZLE
ノズル
OT
110 DDUZ0040 2 VALVE, CHECK
バルブ チェック
CR2320W OT
111 DEUF3110 2 MANIFOLD
マニホールド
AL
48