SM431说明书 - 第359页
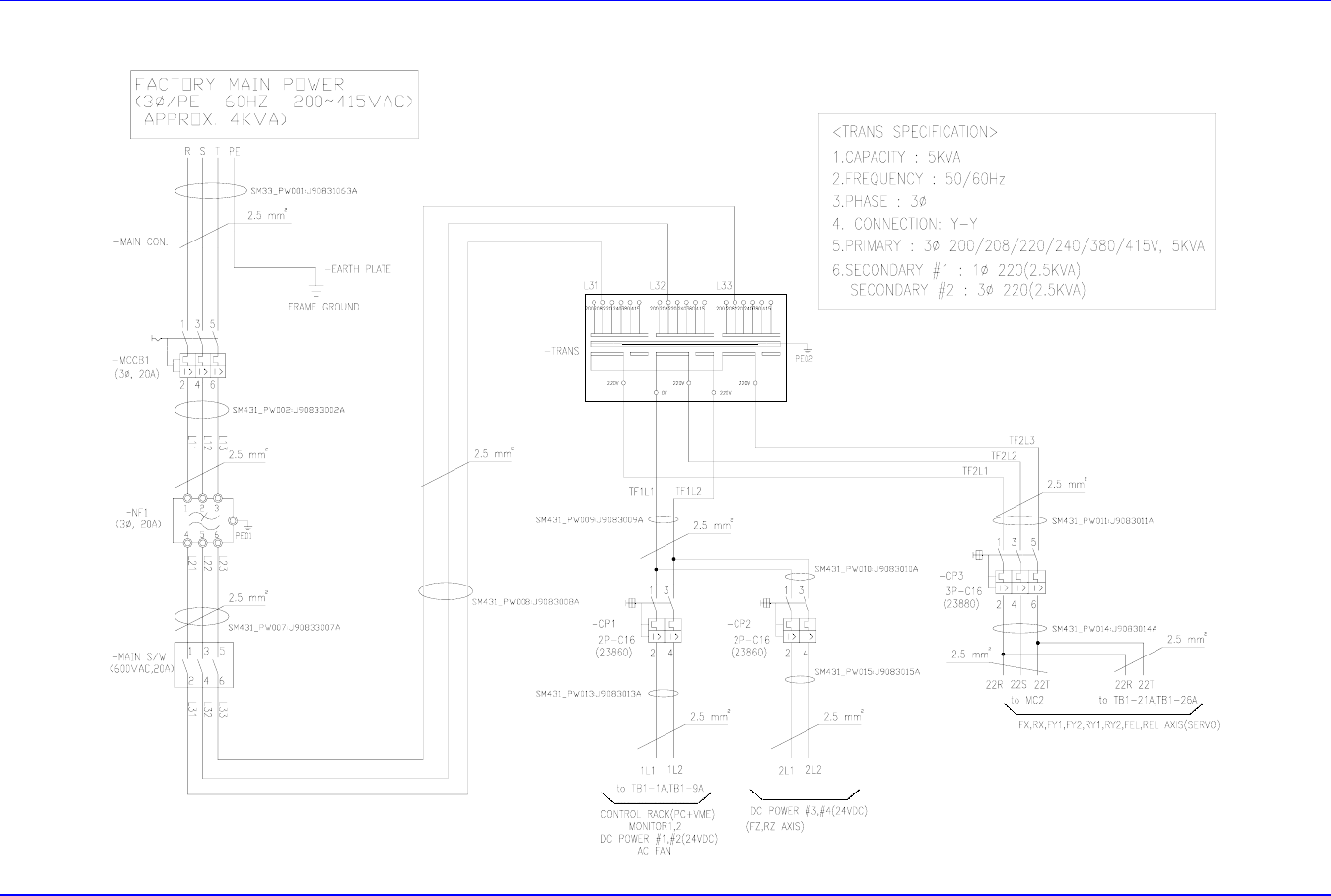
Electric Device 10-3 10.2. Electric Circuit Diagram 10.2.1. Electric Circuit Diagram (1/6)

Samsung Component Placer SM431 Service Manual
10-2
10.1.2. Wiring Diagram (2/2)
CN2 CN1 CN3
(30W) (30W) (30W)
(400W)
FX
VME
CN1
(750W)
FY2
(750W)
FY1
CN3
CN2
(750W)
RY2
(750W)
RY1
CN8
CN11 CN12
Z1 Z2
CN16 CN17
Z3 Z4
CN13 CN14
R
FEL
REGENERATIVE
RESISTOR
(30W)
(30W)
(30W)
REGENERATIVE
RESISTOR
CN1 CN2
(30W) (20W) (20W)
VME
MS1 WS1 WW1
BS1-1
_CS034
SM431
_CS040
SM431
BS1-2
BW1-1
BW1-2
SM431_PW057
SM431_VM014
SM431_VM015
_CS035
SM431
_CS041
SM431
_CS067
_CS036
SM431
_CS066
_CS042
SM431
_CS049
SM431
CN3
STEP CONTROL BOARD
(30W) (20W) (20W)
MS2 WS2 WW2
_CS037
SM431
_CS043
SM431
SM431_VM016
_CS038
SM431
_CS044
SM431
_CS069
_CS039
SM431
_CS068
_CS045
SM431
CN6
CN3
CN2
CN11
CN1
BOARD
AXIS SENSOR
+24V,24G
F/R FEEDER UNLOCK SENSOR
RY1 HOME/+LIMIT/-LIMIT
FY1 HOME/+LIMIT/-LIMIT
_AX003
SM431
_AX004
SM431
_CS080
SM431
SM431_AX001
to SHUTTLE/WIDTH DRIVER CN8
CN9
F/R Y1 H/+L/-L
CN10
C/V PCB SENSOR F/R SOL SIGNAL
to CAN IO B/D CN3
CN12
F/R STOPPER UP/DN,BUT
to CV IF B/D CN14
CN16CN15
CN1
SENSOR
R CONVEYOR
R ANC SOL
R SHUTTLE STOPPER SOL
CON1
CN5
CN4
SS2-1
CN2
BO#1
CN3
SS2-2
SW1-2
CN4
SW2-2
CN5
MS2H
CN6
WS2H
CN7
WW1H
CN8
F-BUT
CN9
Reserved IN 2
CN10
F STOPPER UP
CN11
F STOPPER DN
CN12
R STOPPER UP
CN13
R STOPPER DN
CN14
CN18
R WORK STOPPER SOL
CN19
R BUT SOL
CN20
reserved OUT #2
CN17
R STOPPER SHUTTLE2 SOL(OPTION)
IF BOARD
CN1
SENSOR
L CONVEYOR
CON1
SENSOR,SOL
SS1-1
CN2
BO#2
CN3
SS1-2
SW1-1
CN4
SW2-1
CN5
MS1H
CN6
WS1H
CN7
WW2H
CN8
R-BUT
CN9
Reserved IN 1
CN10
CN11
CN12
CN13
CN14
IF BOARD
SM431_CS083
SM431_CS082
SM431_CS074
_CS055
SM431
_CS057
SM431
_CS047
_CS063
SM431
SM431_CS026
SM431_CS027
SM431_CS001_CS070
SM431_CS002_CS070
SM431_CS005
SM431_CS007
SM431_CS022
SM431_CS020_CS070
SM431_CS025
SM431_CS019
SM431_CS004_CS071
SM431_CS009_CS071
SM431_CS006
SM431_CS008
SM431_CS023
SM431_CS021_CS071
CN22
CN21
CN22
CN21
SS1-4
SS1-3
SS2-4
SS2-3
SM431_CS094
SM431_CS093
SM431_CS096
SM431_CS095
SM431_CS024
SM431_CS018
SM431_CS003_CS071
SM431_CS073
B/D CN21
to SAFETY CTR
SM431_CS072
SM431_CS081
SM431_CS010_CS089
SM431_CS011_CS090
SM431_CS012_CS091
SM431_CS013_CS092
CN3 CN4 CN5 CN6
CN1(PW)
CN2(ENC)
SENSOR,SOL
SM431_CS009_CS070
CN7
SM431_PW059
J5
CN8
SM431_PW046
STEP SLAVE
BOARD
SM431_PW031
SM431_PW028
SM431_PW029
SM431_PW030
SM431_PW043
SM431_PW040
SM431_PW041
SM431_PW039
SM431_PW038
SM431_PW036
SM431_MD030
SM431
_MD014
SM431_VM004
SM431
_MD013
SM431_VM013
SM431_VM012
SM431_VM011
SM431_VM010
SM431_VM009
SM431_MD029
Z -AXIS I/F B/D
SM431_MD022
SM431_MD021
SM431_MD019
SM431_MD017
SM431_MD018
SM431_PW042
SM431_PW037
SM431_MD028
SM431_MD027
SM431_MD025
SM431_MD024
SM431_MD011
SM431_MD012
SM431_MD009
SM431_MD010
SM431_MD007
SM431_MD008
SM431_MD005
SM431_VM007
SM431_MD023
SM431_VM008
SM431_VM006
SM431_VM002
SM431_VM001
SM431_MD006
SM431_VM003
FRONT SEDES SLAVE B/D
SM431
_MD002
SM431
_MD001
REGENERATIVE
RESISTOR
REGENERATIVE
RESISTOR
REGENERATIVE
RESISTOR
SM431_MD020
X7043N SEDES BOARD
X7043 NEW TWIN SERVO B/D
(30W) (30W) (30W)
(400W)
RX
CN8
CN11 CN12
Z1 Z2
CN16 CN17
Z3 Z4
CN13 CN14
R
REL
REGENERATIVE
RESISTOR
(30W)
(30W)
(30W)
CN3 CN4 CN5 CN6
CN1(PW)
CN2(ENC)
SM431_PW031
SM431_PW032
SM431_PW033
SM431_PW034
SM431_MD030
SM431
_MD016
SM431_VM005
SM431
_MD015
SM431_VM013
SM431_VM012
SM431_VM011
SM431_VM010
SM431_VM009
SM431_MD029
Z -AXIS I/F B/D
SM431_MD022
SM431_MD021
SM431_MD019
SM431_MD017
SM431_MD018
SM431_VM008
REAR SEDES SLAVE B/D
SM431
_MD004
SM431
_MD003
SM431_MD020
SM431_MD026
_CS054
SM431
_CS046
_CS062
SM431
_CS048
SM431
_CS056
SM431
BS2-1
BS2-2
BW2-1
BW2-2
SM431_PW058
_CS051
SM431
_CS044
_CS061
SM431
_CS059
SM431
_CS053
_CS065
SM431
SM431_PW060
_CS060
SM431
_CS052
_CS064
SM431
_CS050
SM431
_CS058
SM431
CN16CN15
F ANC SOL
F SHUTTLE STOPPER SOL
CN18
F WORK STOPPER SOL
CN19
F BUT SOL
CN20
reserved OUT #1
CN17
F STOPPER SHUTTLE2 SOL(OPTION)

Electric Device
10-3
10.2. Electric Circuit Diagram
10.2.1. Electric Circuit Diagram (1/6)

Samsung Component Placer SM431 Service Manual
10-4
10.2.2. Electric Circuit Diagram (2/6)