Placement head C
Placement head C&P20M (CA Series) Page 1 / 18 23.11.2021

Placement head C&P20M (CA Series)
Page 1 / 18 23.11.2021

Placement head C&P20M (CA Series)
Page 2 / 18 23.11.2021

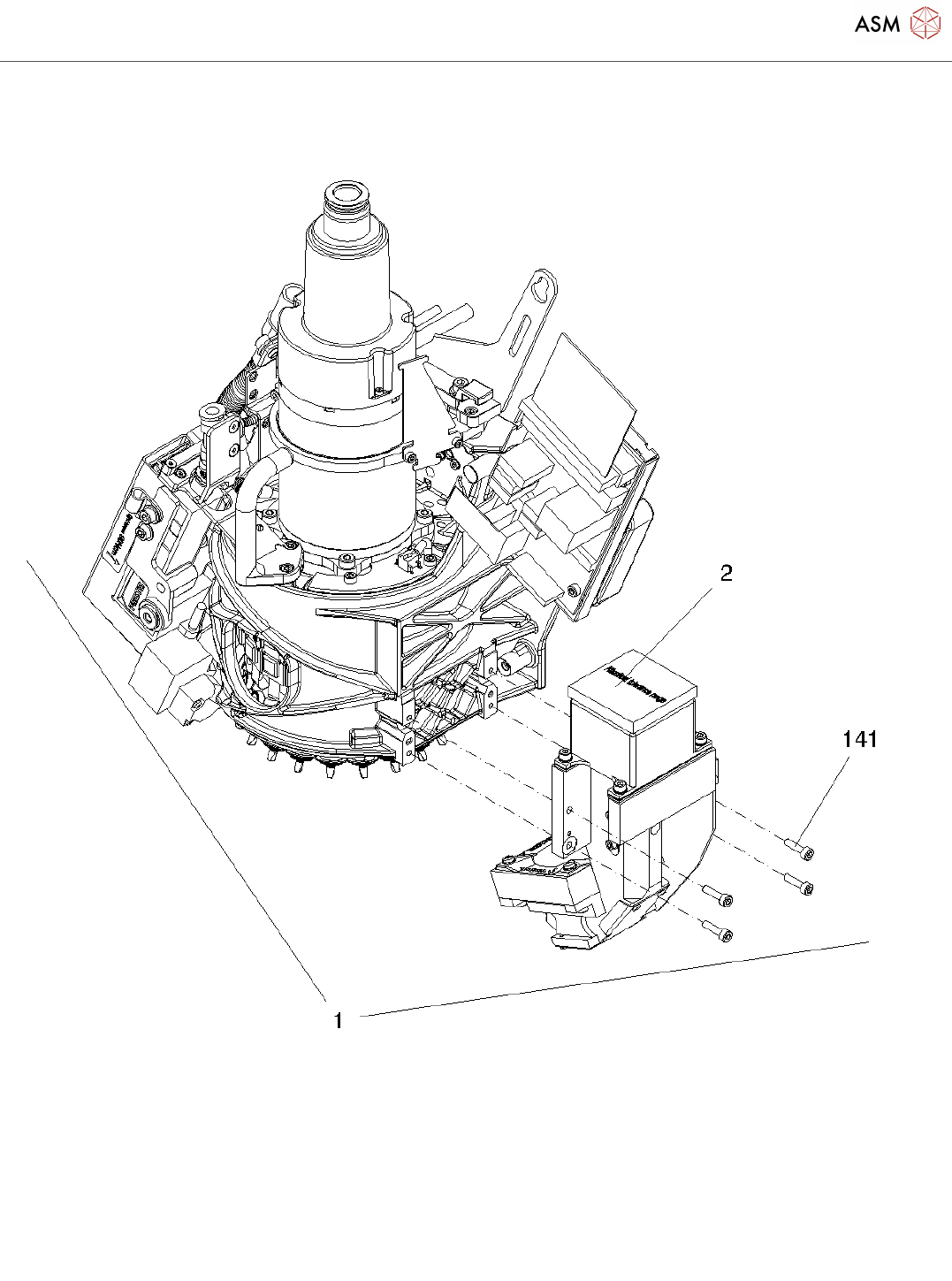
Placement head C&P20M (CA Series)
Page 3 / 18 23.11.2021
Placement head C&P20M (CA Series) Page 1 / 18 23.11.2021


