00193732-02 - 第40页
1 Nachrüstanleitung f ür LP-Kamera Mu lticol or HS-50 / HS-60 SIPLACE HS- 50/HS-60 1.13 Anhang: Platinen, Kabel und Schaltpläne Ausgabe 11/2004 40 1 Abb. 1.13.5 Schaltplan Vision-Board modular: Anschl uß LP-Kamera (Norma…

SIPLACE HS-50/HS-60 1 Nachrüstanleitung für LP-Kamera Multicolor HS-50 / HS-60
Ausgabe 11/2004 1.13 Anhang: Platinen, Kabel und Schaltpläne
39
1
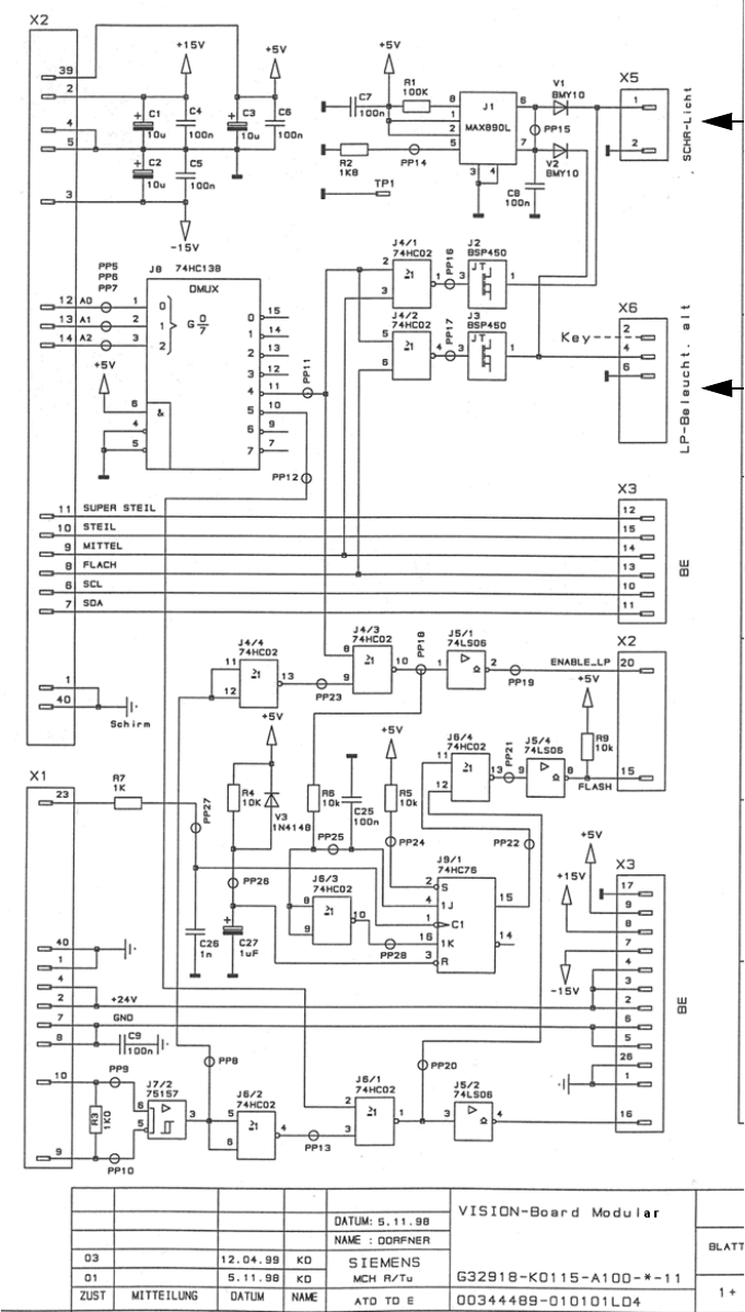
Abb. 1.13.4 Schaltplan Vision-Board modular: Anschluß alte LP-Kamera und Schräglicht

1 Nachrüstanleitung für LP-Kamera Multicolor HS-50 / HS-60 SIPLACE HS-50/HS-60
1.13 Anhang: Platinen, Kabel und Schaltpläne Ausgabe 11/2004
40
1
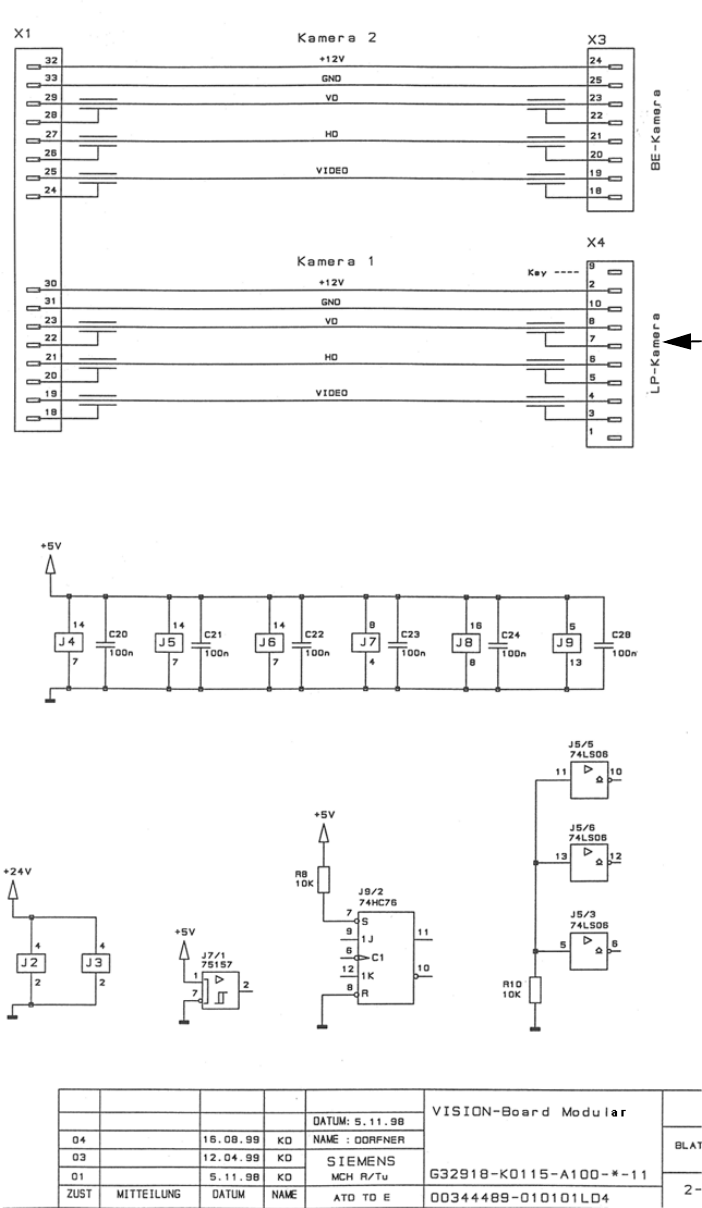
Abb. 1.13.5 Schaltplan Vision-Board modular: Anschluß LP-Kamera (Normallicht) bzw. Multicolor
Unterportal-LP-Kamera (Normallicht)
oder der LP-Kamera Multicolor
Kabel "Kamera" der

SIPLACE HS-50/HS-60 1 Nachrüstanleitung für LP-Kamera Multicolor HS-50 / HS-60
Ausgabe 11/2004 1.13 Anhang: Platinen, Kabel und Schaltpläne
41
1.13.2 Schaltpläne für Nachrüstung an HS-50
1
Abb. 1.13.6 Hauptverteiler HS-50, Verdrahtung VOR der Umrüstung