00193732-02 - 第78页
2 Retrofit Instructions for PCB Camera Multicolor, HS-50 / HS-60 SIPLACE HS- 50/HS-60 2.14 Attachments: PCBs, Cables and Circuit Diagrams 11/2004 Edition 78 Fig. 2.14.3 PCB Camera Multicolor: Connector Cable and Focus Le…

SIPLACE HS-50/HS-60 2 Retrofit Instructions for PCB Camera Multicolor, HS-50 / HS-60
11/2004 Edition 2.14 Attachments: PCBs, Cables and Circuit Diagrams
77
2
Fig. 2.14.2 Layout: Vision Board, Modular, HS-50 and S-25 HM
2
2
"Camera" of the
PCB Camera Multicolor
-> X4
Cable

2 Retrofit Instructions for PCB Camera Multicolor, HS-50 / HS-60 SIPLACE HS-50/HS-60
2.14 Attachments: PCBs, Cables and Circuit Diagrams 11/2004 Edition
78
Fig. 2.14.3 PCB Camera Multicolor: Connector Cable and Focus Level (PCB’s Lower Edge -> Camera)

SIPLACE HS-50/HS-60 2 Retrofit Instructions for PCB Camera Multicolor, HS-50 / HS-60
11/2004 Edition 2.14 Attachments: PCBs, Cables and Circuit Diagrams
79
2
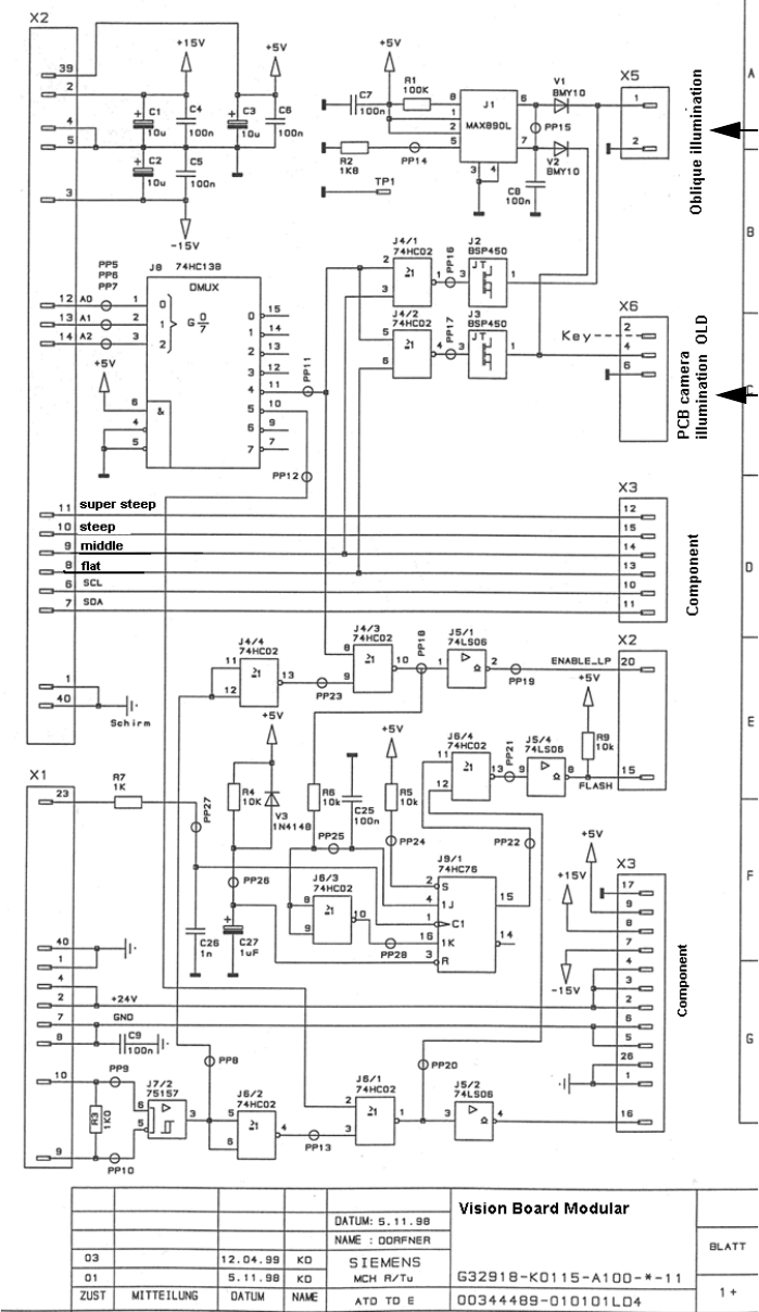
Fig. 2.14.4 Circuit Diagr. Vision Board, Modular: Connection of Old PCB Camera and Oblique Illuminat.