00193732-02 - 第81页
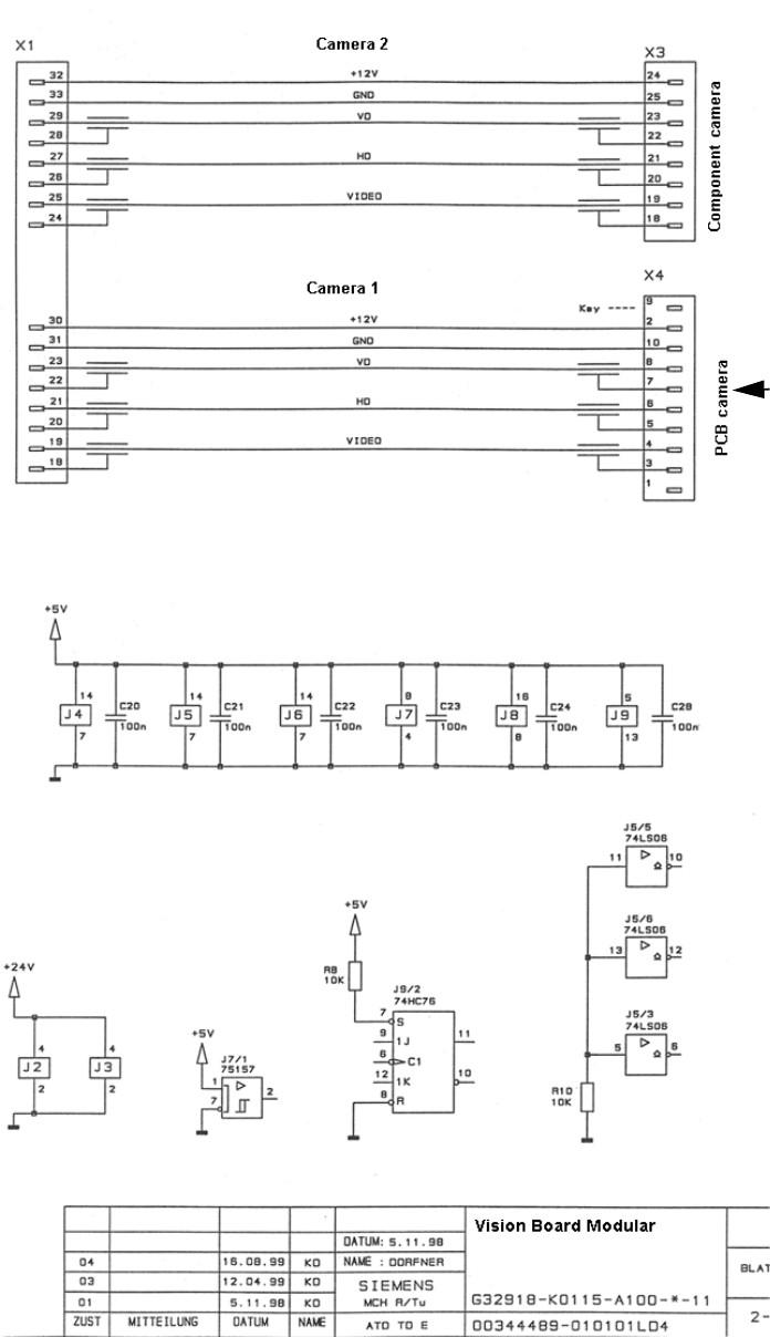
SIPLACE HS-50/HS-60 2 Retrofit Instructions for PCB Camera Mult icolor, HS-50 / HS-60 11/2004 Edition 2.14 Attachments: PCBs, Cables and Circuit Diagrams 81 2.14.2 Circuit Diagrams for Retrofitting on HS-50 2 Fig. 2.14.6…

2 Retrofit Instructions for PCB Camera Multicolor, HS-50 / HS-60 SIPLACE HS-50/HS-60
2.14 Attachments: PCBs, Cables and Circuit Diagrams 11/2004 Edition
80
2
Fig. 2.14.5 Circuit Diagr. Vision Board, Modular: Connect. PCB Camera (Normal Illuminat.) or Multicolor
PCB camera (normal illumination)
or of the PCB camera Multicolor
Cable "Illumination" of the subgantry

SIPLACE HS-50/HS-60 2 Retrofit Instructions for PCB Camera Multicolor, HS-50 / HS-60
11/2004 Edition 2.14 Attachments: PCBs, Cables and Circuit Diagrams
81
2.14.2 Circuit Diagrams for Retrofitting on HS-50
2
Fig. 2.14.6 Main Distribution Frame for HS-50, Wiring BEFORE Changeover / Retrofitting

2 Retrofit Instructions for PCB Camera Multicolor, HS-50 / HS-60 SIPLACE HS-50/HS-60
2.14 Attachments: PCBs, Cables and Circuit Diagrams 11/2004 Edition
82
Fig. 2.14.7 Main Distribution Frame for HS-50, Retrofit / Changeover Kit Cables W1 to W5